找回密码
 立即注册
楼主: molo

STC USB-2UART-45I-SOP16只能2400下载 | 已解决

[复制链接]
  • 打卡等级:以坛为家I
  • 打卡总天数:220
  • 最近打卡:2025-10-27 10:04:11

791

主题

1万

回帖

2万

积分

管理员

积分
20076
发表于 2023-11-16 07:43:11 | 显示全部楼层
【一箭双雕之USB转双串口】-STC8H8K64U, 自动下载器-自动停电/上电
实现了USB转双串口自己短距离 10M bps 互相通信,测试超级稳定 !
对 STC8G1K08A-36I-DIP8, 1.5M / 2M / 3M / 6M bps 烧录成功,速度很快很顺畅
【最低2400bps, 最高 6M bps】   ISP-烧录 成功
【最低2400bps, 最高 3M bps】   ISP-烧录 成功
【最低2400bps, 最高 2M bps】   ISP-烧录 成功
【最低2400bps, 最高 1.5M bps】ISP-烧录 成功

截图202311160743073211.jpg

截图202311160745568487.jpg

截图202311160747348264.jpg

截图202311160750103037.jpg




回复

使用道具 举报 送花

  • 打卡等级:以坛为家II
  • 打卡总天数:540
  • 最近打卡:2025-10-27 10:00:37

1

主题

98

回帖

1660

积分

金牌会员

积分
1660
发表于 2023-11-18 11:51:11 | 显示全部楼层
神*** 发表于 2023-11-16 07:43
【一箭双雕之USB转双串口】-STC8H8K64U, 自动下载器-自动停电/上电
实现了USB转双串口自己短距离 10M bps  ...

这STC USB-2UART-45I-SOP16芯片,出来2个串口默认的波特率是多少?都是115200吗?对端设备波特率要多少能正常和STC USB-2UART-45I-SOP16通信?
回复

使用道具 举报 送花

  • 打卡等级:以坛为家I
  • 打卡总天数:220
  • 最近打卡:2025-10-27 10:04:11

791

主题

1万

回帖

2万

积分

管理员

积分
20076
发表于 2023-11-18 12:14:35 | 显示全部楼层
波特率是自己选择设置的
回复

使用道具 举报 送花

  • 打卡等级:以坛为家II
  • 打卡总天数:540
  • 最近打卡:2025-10-27 10:00:37

1

主题

98

回帖

1660

积分

金牌会员

积分
1660
发表于 2023-11-18 12:31:32 | 显示全部楼层
神*** 发表于 2023-11-18 12:14
波特率是自己选择设置的

出来的2个串口对接其他设备有问题;

发送命令给其它设备,其它设备能收,但没返回值 ,正常要有返回值才对。

至于是什么问题,我还在查。
回复

使用道具 举报 送花

  • 打卡等级:以坛为家I
  • 打卡总天数:220
  • 最近打卡:2025-10-27 10:04:11

791

主题

1万

回帖

2万

积分

管理员

积分
20076
发表于 2023-11-18 12:34:19 | 显示全部楼层
先 CDC1和CDC2通信,成功后,再和第三方设备通信
截图202311181234466199.jpg

回复

使用道具 举报 送花

  • 打卡等级:以坛为家II
  • 打卡总天数:540
  • 最近打卡:2025-10-27 10:00:37

1

主题

98

回帖

1660

积分

金牌会员

积分
1660
发表于 2023-11-19 08:31:08 | 显示全部楼层
神*** 发表于 2023-11-18 12:34
先 CDC1和CDC2通信,成功后,再和第三方设备通信

我把STC USB-2UART-45I-SOP16的
第1脚和第2脚短接,或第15脚和第16脚短接,
然后用串口工具发送0A,返回是0A,同时后面多了个00,这是什么问题?

应该是软件不同的问题,我用【一箭双雕之USB转双串口的开源C语言的原程序】测试,

====发送脚不发送时是设置为强推挽的
没有多出00,升级到6.92F之后,就多了00。
截图202311191012308246.jpg
串口收发.PNG


回复

使用道具 举报 送花

  • 打卡等级:以坛为家I
  • 打卡总天数:220
  • 最近打卡:2025-10-27 10:04:11

791

主题

1万

回帖

2万

积分

管理员

积分
20076
发表于 2023-11-19 09:51:42 | 显示全部楼层
您用的我们更强大的程序,可以配置待机时发送脚接受脚的状态
截图202311190949594067.jpg

截图202311190953061765.jpg

发送脚,待机时是开漏
===待机时我们默认设置为开漏,并设置为1,
       开漏置1/就是高阻输入可以省隔离二极管
       你也可以重新制作母片,开漏/强推挽输出2个选项
===你接受方如也是高阻输入
       那2个高阻输入在一起,有数据变化就是正常的

接收脚,待机时是高阻输入
===待机时我们默认设置为高阻输入
       可以设置为准双向口的高,有高阻输入/准双向口的高2个选项
===你接受方如是高阻输入,发送方是 开漏置1/就是高阻输入
       那2个高阻输入接在一起,有数据变化就是正常的


回复

使用道具 举报 送花

  • 打卡等级:以坛为家I
  • 打卡总天数:220
  • 最近打卡:2025-10-27 10:04:11

791

主题

1万

回帖

2万

积分

管理员

积分
20076
发表于 2023-11-19 10:09:52 | 显示全部楼层
我们是用这个电路测试的
关键在待机时P3.3是低或高阻输入,和你的一致,
待机时P3.3对外是高,那就是我们已拉高了发送和接收
===所以我们会测试不出来

截图202311191007105871.jpg
截图202311191006105026.jpg

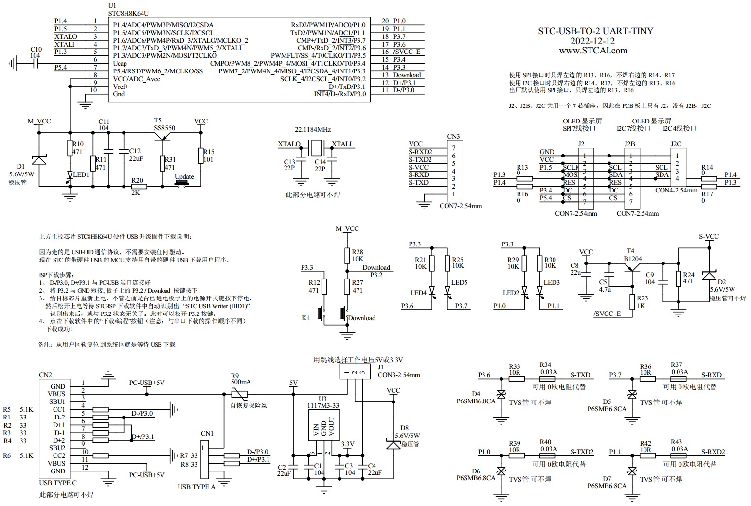
STC-USB-TO-2UART-TINY-SCH-20221212.pdf

252.01 KB, 下载次数: 157

回复

使用道具 举报 送花

  • 打卡等级:以坛为家I
  • 打卡总天数:220
  • 最近打卡:2025-10-27 10:04:11

791

主题

1万

回帖

2万

积分

管理员

积分
20076
发表于 2023-11-19 10:22:18 | 显示全部楼层
截图202311191020336388.jpg

截图202311191020537842.jpg

这是P3.3对外强推挽设置为1供电,
还是高阻输入,不供电

我们没测试到你那实际高阻输入对高阻输入的浮空现象,是我们用的下面的电路
我们的实际输入被拉高了
截图202311191022051770.jpg


回复

使用道具 举报 送花

  • 打卡等级:以坛为家II
  • 打卡总天数:540
  • 最近打卡:2025-10-27 10:00:37

1

主题

98

回帖

1660

积分

金牌会员

积分
1660
发表于 2023-11-19 11:19:57 | 显示全部楼层
神*** 发表于 2023-11-19 10:22
这是P3.3对外强推挽设置为1供电,
还是高阻输入,不供电
我们没测试到你那实际高阻输入对高阻输入的浮 ...

那如一箭双雕之USB转双串口测试板的S-RXD2和S-TXD2接其它设备,要怎么样设置,才能避免多发出00?

点评

没有多发,是要避免连接的双方不发送时全是高阻输入  详情 回复 发表于 2023-11-19 11:24
回复

使用道具 举报 送花

您需要登录后才可以回帖 登录 | 立即注册

本版积分规则

QQ|手机版|深圳国芯人工智能有限公司 ( 粤ICP备2022108929号-2 )

GMT+8, 2025-10-27 19:23 , Processed in 0.145161 second(s), 99 queries .

Powered by Discuz! X3.5

© 2001-2025 Discuz! Team.

快速回复 返回顶部 返回列表