找回密码
 立即注册
楼主: 神农鼎

便宜的车规-FOC,24万转@STC32G12K128-24A车规,STC-FOC 新算法库,2/5更新

 火... [复制链接]
  • 打卡等级:常住居民III
  • 打卡总天数:199
  • 最近打卡:2026-04-29 13:46:00
已绑定手机

6

主题

52

回帖

882

积分

高级会员

积分
882
发表于 2025-8-12 14:53:54 | 显示全部楼层
是只要改主函数里一些参数和加上IO初始化就可以运行了吗,
这个foc的.LIB库是进不去的吗。
截图202508121452065950.jpg


点评

lib库是不可编辑的,添加到工程即可,根据.H使用API  详情 回复 发表于 2025-8-12 16:08
回复

使用道具 举报 送花

  • 打卡等级:以坛为家III
  • 打卡总天数:725
  • 最近打卡:2026-03-30 12:09:34
已绑定手机

97

主题

7246

回帖

1万

积分

超级版主

积分
13800
发表于 2025-8-12 16:08:56 | 显示全部楼层
月亮*** 发表于 2025-8-12 14:53
是只要改主函数里一些参数和加上IO初始化就可以运行了吗,这个foc的.LIB库是进不去的吗。
...

lib库是不可编辑的,添加到工程即可,根据.H使用API
回复

使用道具 举报 送花

  • 打卡等级:以坛为家I
  • 打卡总天数:334
  • 最近打卡:2026-04-28 11:53:20

85

主题

7349

回帖

1万

积分

超级版主

积分
15865
发表于 2025-8-12 16:58:16 | 显示全部楼层
电调都要求电源输入尽量靠近功率管,
并且需要一个低ESR的电解电容与一个10uF的陶瓷电容,
提供瞬态大电流,
电调好多能提供超过10A的电流。


截图202508121658074860.jpg


回复

使用道具 举报 送花

  • 打卡等级:以坛为家I
  • 打卡总天数:393
  • 最近打卡:2026-04-30 08:56:47

849

主题

1万

回帖

2万

积分

管理员

积分
23131
发表于 2025-8-12 19:36:54 | 显示全部楼层

王工:
电容的主要作用是提供短时间大电流和稳定减速时的反电动势。
如果小功率,速度切换平滑的应用,

可以用MLCC电容并联,10uF或者22uF都行


如果中大功率,且速度切换较为频繁,则需要挂一个大一些的电解电容,
以吸收较大能量的冲击,一半按经验值给220uF或者470uF
回复

使用道具 举报 送花

  • 打卡等级:初来乍到
  • 打卡总天数:3
  • 最近打卡:2025-08-15 09:35:51
已绑定手机

2

主题

4

回帖

26

积分

新手上路

积分
26
发表于 2025-8-13 12:27:47 | 显示全部楼层
正在用该芯片开发高速电吹风,
NMOS用的是AP3N50K,
请问是否可以提供这种高压MOS的驱动电路参考一下?

======================================================

截图202508220811057747.jpg


点评

用中功率的电路参考  详情 回复 发表于 2025-8-22 08:12
BLDC三相无刷直流电机驱动-8H系列/32G系列-无HALL, 12万转, 视频讲解,改进启动算法 https://www.stcaimcu.com/thread-1822-1-1.html (出处: 国芯人工智能技术交流网站) 下载主楼下方的附件,有310V的驱动  详情 回复 发表于 2025-8-13 16:21
回复

使用道具 举报 送花

  • 打卡等级:以坛为家I
  • 打卡总天数:334
  • 最近打卡:2026-04-28 11:53:20

85

主题

7349

回帖

1万

积分

超级版主

积分
15865
发表于 2025-8-13 16:21:43 | 显示全部楼层
gez*** 发表于 2025-8-13 12:27
正在用该芯片开发高速电吹风,NMOS用的是AP3N50K,请问是否可以提供这种高压MOS的驱动电路参考一下?
...

BLDC三相无刷直流电机驱动-8H系列/32G系列-无HALL, 12万转, 视频讲解,改进启动算法
https://www.stcaimcu.com/thread-1822-1-1.html
(出处: 国芯人工智能技术交流网站)

下载主楼下方的附件,有310V的驱动
回复

使用道具 举报 送花

  • 打卡等级:以坛为家I
  • 打卡总天数:334
  • 最近打卡:2026-04-28 11:53:20

85

主题

7349

回帖

1万

积分

超级版主

积分
15865
发表于 2025-8-13 16:44:12 | 显示全部楼层
顶楼这个库方案我已测试到6万转,再优化程序应该可以到12万转以上。
适合各种高速风机(吸尘器、电吹风、服务器散热风扇等等6万~15万转),
一些散热、通风的中速风扇、各种水泵等等,
各种家用风扇、工业换气扇等等低速大功率的场合。

回复

使用道具 举报 送花

  • 打卡等级:以坛为家I
  • 打卡总天数:393
  • 最近打卡:2026-04-30 08:56:47

849

主题

1万

回帖

2万

积分

管理员

积分
23131
发表于 2025-8-13 20:30:44 | 显示全部楼层
回复

使用道具 举报 送花

  • 打卡等级:以坛为家I
  • 打卡总天数:393
  • 最近打卡:2026-04-30 08:56:47

849

主题

1万

回帖

2万

积分

管理员

积分
23131
发表于 2025-8-13 20:41:24 | 显示全部楼层
电机速度达到指定电压下的上限后,
再提高转速可以减少线圈匝数,
但是仅减少线圈匝数并不能提高性能,
较为简单的方案是同时增加线的数量,
例如绕线时使用两线并绕,同时减少线圈匝数,此时kv提升,
等效电阻也会降低过流能力也会提升,建
议提升kv到原来的两倍,即双线并绕,少绕50%匝数,
槽满率不变,但是最大转速和效率都能提升不少
回复

使用道具 举报 送花

  • 打卡等级:以坛为家III
  • 打卡总天数:725
  • 最近打卡:2026-03-30 12:09:34
已绑定手机

97

主题

7246

回帖

1万

积分

超级版主

积分
13800
发表于 2025-8-14 10:01:32 | 显示全部楼层
STC-FOC 库完整项目程序,在 下一楼层附件 下载
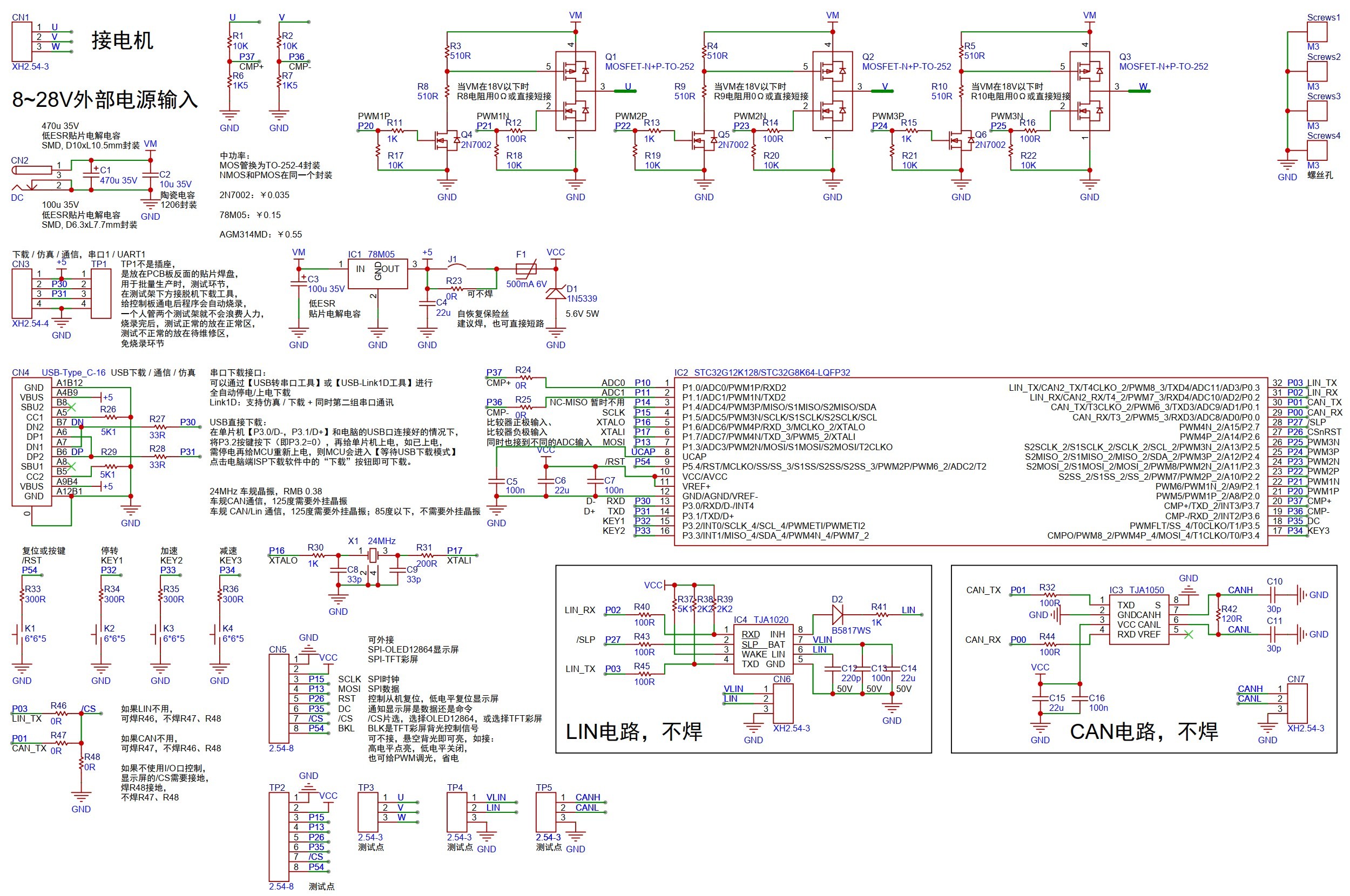
STC-FOC车规-24万转-小功率原理图-20250910,提供程序支持:
SCH-STC-FOC-24万转-小功率-V1.6-20250910.jpg
STC-FOC-24万转-小功率
3D-1-STC-FOC-24万转-小功率-V1.6-20250910.png
STC-FOC-24万转-小功率
3D-2-STC-FOC-24万转-小功率-V1.6-20250910.png
SCH-STC-FOC-24万转-小功率-V1.6-20250910.pdf (329.97 KB, 下载次数: 804)
STC-FOC-24万转-小功率-V1.6-20250910.eprj (2.68 MB, 下载次数: 636)
Gerber-STC-FOC-24万转-小功率-V1.6-20250910.zip (472.33 KB, 下载次数: 716)


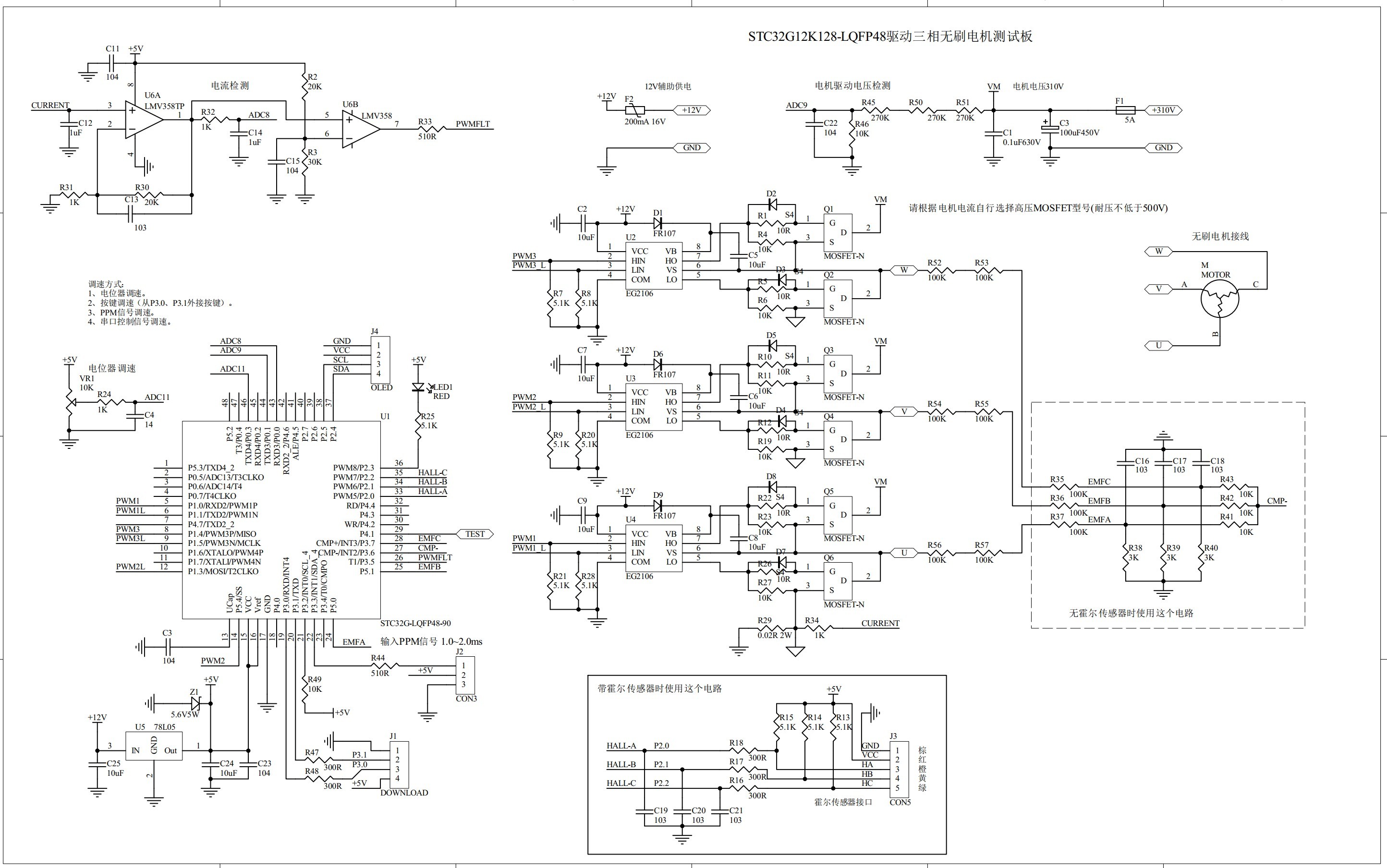
STC-FOC车规-24万转-中功率原理图-20250902,提供程序支持:

2026/1/20,注意
因内部测试使用的功率MOS(AGM314MD)货源存在问题,
ID和Ciss都偏小,在测试时未能发现潜在问题
批量生产使用的MOS是正品,ID和Ciss是正常的,所以比较难驱动(PMOS关断慢,会异常发热),

要减小电阻加大PMOS驱动电流并加大死区
电阻受0603封装功率限制,阻值不能过小,后续会改为08051206封装

减小阻值加大PMOS驱动电流以允许更小的死区
经测试计算,680Ω和390Ω电阻改为270Ω 1206封装,
死区设置为30,可以基本消除穿通电流,
但六个电阻功耗较高,这样是治标不治本的,仅对成本极其敏感时可以考虑,
彻底解决此问题需要修改电路结构,如上管用P管,使用三极管图腾柱结构,
如上管用N管,使用电容二极管自举结构
SCH-STC-FOC-24万转-中功率-V1.3-20250902.jpg
STC-FOC-24万转-中功率
3D-1-STC-FOC-24万转-中功率-V1.3-20250902.png
STC-FOC-24万转-中功率
3D-2-STC-FOC-24万转-中功率-V1.3-20250902.png
SCH-STC-FOC-24万转-中功率-V1.3-20250902.pdf (319.25 KB, 下载次数: 684)
STC-FOC-24万转-中功率-V1.3-20250902.eprj (2.64 MB, 下载次数: 596)
Gerber-STC-FOC-24万转-中功率-V1.3-20250902.zip (466.43 KB, 下载次数: 553)


STC-FOC车规-24万转-大功率原理图-20250902提供程序支持:
SCH-STC-FOC-24万转-大功率-V1.3-20250902.jpg
STC-FOC-24万转-大功率
3D-1-STC-FOC-24万转-大功率-V1.3-20250902.png
STC-FOC-24万转-大功率
3D-2-STC-FOC-24万转-大功率-V1.3-20250902.png
SCH-STC-FOC-24万转-大功率-V1.3-20250902.pdf (380.22 KB, 下载次数: 895)
STC-FOC-24万转-大功率-V1.3-20250902.eprj (3.34 MB, 下载次数: 732)
Gerber-STC-FOC-24万转-大功率-V1.3-20250902.zip (578.73 KB, 下载次数: 688)


STC-FOC车规-24万转-高压-310V原理图-20250924,提供程序支持:
SCH-STC-FOC-24万转-高压-V1.2-2025091524.jpg
STC-FOC-24万转-高压-310V
3D-1-STC-FOC-24万转-高压-V1.2-20250924.png
STC-FOC-24万转-高压-310V
3D-2-STC-FOC-24万转-高压-V1.2-20250924.png
SCH-STC-FOC-24万转-高压-V1.2-2025091524.pdf (388.14 KB, 下载次数: 584)
STC-FOC-24万转-高压-V1.2-2025091524.eprj (3.05 MB, 下载次数: 498)

Gerber-STC-FOC-24万转-高压-V1.2-20250924.zip (591.02 KB, 下载次数: 479)

回复

使用道具 举报 送花

您需要登录后才可以回帖 登录 | 立即注册

本版积分规则

QQ|手机版|深圳国芯人工智能有限公司 ( 粤ICP备2022108929号-2 )

GMT+8, 2026-5-1 09:36 , Processed in 0.140064 second(s), 101 queries .

Powered by Discuz! X3.5

© 2001-2026 Discuz! Team.

快速回复 返回顶部 返回列表