找回密码
 立即注册
楼主: 神农鼎

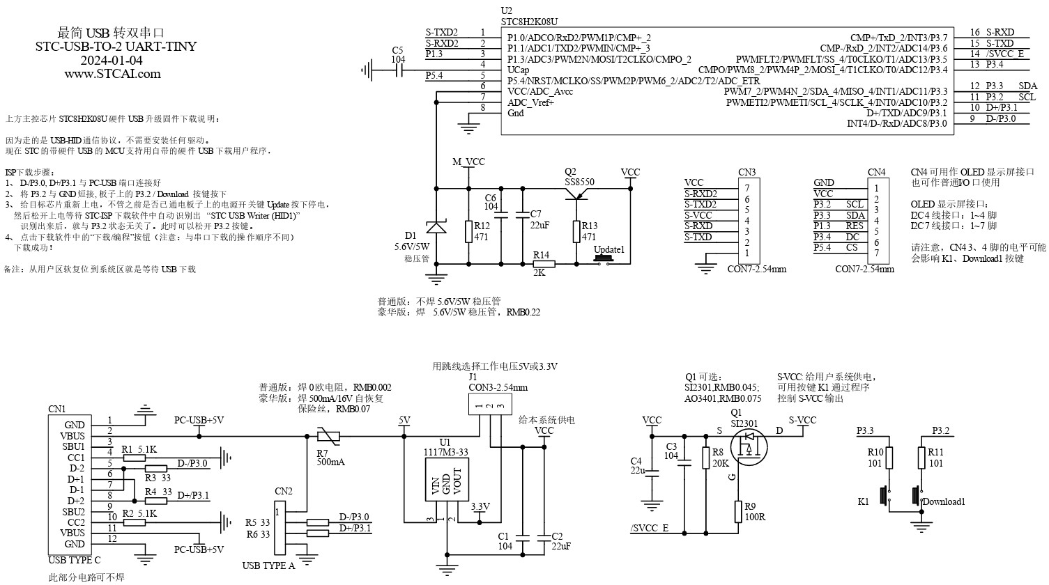
USB转串口芯片, USB转双串口芯片, RMB1.4, 最高波特率10M bps, 支持自动停电/上电烧录

  [复制链接]
  • 打卡等级:以坛为家III
  • 打卡总天数:775
  • 最近打卡:2026-03-21 07:32:36
已绑定手机

16

主题

1401

回帖

4919

积分

论坛元老

积分
4919
发表于 2024-1-31 14:01:26 | 显示全部楼层
波特率超过28800,下载不稳定的问题找到了吗?
会不会是电源干扰,有没有更换电脑、更换相关的线缆试试?
回复

使用道具 举报 送花

  • 打卡等级:偶尔看看I
  • 打卡总天数:15
  • 最近打卡:2026-03-20 21:25:36

0

主题

18

回帖

56

积分

注册会员

积分
56
发表于 2024-2-18 20:47:23 | 显示全部楼层
本帖最后由 xuzhengkai666 于 2024-2-18 20:49 编辑

您好大佬,我想问一下STC-Link1D有没有开源图纸啊,如果开源了,为什么我在论坛搜不到呢?难不成是跟一箭双雕一样吗?是不是Link1D的RX1TX1、RX2TX2就是P3.6、P3.7、P1.0、P1.1??,晶振也是同样的道理?

点评

LINK1D没开源,但是usb转串口的开源了  详情 回复 发表于 2024-2-19 16:07
回复

使用道具 举报 送花

  • 打卡等级:偶尔看看I
  • 打卡总天数:15
  • 最近打卡:2026-03-20 21:25:36

0

主题

18

回帖

56

积分

注册会员

积分
56
发表于 2024-2-19 14:56:31 | 显示全部楼层
这个是我设计的原理图,麻烦STC的工程师帮我看看设计的有没有问题
截图202402191459171898.jpg

截图202402191459535921.jpg

截图202402191500197423.jpg

截图202402191500504613.jpg

截图202402191501133294.jpg

Schematic_STC一箭双雕_2024-02-19.pdf

77.51 KB, 下载次数: 327

回复

使用道具 举报 送花

  • 打卡等级:偶尔看看I
  • 打卡总天数:15
  • 最近打卡:2026-03-20 21:25:36

0

主题

18

回帖

56

积分

注册会员

积分
56
发表于 2024-2-19 14:59:18 | 显示全部楼层
这是我设计的原理图的正反面,麻烦各位大佬指正
截图202402191502103671.jpg

截图202402191458256863.jpg
截图202402191458403640.jpg
回复

使用道具 举报 送花

  • 打卡等级:以坛为家I
  • 打卡总天数:359
  • 最近打卡:2026-03-20 21:53:40

844

主题

1万

回帖

2万

积分

管理员

积分
22719
发表于 2024-2-19 15:04:30 | 显示全部楼层
您能按照我们最新推荐的超简单电路设计吗
截图202402191504094458.jpg
深圳国芯人工智能有限公司-核心功能实验板 (stcai.com)

回复

使用道具 举报 送花

  • 打卡等级:以坛为家I
  • 打卡总天数:359
  • 最近打卡:2026-03-20 21:53:40

844

主题

1万

回帖

2万

积分

管理员

积分
22719
发表于 2024-2-19 15:05:59 | 显示全部楼层

原理图也按我们的风格画,容易看懂

截图202402191505189771.jpg
回复

使用道具 举报 送花

  • 打卡等级:常住居民III
  • 打卡总天数:136
  • 最近打卡:2025-06-19 15:40:05

47

主题

1350

回帖

7775

积分

荣誉版主

冲哥视频教程和各种开源资料QQ交流群884047237,可群

积分
7775
QQ
发表于 2024-2-19 16:07:14 | 显示全部楼层
xuzheng*** 发表于 2024-2-18 20:47
您好大佬,我想问一下STC-Link1D有没有开源图纸啊,如果开源了,为什么我在论坛搜不到呢?难不成是跟一箭双 ...

LINK1D没开源,但是usb转串口的开源了
回复

使用道具 举报 送花

  • 打卡等级:偶尔看看I
  • 打卡总天数:15
  • 最近打卡:2026-03-20 21:25:36

0

主题

18

回帖

56

积分

注册会员

积分
56
发表于 2024-2-21 13:37:33 | 显示全部楼层
电子DI*** 发表于 2024-2-19 16:07
LINK1D没开源,但是usb转串口的开源了

我晓得的,就是也想做一个Link1D脱机下载器
回复

使用道具 举报 送花

  • 打卡等级:偶尔看看I
  • 打卡总天数:15
  • 最近打卡:2026-03-20 21:25:36

0

主题

18

回帖

56

积分

注册会员

积分
56
发表于 2024-2-21 13:38:33 | 显示全部楼层
神*** 发表于 2024-2-19 15:05
原理图也按我们的风格画,容易看懂

我就按照你们图纸画的啊,只不过有些我省略了
回复

使用道具 举报 送花

  • 打卡等级:偶尔看看I
  • 打卡总天数:15
  • 最近打卡:2026-03-20 21:25:36

0

主题

18

回帖

56

积分

注册会员

积分
56
发表于 2024-2-21 13:39:26 | 显示全部楼层
神*** 发表于 2024-2-19 15:04
您能按照我们最新推荐的超简单电路设计吗

深圳国芯人工智能有限公司-核心功能实验板 (stcai.com)

?????
不是有些元器件省略吗,我吧这些都省略没加上啊

点评

姚总的意思是让你一模一样照抄官网的这个电路图就好了 [attachimg]35612[/attachimg] 你的图对外供电的接口没有断电电路,对于部分要冷启动的应用就不好下载了,USB供电接口也没有过那个B1204的保护管,甚至那个保  详情 回复 发表于 2024-2-21 13:55
回复

使用道具 举报 送花

您需要登录后才可以回帖 登录 | 立即注册

本版积分规则

QQ|手机版|深圳国芯人工智能有限公司 ( 粤ICP备2022108929号-2 )

GMT+8, 2026-3-21 19:47 , Processed in 0.116376 second(s), 82 queries .

Powered by Discuz! X3.5

© 2001-2026 Discuz! Team.

快速回复 返回顶部 返回列表