找回密码
 立即注册
查看: 1708|回复: 12

实验箱-STC32G144K246-LQFP100-V1.4版本 开源 立创EDA工程文件直接下载使用

[复制链接]
  • 打卡等级:以坛为家III
  • 打卡总天数:645
  • 最近打卡:2026-03-23 00:09:05
已绑定手机

52

主题

2495

回帖

8812

积分

论坛元老

积分
8812
发表于 2025-12-15 11:24:45 | 显示全部楼层 |阅读模式
https://www.stcaimcu.com/data/do ... t/STC32G144K246.pdf
STC32G144K246 用户手册

STC32G144K246-LQFP100实验箱20251201-V1.4版本开源文件,
请大家一起帮忙审核,附件有 开源的立创EDA工程文件下载
直接使用

截图202512230916201161.jpg

截图202512230917163062.jpg

PCB_实验箱STC32G144K246-V1.4_2025-12-01.pdf

5.3 MB, 下载次数: 126

SCH_实验箱STC32G144K246-V1.4_2025-12-01.pdf

1.3 MB, 下载次数: 100

实验箱STC32G144K246-V1.4.eprj

7.25 MB, 下载次数: 85

实验箱STC32G144K246-V1.4_2025-12-01.epro

1.81 MB, 下载次数: 77

回复

使用道具 举报 送花

  • 打卡等级:以坛为家I
  • 打卡总天数:359
  • 最近打卡:2026-03-20 21:53:40

844

主题

1万

回帖

2万

积分

管理员

积分
22719
发表于 2025-12-15 13:45:56 | 显示全部楼层
回复

使用道具 举报 送花

  • 打卡等级:以坛为家I
  • 打卡总天数:359
  • 最近打卡:2026-03-20 21:53:40

844

主题

1万

回帖

2万

积分

管理员

积分
22719
发表于 2025-12-15 13:56:00 | 显示全部楼层
截图202601270915138955.jpg


截图202512151352515792.jpg

截图202512151354179977.jpg

截图202512151355156785.jpg

截图202512151355557063.jpg

截图202512151359027331.jpg


截图202512151356522998.jpg

截图202512151357343103.jpg

截图202512151400287248.jpg

截图202512151401215262.jpg






回复

使用道具 举报 送花

  • 打卡等级:常住居民III
  • 打卡总天数:198
  • 最近打卡:2026-03-24 00:03:11
已绑定手机

14

主题

223

回帖

1345

积分

金牌会员

DIY玩家

积分
1345
发表于 2025-12-15 14:05:48 | 显示全部楼层
音频编解码器,建议改成:
TLV320AIC3104IRHBR, RMB2 ~ RMB2.48
HVQFN32-5mm*5mm


截图202601031005055829.jpg
截图202601031007558132.jpg

截图202601030959183203.jpg


截图202601031001404543.jpg
截图202601031016008504.jpg

截图202601031019135803.jpg

多多验证
评估优化
快量产





真正的学徒往往怀着大师的心
回复

使用道具 举报 送花

  • 打卡等级:以坛为家I
  • 打卡总天数:359
  • 最近打卡:2026-03-20 21:53:40

844

主题

1万

回帖

2万

积分

管理员

积分
22719
发表于 2025-12-15 14:06:03 | 显示全部楼层
截图202512151404085656.jpg


截图202512151404216625.jpg

截图202512151407405358.jpg
深圳国芯人工智能有限公司-实验箱




辛苦费5000, 征集发挥STC32G144K246性能的颠覆性实验箱方案
===DSP+模拟大师,支持32位/8位8051指令,120MHz ~ 100MHz
===TFPU浮点+三角函数】@240MHz, PWM@240MHz
===144K SRAM, 246K Flash, LQFP100/64/48

2组独立 真12位ADC, 2组独立 12位DAC,
4组独立运放 / PGA, 4组独立比较器
STC32G144K246的2个独立高速【12位DAC】直接在内部
===输出到 【内部运算放大器OPA输入 / PGA】,再输出
===或输出到【内部比较器】输入

USB 2.0
,Full-Speed,16个双向端点,支持4种端点传输模式
2组 CAN-FD !!!  3组 Lin; 2组 I2S
DMA-P2P/外设直接到外设, DMA支持 :
        TFT-i8080/M6800接口, QSPI, 3组独立的SPI, 2组独立的I2C
        8组USART, 可分别支持异步串口UART或同步串口SPI
        2组独立的12位ADC;2组独立的12位DAC;
        24-通道, 6组周期不同高级16位PWM定时器
        3 组 4 对互补PWM(PWMA/PWMC/PWME),方便控制 3组3相电机
        3 组 4 个单独PWM(PWMB/PWMD/PWMF)
T0/T1/T2/T3/T4, T5/T6/T7/T8, T9/T10, T11, T17/T18, 14个24位定时器
RTC-年/月/日/星期/时/分/秒 实时时钟


回复

使用道具 举报 送花

  • 打卡等级:以坛为家I
  • 打卡总天数:359
  • 最近打卡:2026-03-20 21:53:40

844

主题

1万

回帖

2万

积分

管理员

积分
22719
发表于 2025-12-15 14:15:11 | 显示全部楼层
回复

使用道具 举报 送花

  • 打卡等级:以坛为家II
  • 打卡总天数:579
  • 最近打卡:2026-03-22 16:40:08

35

主题

107

回帖

2450

积分

金牌会员

积分
2450
发表于 2025-12-18 22:27:54 | 显示全部楼层
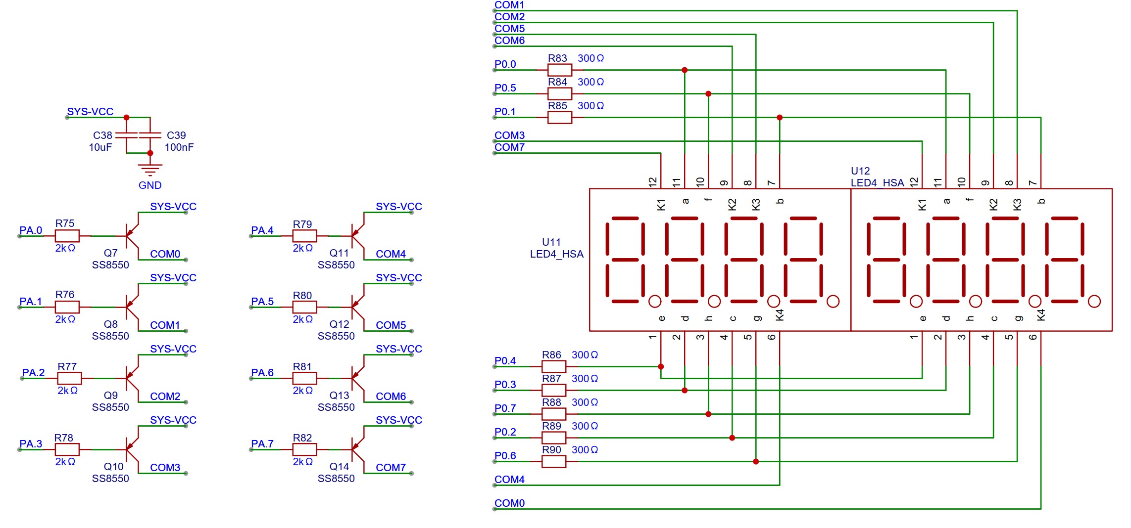
屏幕背光供电可否用一路PWM进行控制,以实现软件调整亮度功能

点评

可以,开山斧开发板就是这样的 [attachimg]125816[/attachimg]  详情 回复 发表于 2025-12-22 10:44
回复

使用道具 举报 送花

  • 打卡等级:以坛为家I
  • 打卡总天数:314
  • 最近打卡:2026-03-24 02:06:31
已绑定手机

25

主题

208

回帖

1818

积分

金牌会员

积分
1818
发表于 2025-12-19 16:47:35 | 显示全部楼层
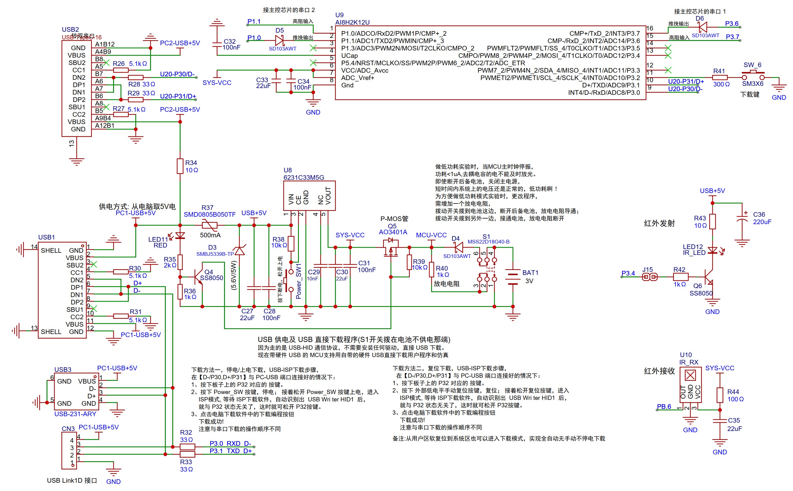
学习试验箱原理图。
图中黄色框标出的部分是不是有误?
截图202512191647261246.jpg
学习MCU
回复

使用道具 举报 送花

  • 打卡等级:以坛为家I
  • 打卡总天数:314
  • 最近打卡:2026-03-24 02:06:31
已绑定手机

25

主题

208

回帖

1818

积分

金牌会员

积分
1818
发表于 2025-12-19 16:52:02 | 显示全部楼层
这里的C59是不是也有误?
截图202512191651465701.jpg
学习MCU
回复

使用道具 举报 送花

  • 打卡等级:以坛为家I
  • 打卡总天数:314
  • 最近打卡:2026-03-24 02:06:31
已绑定手机

25

主题

208

回帖

1818

积分

金牌会员

积分
1818
发表于 2025-12-19 17:07:27 | 显示全部楼层
截图202512191701011732.jpg

此处芯片6231C33M5G的芯片手册上说是空脚。
截图202512191707136037.jpg
设计中接一个10nF的电容有什么特别考虑吗?
学习MCU
回复

使用道具 举报 送花

您需要登录后才可以回帖 登录 | 立即注册

本版积分规则

QQ|手机版|深圳国芯人工智能有限公司 ( 粤ICP备2022108929号-2 )

GMT+8, 2026-3-24 02:56 , Processed in 0.142782 second(s), 89 queries .

Powered by Discuz! X3.5

© 2001-2026 Discuz! Team.

快速回复 返回顶部 返回列表