找回密码
 立即注册
楼主: 梁工

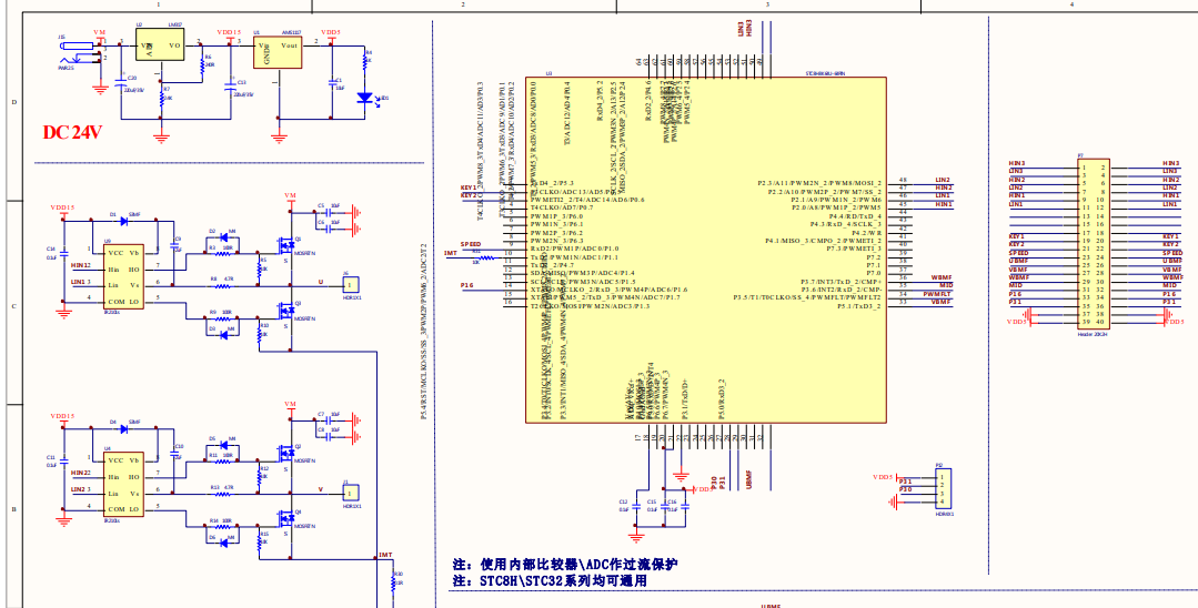
BLDC三相无刷直流电机驱动-8H系列/32G系列-无HALL, 12万转, 视频讲解,改进启动算法

 火... [复制链接]
  • 打卡等级:初来乍到
  • 打卡总天数:7
  • 最近打卡:2025-12-12 19:24:44

1

主题

7

回帖

85

积分

注册会员

积分
85
发表于 2023-8-3 11:28:23 | 显示全部楼层
梁工你好,我前几天打样了一份这个电路,在测试过程中发现一个现象。
反电动势检测的滤波电容(您给的示例图里的C7、8、9),采用原图里的值10nF时,ADC输入端波形呈类似驱动波形一样的,带有PWM的近梯形波形。此时电机运转没有问题。
当我将这三颗电容改为0.1uF时,ADC输入端的波形为显著滤波后的近梯形波形。此时电机的功率提升了大约有20%。转速是否有提升还没有测试。
请教梁工:
为什么会有这个现象、这个情况是增加了该驱动的性能还是有害?
感谢梁工

点评

这个电容仅仅用于滤除一些尖峰,原则上不用电容为好,因为电容会导致检测过0时间滞后,所以程序有一个修正这个滞后的时间。 你改为0.1uF,则延时太大,高速时换相时刻严重错误,导致电机电流增大,驱动管发热,电机  详情 回复 发表于 2023-8-3 12:14
回复

使用道具 举报 送花

  • 打卡等级:以坛为家I
  • 打卡总天数:274
  • 最近打卡:2026-01-14 11:07:27

84

主题

7226

回帖

1万

积分

超级版主

积分
15442
发表于 2023-8-3 12:14:46 | 显示全部楼层
Tomi*** 发表于 2023-8-3 11:28
梁工你好,我前几天打样了一份这个电路,在测试过程中发现一个现象。
反电动势检测的滤波电容(您给的示例 ...

这个电容仅仅用于滤除一些尖峰,原则上不用电容为好,因为电容会导致检测过0时间滞后,所以程序有一个修正这个滞后的时间。
你改为0.1uF,则延时太大,高速时换相时刻严重错误,导致电机电流增大,驱动管发热,电机效率低,电机发热,电源利用率低,甚至烧驱动管、电机停止运行。
回复

使用道具 举报 送花

  • 打卡等级:常住居民III
  • 打卡总天数:171
  • 最近打卡:2026-01-15 06:08:03

0

主题

4

回帖

478

积分

中级会员

积分
478
发表于 2023-8-15 09:14:05 | 显示全部楼层
好东西,谢谢分享,如果有硬件PCB就更完美了,或者直接出套件就可以入手试试了。
回复

使用道具 举报 送花

0

主题

4

回帖

48

积分

新手上路

积分
48
发表于 2023-8-21 10:09:11 | 显示全部楼层
梁工好!这是新更新的STC8H资料里面摘出来的无霍尔无刷驱动电路和程序,采用8H8K64U的单片机,电路原理图上有电流检测回路,程序里面没有找到对应的电流检测保护程序,您能完善一下电流保护部分的程序吗?
1692583413118.png
1692583430673.png

点评

我的例子里有ADC检测电位器的程序,你仿照这个写一个ADC检测电流的即可。  详情 回复 发表于 2023-8-21 13:13
回复

使用道具 举报 送花

  • 打卡等级:以坛为家I
  • 打卡总天数:274
  • 最近打卡:2026-01-14 11:07:27

84

主题

7226

回帖

1万

积分

超级版主

积分
15442
发表于 2023-8-21 13:13:06 | 显示全部楼层
tnyq*** 发表于 2023-8-21 10:09
梁工好!这是新更新的STC8H资料里面摘出来的无霍尔无刷驱动电路和程序,采用8H8K64U的单片机,电路原理图上 ...

我的例子里有ADC检测电位器的程序,你仿照这个写一个ADC检测电流的即可。
回复

使用道具 举报 送花

0

主题

4

回帖

48

积分

新手上路

积分
48
发表于 2023-8-21 16:39:06 | 显示全部楼层
梁*** 发表于 2023-8-21 13:13
我的例子里有ADC检测电位器的程序,你仿照这个写一个ADC检测电流的即可。 ...

好的
回复

使用道具 举报 送花

0

主题

1

回帖

44

积分

新手上路

积分
44
发表于 2023-8-22 10:27:38 | 显示全部楼层
梁老师您好!我想问下这个程序用到不同的无刷电机中,那些参数是需要调整的,比如初始占空比D_START_PWM、启动加速度delay_us(100)。还有其他参数吗?

点评

最主要就是这两个参数,不同的电机启动PWM和启动速度都不同。  详情 回复 发表于 2023-8-22 11:38
回复

使用道具 举报 送花

  • 打卡等级:以坛为家I
  • 打卡总天数:274
  • 最近打卡:2026-01-14 11:07:27

84

主题

7226

回帖

1万

积分

超级版主

积分
15442
发表于 2023-8-22 11:38:23 | 显示全部楼层
zhao*** 发表于 2023-8-22 10:27
梁老师您好!我想问下这个程序用到不同的无刷电机中,那些参数是需要调整的,比如初始占空比D_START_PWM、 ...

最主要就是这两个参数,不同的电机启动PWM和启动速度都不同。
回复

使用道具 举报 送花

0

主题

4

回帖

48

积分

新手上路

积分
48
发表于 2023-8-25 11:41:54 | 显示全部楼层
梁工,根据你的程序调整D_START_PWM为20,初始延时60ms(step = 0;        StepMotor();        Delay_n_ms(60);),加速延时为120ms(for(i=0; i<timer; i++)        delay_us(120);),运转波形见附图,现在遇到两个问题,1、启动没有调整参数前很难启动经过调整D_START_PWM和Delay_n_ms(60)、delay_us(120)后有80%概率正常启动,20%概率不能正常启动。2、启动失败后有时会进堵转程序再次重新启动,很大概率会发出电磁噪声电机不运转也不进堵转程序重新启动,按理电机没有转动不产生比较器中断会因为超时进入堵转重启才对。请梁工指导下,谢谢!
Screenshot_20230825-100034.png
Screenshot_20230825-105210.png
回复

使用道具 举报 送花

  • 打卡等级:以坛为家I
  • 打卡总天数:274
  • 最近打卡:2026-01-14 11:07:27

84

主题

7226

回帖

1万

积分

超级版主

积分
15442
发表于 2023-8-25 13:27:33 | 显示全部楼层
电机驱动调试要实测我才能看出来,但是这样看文字描述很难判断的。难启动一般是启动速度不合适或启动占空比不合适。
回复

使用道具 举报 送花

您需要登录后才可以回帖 登录 | 立即注册

本版积分规则

QQ|手机版|深圳国芯人工智能有限公司 ( 粤ICP备2022108929号-2 )

GMT+8, 2026-1-15 07:59 , Processed in 0.131821 second(s), 96 queries .

Powered by Discuz! X3.5

© 2001-2025 Discuz! Team.

快速回复 返回顶部 返回列表