找回密码
 立即注册
楼主: lclbf

冲哥视频学习笔记

[复制链接]
  • 打卡等级:以坛为家III
  • 打卡总天数:626
  • 最近打卡:2026-05-10 07:48:20

21

主题

229

回帖

1802

积分

金牌会员

积分
1802
发表于 2023-4-14 14:49:27 | 显示全部楼层
本帖最后由 lcl*** 于 2023-4-17 08:34 编辑
lclbf 发表于 2023-4-7 16:30
第五集:C语言运算符和进制数入门,这部分是通过打印来学习C语言中关于二进制,十六进制。这是学习单片机 ...

第六集:LED灯闪烁和花样式点灯:
  这部分新的知识点。
1、while和do while 的用法。while 是线判断后执行,do while是先执行后判断。
2、模块化编程。函数使用三部,定义 申明 调用。学习头文件的编写。     在模块化编程里,函数使用分为如下三步:
    函数定义
   返回值 函数名称( 入口参数 )
   {
     函数要执行的功能
   }
  @返回值:没有返回值就是void
  @函数名称:避开关键词,不重复,非特殊字符随便取
  @入口参数:类型+名称,多个参数“,”分开,空就写void
  函数声明
  返回值 函数名称( 入口参数 );
  函数调用
  函数名称( 入口参数 );

3、用到了延时函数,对于延时函数的定义 申明 调用


学习程序和作业程序如下压缩包附件:

6_1 LED闪烁.rar

79.98 KB, 下载次数: 223

6_2 通过printf学习while和do while的区别.rar

81.23 KB, 下载次数: 228

6_3 模块化编程.rar

83.84 KB, 下载次数: 231

6_4 SOS求救灯.rar

95.74 KB, 下载次数: 239

回复

使用道具 举报 送花

  • 打卡等级:以坛为家III
  • 打卡总天数:626
  • 最近打卡:2026-05-10 07:48:20

21

主题

229

回帖

1802

积分

金牌会员

积分
1802
发表于 2023-4-14 17:41:09 | 显示全部楼层
本帖最后由 lcl*** 于 2023-4-14 17:44 编辑
lclbf 发表于 2023-4-14 14:49
第六集:LED灯闪烁和花样式点灯:
  这部分新的知识点。
1、while和do while 的用法。while 是线判断后执 ...

第七集:按键点灯
    学习要点:
    1、按键的使用。2、数组的使用(先定义后使用)。
   实验用到的按键电路图如下:
  
1.png

实验学习程序如下附件压缩包:

7_1 按键点灯.rar

81.93 KB, 下载次数: 235

7_2 按键控制灯移动.rar

83.19 KB, 下载次数: 222

7_3 数组控制流水灯.rar

81.35 KB, 下载次数: 215

7_4 模块化编程数组实现多样式流水灯.rar

96.96 KB, 下载次数: 222

回复

使用道具 举报 送花

  • 打卡等级:以坛为家II
  • 打卡总天数:403
  • 最近打卡:2026-05-10 15:24:05

849

主题

1万

回帖

2万

积分

管理员

积分
23234
发表于 2023-4-14 18:49:48 | 显示全部楼层
这对冲哥的支持力度,等冲哥电子琴定型,估计冲哥会【免费+包邮 送】 您 冲哥版电子琴
回复

使用道具 举报 送花

  • 打卡等级:以坛为家III
  • 打卡总天数:626
  • 最近打卡:2026-05-10 07:48:20

21

主题

229

回帖

1802

积分

金牌会员

积分
1802
发表于 2023-4-15 08:27:39 | 显示全部楼层
神*** 发表于 2023-4-14 18:49
这对冲哥的支持力度,等冲哥电子琴定型,估计冲哥会【免费+包邮 送】 您 冲哥版电子琴 ...

是冲哥送还是官方送,其实学习也是为了自己!再次感谢官方和冲哥的支持!
回复

使用道具 举报 送花

  • 打卡等级:以坛为家III
  • 打卡总天数:626
  • 最近打卡:2026-05-10 07:48:20

21

主题

229

回帖

1802

积分

金牌会员

积分
1802
发表于 2023-4-15 16:18:26 | 显示全部楼层
本帖最后由 lcl*** 于 2023-4-17 08:22 编辑
lclbf 发表于 2023-4-14 17:41
第七集:按键点灯
    学习要点:
    1、按键的使用。2、数组的使用(先定义后使用)。

第八集:蜂鸣器
      电路图如下:
1.png
   P54口输出高电平T2截止,蜂鸣器不工作;P54口输出低电平T2导通,蜂鸣器工作发声。和蜂鸣器并联的D6 1N5819保护三极管T2,蜂鸣器是感性元件,电流不能突变,
   在T2由导通变为截止时会产生高电压上负下正,这个感应电压和电源电压叠加,加到三极管T2的CE极,造成T2损坏,并联二极管,二极管就把这个感应电压短路了,达
   到保护三极管的目的。
  通过本节里面的实战练习,对按键和点灯有了进一步的认识,特别是逻辑思维得到了锻炼。电磁炉现在实战的驱动灯的对应引脚同时是驱动电磁炉的发热
盘,就可以实现改变功率的目的。实际产品中我认为是单独的一个引脚去驱动,通过不通的功率,输出控制脚输出相同频率不同占去
比去实现功率调节,占空比大输出功率就越大不知道我这个思路对不对,期待冲哥和其他大神指导。

学习程序压缩包如下:


8_1 蜂鸣器应用.rar

81.41 KB, 下载次数: 212

8_2 电磁炉部分功能的实现.rar

84.87 KB, 下载次数: 197

回复

使用道具 举报 送花

  • 打卡等级:以坛为家III
  • 打卡总天数:626
  • 最近打卡:2026-05-10 07:48:20

21

主题

229

回帖

1802

积分

金牌会员

积分
1802
发表于 2023-4-15 16:38:27 | 显示全部楼层
本帖最后由 lcl*** 于 2023-4-17 08:21 编辑
lclbf 发表于 2023-4-15 16:18
第八集:蜂鸣器
      电路图如下:

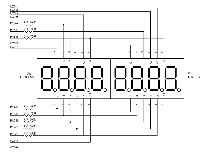
第九集数码管静态显示:
  我的文件名里面也有“数”,没有出现官方手册和冲哥视频里提到是问题是啥原因?
Win10,Win7系统都没有提示。都是64位系统。
  静态显示就是数码管点亮的部分是长时间通电,有电流的。电路图如下:
  数码管部分电路:
1.png
  P60口是控制数码管的段a,b,c,d,e,f,g,h;P7口控制数码管的位K1,K2,K3,K4,试验箱是2个4位数码管,所以电路图上K1,K2,K3,K4有两个,不是标重复了哈!!!

  数码管位控制部分电路:

2.png
数码管点亮原理:
对应的位加高电平,对应的段加低电平,点亮数码管。试验箱数码管的段是单片机输出脚直接驱动,位是通过三极管驱动的。对应位要工作,
控制的对应P7口要输出低电平,驱动三极管Q3,Q4,Q5,Q6,Q7,Q8,Q9,Q10,
让三极管导通,把SYS_VCC加到对应的位。

学习过程中,冲哥布置的作业,特殊字符H J L N O P U t r显示,其中t在冲哥的提示下才完成;第二个作业:通过一个按键设置数码管显示数
字0-9循环,再按下另外一个按键的时候,数码管上显示数字几,蜂鸣器就响几声。这个作业我还没有想到办法如何实现(再按下另外一个按键
的时候,数码管上显示数字几,蜂鸣器就响几声)。目前也没有看见贴子上学冲哥视频的上传这个作业。看见的朋友提供一下思路。
循环通过一个按键设置数码管
实验程序压缩包如下:





9_1 数码管静态显示.rar

83.32 KB, 下载次数: 234

9_2 数码管静态显示特殊字符.rar

82.65 KB, 下载次数: 229

回复

使用道具 举报 送花

  • 打卡等级:以坛为家III
  • 打卡总天数:626
  • 最近打卡:2026-05-10 07:48:20

21

主题

229

回帖

1802

积分

金牌会员

积分
1802
发表于 2023-4-16 10:23:04 | 显示全部楼层
本帖最后由 lcl*** 于 2023-4-16 10:37 编辑
lclbf 发表于 2023-4-15 16:38
第九集数码管静态显示:
  静态显示就是数码管点亮的部分是长时间通电,有电流的。电路图如下:
  数码管 ...

第十集:数码管动态显示
   动态显示就是数码管的段码和位不是长亮的,是不断的亮灭,这里要注意的时亮灭的时间频率,至少要眼睛看不见闪烁(位的循环要小于20ms),要求更高就要提高亮和灭的频率。
  学习本视频时,简易时钟练习的时候,遇到一点问题,数码管刷新和显示,最后问题是处理了,没有想明白道理。
  
不明白的问题:用24Mhz时钟,程序运行一步是多少时间?
   1.png
   程序这里Second++;加一次是多长时间,如何计算?

实验程序压缩包如下:

10_1 八位数码管同时点亮.rar

82.4 KB, 下载次数: 239

10_2 10秒免单计数器.rar

84.81 KB, 下载次数: 223

10_3 简易时钟.rar

85.13 KB, 下载次数: 223

回复

使用道具 举报 送花

  • 打卡等级:以坛为家III
  • 打卡总天数:626
  • 最近打卡:2026-05-10 07:48:20

21

主题

229

回帖

1802

积分

金牌会员

积分
1802
发表于 2023-4-16 10:45:33 | 显示全部楼层
本帖最后由 lclbf 于 2023-4-17 08:18 编辑

第十一集:定时器
  这集学习又遇到问题,学第一次还没有问题。编译出现警告,把中断函数注解了,警告就不出现了,警告内容如下图所示:

1.png

最后解决办法,重新建立工程文件,把C文件和头文件直接复制过去,编译通过没有出现警告。
遇到第二个问题:按键不起作用,是因为在数码管扫描函数里用了延时1ms的函数,再中断里面实现
数码管扫描。中断也是1ms一次中断,可能是这个原因。
2.png

本集视频作业,用定时器实现简易秒表功能,增加按键功能实现暂停。视频中用的定时器0,这个作业我
  用的定时器1来实现的。这里实验的实验又遇到点小问题,按键有时候要按几次才起作用,发现按键功
  能时没有加松手检测(没有红框这句)!
1.png
实验程序压缩如下:


11_1 有问题 定时器实现10秒免单计数器解决按键按下时数码管闪.rar

88.3 KB, 下载次数: 217

11_1 定时器实现10秒免单计数器解决按键按下时数码管闪.rar

87.89 KB, 下载次数: 233

11_2 定时器1实现简易时钟.rar

88.43 KB, 下载次数: 217

回复

使用道具 举报 送花

  • 打卡等级:以坛为家III
  • 打卡总天数:626
  • 最近打卡:2026-05-10 07:48:20

21

主题

229

回帖

1802

积分

金牌会员

积分
1802
发表于 2023-4-19 16:29:41 | 显示全部楼层
本帖最后由 lclbf 于 2023-4-19 16:48 编辑

第十二集:计数器
  做计数器用要记得打开内部4.1K上拉,我实验的时候没有打开也没有看出啥问题,实际应用中以官方要求为准,
  避免量产出问题。用到的电路如下:
1.png
计数器的配置冲哥视频讲得很清楚,官方的数据手册也有详细介绍:
2.png


冲哥视频讲了M法测速,他还提到了T法测速。
实验程序如下压缩包:
  

12_1 计数器.rar

81.81 KB, 下载次数: 233

12_2 测速器.rar

85.56 KB, 下载次数: 224

回复

使用道具 举报 送花

  • 打卡等级:以坛为家III
  • 打卡总天数:626
  • 最近打卡:2026-05-10 07:48:20

21

主题

229

回帖

1802

积分

金牌会员

积分
1802
发表于 2023-4-20 08:45:54 | 显示全部楼层
本帖最后由 lclbf 于 2023-4-24 10:47 编辑

第十三集:定时器做简易多任务处理
   本集用到的电路:LED灯,数码管,按键,蜂鸣器,电路图来自官方实验箱V9.6部分如下:
1.png

2.png

3.png

4.png


5.png

   电路工作原理相应部分有介绍,这里不再重复。
  本集重点:模块化编程(C文件和.h文件)
  知识点如下:
1、创建程序文件三步:

   新建文件并保存
   添加到工程
   添加引用路径
2、引脚定义都在.h文件
   sbit  名称 = P10
   #define  名称 P10
3、函数定义三步
   定义
   声明
   调用


修饰符extern用在变量或者函数声明前,用来说明“此变量、函数是在别处定义的,要在此处引用”。
1.png
注意:extern修饰的变量不能赋初值!


bdata位寻址变量的使用
1.png

实验程序压缩包如下:

添加引用路径


13_1 TIM多任务1.rar

101.73 KB, 下载次数: 215

13_2 TIM多任务2.rar

102.58 KB, 下载次数: 214

13_3 TIM多任务3.rar

157.8 KB, 下载次数: 213

13_3 TIM多任务4 作业1.rar

158.86 KB, 下载次数: 220

回复

使用道具 举报 送花

您需要登录后才可以回帖 登录 | 立即注册

本版积分规则

QQ|手机版|深圳国芯人工智能有限公司 ( 粤ICP备2022108929号-2 )

GMT+8, 2026-5-10 23:23 , Processed in 0.125606 second(s), 87 queries .

Powered by Discuz! X3.5

© 2001-2026 Discuz! Team.

快速回复 返回顶部 返回列表