找回密码
 立即注册
查看: 4867|回复: 16

单片机为何会运行自动复位

[复制链接]

6

主题

23

回帖

108

积分

注册会员

积分
108
发表于 2023-2-7 21:37:16 | 显示全部楼层 |阅读模式
以下是我的程序结构
IO初始化;
中断初始化;
。。。。;

void main()
{
读取IO;
IO输出控制逻辑;
        while(1)
        {
         读取IO状态;
         动作执行;
         }
}

以上程序为何进入了while中 ,但是单片机给某个端口IO输入信号,就会从main()函数处执行,为何啊??????搞了很久了,换了单片机也不行,用的是STC8A8K64A12的
回复

使用道具 举报 送花

  • 打卡等级:以坛为家I
  • 打卡总天数:203
  • 最近打卡:2025-11-02 21:53:04
已绑定手机

4

主题

30

回帖

681

积分

高级会员

积分
681
发表于 2023-2-7 22:05:50 | 显示全部楼层
1、某个IO   是P5.4吗?直接复位??
2、换个IO口试试,是不是确定只是某个IO  还是所有IO,逐渐缩小范围
3、是否有其他硬件原因(比如电源失电)造成单片机重启
回复

使用道具 举报 送花

  • 打卡等级:以坛为家I
  • 打卡总天数:231
  • 最近打卡:2025-11-07 13:27:18

785

主题

1万

回帖

2万

积分

管理员

积分
20183
发表于 2023-2-7 22:56:13 | 显示全部楼层
还是从 STC8H8K64U-开天斧核心功能实验板,开始,这样有详细的原理图,有详细的测试程序 !
还是从 STC32G12K128-屠龙刀核心功能实验板,开始,这样有详细的原理图,有详细的测试程序 !
1.png
回复

使用道具 举报 送花

  • 打卡等级:常住居民III
  • 打卡总天数:136
  • 最近打卡:2025-06-19 15:40:05

47

主题

1350

回帖

7771

积分

荣誉版主

冲哥视频教程和各种开源资料QQ交流群884047237,可群

积分
7771
QQ
发表于 2023-2-8 09:27:05 | 显示全部楼层
你是IO口接了什么功率负载吗?启动负载的瞬间MCU电压被拉低复位了吗
回复

使用道具 举报 送花

  • 打卡等级:以坛为家I
  • 打卡总天数:219
  • 最近打卡:2025-11-06 21:59:58

83

主题

6828

回帖

1万

积分

超级版主

积分
14662
发表于 2023-2-8 11:11:18 | 显示全部楼层
先IO悬空测试,示波器看波形。
回复

使用道具 举报 送花

6

主题

23

回帖

108

积分

注册会员

积分
108
发表于 2023-2-9 20:07:15 | 显示全部楼层
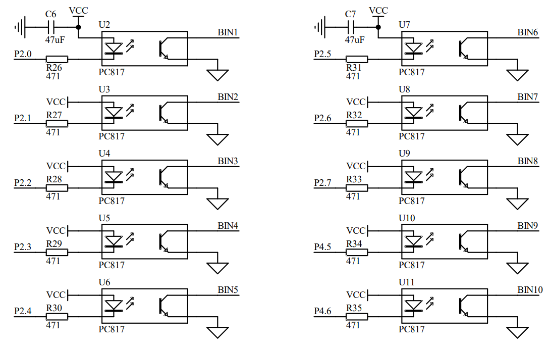
本帖最后由 梦里水乡 于 2023-2-9 20:09 编辑
电子DI*** 发表于 2023-2-8 09:27
你是IO口接了什么功率负载吗?启动负载的瞬间MCU电压被拉低复位了吗

IO,就是 经过光耦输入高低电平,简单的IO口读取,右边信号直接到单片机,只要给出左边给高,右边电压为低也正确,单片机读取右侧电平就会复位,从MAIN函数处重新执行
捕获.PNG
回复

使用道具 举报 送花

  • 打卡等级:以坛为家I
  • 打卡总天数:231
  • 最近打卡:2025-11-07 13:27:18

785

主题

1万

回帖

2万

积分

管理员

积分
20183
发表于 2023-2-9 20:19:09 | 显示全部楼层
程序错的离谱 ? 除了上图的硬件电路错的离谱 ? 原理图都没有的电路,再错都正常 !
下面上个我师傅画的简单原理图有光耦的,正在制板,机械手上用的,跟PLC通信

===老人家74岁了,电路再简单,都会出个完整的原理图
回复

使用道具 举报 送花

  • 打卡等级:以坛为家I
  • 打卡总天数:231
  • 最近打卡:2025-11-07 13:27:18

785

主题

1万

回帖

2万

积分

管理员

积分
20183
发表于 2023-2-9 20:22:05 | 显示全部楼层
1.png
回复

使用道具 举报 送花

  • 打卡等级:以坛为家I
  • 打卡总天数:231
  • 最近打卡:2025-11-07 13:27:18

785

主题

1万

回帖

2万

积分

管理员

积分
20183
发表于 2023-2-9 20:23:01 | 显示全部楼层
1.png
回复

使用道具 举报 送花

  • 打卡等级:以坛为家I
  • 打卡总天数:231
  • 最近打卡:2025-11-07 13:27:18

785

主题

1万

回帖

2万

积分

管理员

积分
20183
发表于 2023-2-9 20:30:31 | 显示全部楼层
还有 STC8A8K64D4 已取代 STC8A8K64S4A12===>2年了
请从最新的STC-ISP下载最新的资料,芯片开发工具STC都是【免费+包邮】送
1.png

【免费+包邮】 送/申样热线:0513-55012928、0513-55012929、0513-55012966
工作时间:  8:30-12:00  13:00-17:30(周一 到 周五, 法定节假日除外)
加STC华南区客服刘经理QQ: 3398500488 ;微信:18106296592
加STC华南区客服曹经理QQ:1933892258 ;微信:18106296595
加STC华东区客服聂经理QQ:2593903262;微信:18106296598
加STC西北区客服孙经理QQ: 1347154513 ;微信:18106296593
加STC华北区客服石经理QQ: 1638975601 ;微信:19952583876
加STC华中区客服唐经理QQ:2571301708 ;微信:18106296589
加STC东北区客服张经理QQ:3141888640 ;微信:19952583265
加STC西南区客服张经理QQ:3141888640 ;微信:19952583265
回复

使用道具 举报 送花

您需要登录后才可以回帖 登录 | 立即注册

本版积分规则

QQ|手机版|深圳国芯人工智能有限公司 ( 粤ICP备2022108929号-2 )

GMT+8, 2025-11-7 20:00 , Processed in 0.132792 second(s), 89 queries .

Powered by Discuz! X3.5

© 2001-2025 Discuz! Team.

快速回复 返回顶部 返回列表