找回密码
 立即注册
楼主: Tuier

小小建议,一箭双雕,一石三鸟

[复制链接]
  • 打卡等级:初来乍到
  • 打卡总天数:8
  • 最近打卡:2025-06-03 11:49:33

26

主题

168

回帖

1277

积分

金牌会员

积分
1277
发表于 2024-3-2 13:37:48 | 显示全部楼层
STC8H8K*** 发表于 2024-3-2 10:39
是的,HID转串口的还没有开源,可以自己研究一下哈
只用一个HID转串口足够了, 还不用装驱动。

CDC 不用就不用管了,CDC Win10之前的要用要装CDC驱动,WIN10及以后不用装驱动
回复

使用道具 举报 送花

  • 打卡等级:以坛为家III
  • 打卡总天数:725
  • 最近打卡:2025-12-19 07:20:22
已绑定手机

34

主题

457

回帖

3242

积分

论坛元老

积分
3242
发表于 2024-3-23 10:02:03 | 显示全部楼层
大多数都习惯了,S: Slave
回复

使用道具 举报 送花

  • 打卡等级:以坛为家I
  • 打卡总天数:269
  • 最近打卡:2025-12-19 09:32:23

814

主题

1万

回帖

2万

积分

管理员

积分
21365
发表于 2024-4-18 07:51:07 | 显示全部楼层
回复

使用道具 举报 送花

  • 打卡等级:以坛为家II
  • 打卡总天数:502
  • 最近打卡:2025-12-19 17:28:09
已绑定手机

24

主题

489

回帖

1457

积分

金牌会员

积分
1457
发表于 2024-4-21 21:32:19 | 显示全部楼层
新手练习多了就是老手了,没有太多可解释的,我是来蹭积分的
回复

使用道具 举报 送花

  • 打卡等级:常住居民II
  • 打卡总天数:80
  • 最近打卡:2025-11-19 22:23:01

10

主题

41

回帖

499

积分

中级会员

积分
499
发表于 2024-5-6 22:28:41 | 显示全部楼层
不错的好工具
爱玩单片机的老头
回复

使用道具 举报 送花

  • 打卡等级:以坛为家III
  • 打卡总天数:670
  • 最近打卡:2025-12-19 20:42:09

2

主题

39

回帖

1438

积分

金牌会员

积分
1438
发表于 2024-5-7 18:52:35 | 显示全部楼层
不知怎么样当开发板用,问了官方说不行的。
回复

使用道具 举报 送花

  • 打卡等级:常住居民III
  • 打卡总天数:125
  • 最近打卡:2025-09-04 19:25:16

5

主题

72

回帖

731

积分

高级会员

积分
731
发表于 2024-5-12 13:31:03 | 显示全部楼层
感觉还是标注本体的好。这个查阅资料也不会错。 这个互相交叉应该是连接线标注给反过来就可以了。
回复

使用道具 举报 送花

  • 打卡等级:以坛为家I
  • 打卡总天数:380
  • 最近打卡:2025-12-19 09:17:17

1

主题

80

回帖

1637

积分

金牌会员

积分
1637
发表于 2024-5-20 14:47:22 | 显示全部楼层
讨论很专业,学习了
回复

使用道具 举报 送花

  • 打卡等级:初来乍到
  • 打卡总天数:2
  • 最近打卡:2024-12-12 12:51:00

5

主题

45

回帖

163

积分

注册会员

积分
163
发表于 2024-6-16 10:26:58 | 显示全部楼层
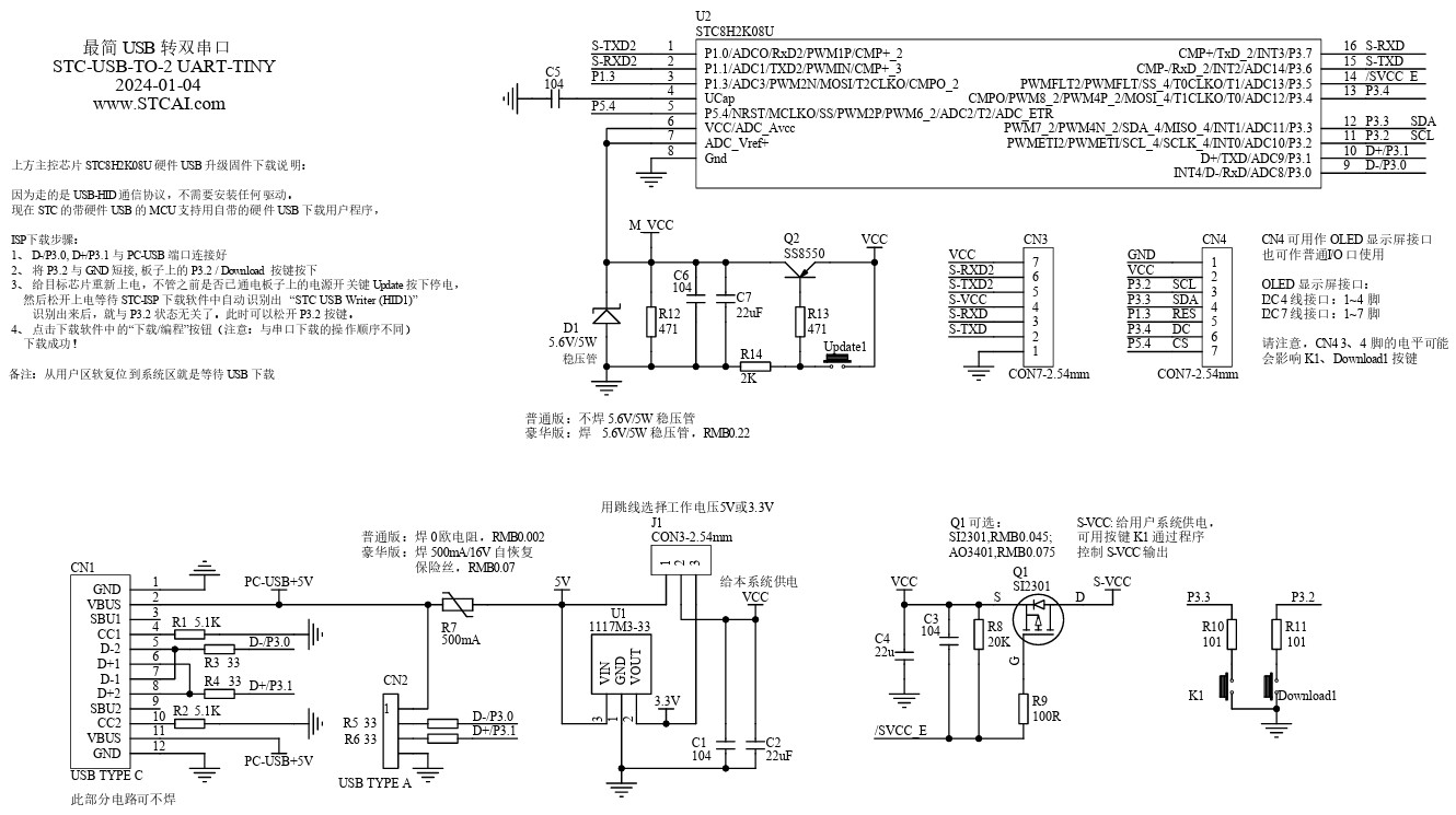
请问一下 这个在电脑上是解析为两个串口吗?
回复

使用道具 举报 送花

  • 打卡等级:以坛为家III
  • 打卡总天数:653
  • 最近打卡:2025-12-20 00:00:25
已绑定手机

19

主题

3292

回帖

6512

积分

论坛元老

积分
6512
发表于 2024-6-16 12:14:05 来自手机 | 显示全部楼层
STCWORM 发表于 2024-6-16 10:26
请问一下 这个在电脑上是解析为两个串口吗?

是的。也可以单串口,还有双串口加一个hid
回复

使用道具 举报 送花

您需要登录后才可以回帖 登录 | 立即注册

本版积分规则

QQ|手机版|深圳国芯人工智能有限公司 ( 粤ICP备2022108929号-2 )

GMT+8, 2025-12-20 05:47 , Processed in 0.129324 second(s), 101 queries .

Powered by Discuz! X3.5

© 2001-2025 Discuz! Team.

快速回复 返回顶部 返回列表