找回密码
 立即注册
楼主: Wddz

求助 STC8G1K08A,I/O点灯 问题

[复制链接]
  • 打卡等级:以坛为家I
  • 打卡总天数:359
  • 最近打卡:2026-03-20 21:53:40

844

主题

1万

回帖

2万

积分

管理员

积分
22719
发表于 2023-10-30 07:53:09 | 显示全部楼层

你这图的极端案例就是,如果上电后,
某个个体的MCU认为,P3.0/P3.1/P3.2外部输入都是0
===会进入 软件模拟USB下载模式,会一直在那等待USB下载
截图202310300748127737.jpg


截图202310300751401821.jpg

截图202310300752094060.jpg

截图202310300753055425.jpg

回复

使用道具 举报 送花

  • 打卡等级:以坛为家I
  • 打卡总天数:359
  • 最近打卡:2026-03-20 21:53:40

844

主题

1万

回帖

2万

积分

管理员

积分
22719
发表于 2023-10-30 07:55:43 | 显示全部楼层

截图202310300755387858.jpg


截图202310300754339734.jpg

回复

使用道具 举报 送花

  • 打卡等级:以坛为家III
  • 打卡总天数:759
  • 最近打卡:2026-03-23 13:57:18

10

主题

107

回帖

3063

积分

论坛元老

积分
3063
发表于 2023-10-31 14:56:35 | 显示全部楼层
神*** 发表于 2023-10-30 07:40
无特殊理由,点灯用如下电路

可以用 准双向口的 低导通,高输出关闭

收到,上面手画的哪个图是用面包板搭的,也没太注意用IO口点灯时控制灯亮的方式,以后会注意之个问题,谢谢,
回复

使用道具 举报 送花

  • 打卡等级:以坛为家III
  • 打卡总天数:759
  • 最近打卡:2026-03-23 13:57:18

10

主题

107

回帖

3063

积分

论坛元老

积分
3063
发表于 2023-10-31 15:01:43 | 显示全部楼层
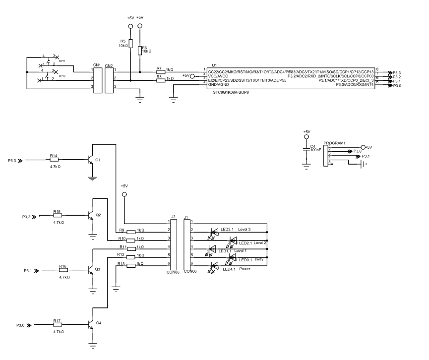
现在有个新情况,就是P3.0,P3.1外接一个电阴4.7K到3极管B极控制一个小灯,在板上烧录的时候会 提示  连接超时。。。,把P3.0,P3.1外接电阻拆了,就可以正常烧录,这种情况要怎么样设置才可以不用拆电阻也能正常烧录?
回复

使用道具 举报 送花

  • 打卡等级:以坛为家I
  • 打卡总天数:359
  • 最近打卡:2026-03-20 21:53:40

844

主题

1万

回帖

2万

积分

管理员

积分
22719
发表于 2023-10-31 15:21:52 | 显示全部楼层
没图不知道你错在哪,但 P3.0/P31原则上不要用,
I/O不够,直接换 USB仿真/USB下载的 STC8H8K64U-45I-SOP16

截图202310311520371706.jpg

截图202310311521092045.jpg

截图202310311521457038.jpg

回复

使用道具 举报 送花

  • 打卡等级:以坛为家III
  • 打卡总天数:759
  • 最近打卡:2026-03-23 13:57:18

10

主题

107

回帖

3063

积分

论坛元老

积分
3063
发表于 2023-10-31 17:00:01 | 显示全部楼层
F:\THR\风扇单键电子档位开关\STC8G1K08A_SIG-KEY1111就是这个电路
STC8G1K08A_SIG-KEY1111.png
回复

使用道具 举报 送花

  • 打卡等级:以坛为家I
  • 打卡总天数:359
  • 最近打卡:2026-03-20 21:53:40

844

主题

1万

回帖

2万

积分

管理员

积分
22719
发表于 2023-10-31 17:11:26 | 显示全部楼层

电阻改成 15K 测试下
截图202310311710593796.jpg
回复

使用道具 举报 送花

  • 打卡等级:以坛为家III
  • 打卡总天数:759
  • 最近打卡:2026-03-23 13:57:18

10

主题

107

回帖

3063

积分

论坛元老

积分
3063
发表于 2023-10-31 17:32:29 | 显示全部楼层
神*** 发表于 2023-10-31 17:11
电阻改成 15K 测试下

换15K可以正常烧录,测试点灯功能用15K也正常点亮,这电阻以后尽量用大一点,明天把3极管换成可控硅试试看能不能用

点评

电阻太小,高也被拉低了  发表于 2023-10-31 18:58
回复

使用道具 举报 送花

  • 打卡等级:以坛为家III
  • 打卡总天数:759
  • 最近打卡:2026-03-23 13:57:18

10

主题

107

回帖

3063

积分

论坛元老

积分
3063
发表于 2023-10-31 17:38:20 | 显示全部楼层
大佬,刚才才注意到,上电的时候,有2个灯会闪一下,这个芯片需要接复位电路吗?
回复

使用道具 举报 送花

  • 打卡等级:以坛为家I
  • 打卡总天数:359
  • 最近打卡:2026-03-20 21:53:40

844

主题

1万

回帖

2万

积分

管理员

积分
22719
发表于 2023-10-31 20:00:11 | 显示全部楼层
不需要
回复

使用道具 举报 送花

您需要登录后才可以回帖 登录 | 立即注册

本版积分规则

QQ|手机版|深圳国芯人工智能有限公司 ( 粤ICP备2022108929号-2 )

GMT+8, 2026-3-24 08:39 , Processed in 0.114069 second(s), 82 queries .

Powered by Discuz! X3.5

© 2001-2026 Discuz! Team.

快速回复 返回顶部 返回列表