找回密码
 立即注册
楼主: 神农鼎

视频教学:【USB 原理及实战,16课时】,大学标准课程,有配套书籍

 火.. [复制链接]
  • 打卡等级:以坛为家I
  • 打卡总天数:264
  • 最近打卡:2025-12-14 08:48:12

811

主题

1万

回帖

2万

积分

管理员

积分
21209
发表于 2023-10-8 10:40:09 | 显示全部楼层
其实都可以从最新的 STC-ISP V6.92D 或以上版本的辅助开发工具包
===下载这些演示程序包和库函数

STC8H8K64U
1,STC8H8K64U实验箱,演示程序包
2,开天斧-STC8H8K64U,核心功能实验板演示程序包
3,一箭双雕之USB转双串口,核心功能实验板演示程序包

STC32G12K128
1,STC32G12K128实验箱,演示程序包
2,屠龙刀-STC32G12K128,核心功能实验板演示程序包

其实都可以从最新的STC-ISP

截图202310081039474143.jpg

相应的库函数也就可以从这获得
截图202310081044376577.jpg



回复

使用道具 举报 送花

  • 打卡等级:以坛为家I
  • 打卡总天数:264
  • 最近打卡:2025-12-14 08:48:12

811

主题

1万

回帖

2万

积分

管理员

积分
21209
发表于 2023-10-8 10:46:32 | 显示全部楼层
STC8H8K64U实验箱中和USB相关的演示程序

截图202310081057307442.jpg
回复

使用道具 举报 送花

  • 打卡等级:以坛为家I
  • 打卡总天数:264
  • 最近打卡:2025-12-14 08:48:12

811

主题

1万

回帖

2万

积分

管理员

积分
21209
发表于 2023-10-8 10:47:11 | 显示全部楼层
开天斧-STC8H8K64U核心功能实验板中,和USB相关的演示程序

截图202310081059535153.jpg
回复

使用道具 举报 送花

  • 打卡等级:以坛为家I
  • 打卡总天数:264
  • 最近打卡:2025-12-14 08:48:12

811

主题

1万

回帖

2万

积分

管理员

积分
21209
发表于 2023-10-8 10:47:47 | 显示全部楼层
【一箭双雕之USB转双串口】, STC8H8K64U核心功能实验板中,和USB相关的演示程序

截图202310081101506337.jpg
回复

使用道具 举报 送花

  • 打卡等级:以坛为家I
  • 打卡总天数:264
  • 最近打卡:2025-12-14 08:48:12

811

主题

1万

回帖

2万

积分

管理员

积分
21209
发表于 2023-10-8 10:48:27 | 显示全部楼层
STC32G12K128实验箱中和USB相关的演示程序
截图202310081105094253.jpg
STC32G12K128实验箱中和CAN相关的演示程序,但要做实验必须飞线出去

===CAN的相关程序只是打包放在这实验箱程序包中,实验箱上没CAN的电路
===CAN的相关实验去 屠龙刀-STC32G12K128核心功能实验板 做
回复

使用道具 举报 送花

  • 打卡等级:以坛为家I
  • 打卡总天数:264
  • 最近打卡:2025-12-14 08:48:12

811

主题

1万

回帖

2万

积分

管理员

积分
21209
发表于 2023-10-8 10:49:52 | 显示全部楼层
屠龙刀-STC32G12K128核心功能实验板中,和USB相关的演示程序
屠龙刀-STC32G12K128核心功能实验板中,和CAN相关的演示程序
===必须补焊如下CAN的收发器电路才能做CAN的实验
截图202310081412545610.jpg
截图202310081110309106.jpg
屠龙刀-STC32G12K128核心功能实验板中,和CAN相关的演示程序
===必须补焊如下电路才能做CAN的实验
截图202310081114368882.jpg

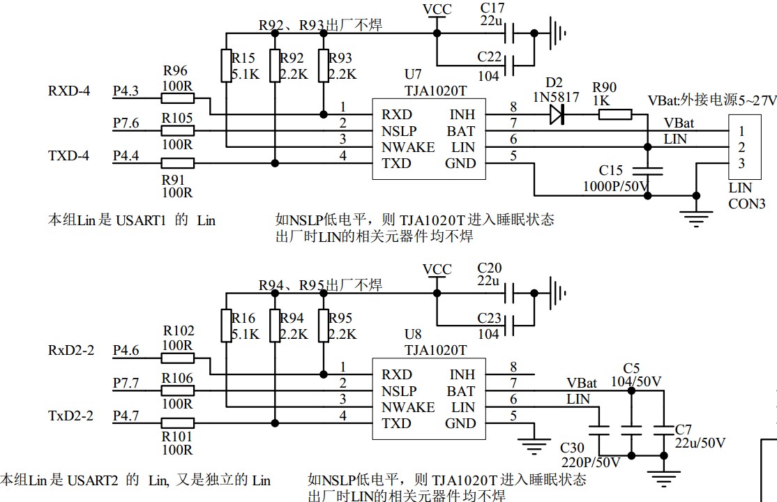
屠龙刀-STC32G12K128核心功能实验板中,和Lin相关的演示程序
===必须补焊如下电路才能做Lin的实验
截图202310081115441559.jpg





截图202310081411444808.jpg
回复

使用道具 举报 送花

  • 打卡等级:以坛为家I
  • 打卡总天数:264
  • 最近打卡:2025-12-14 08:48:12

811

主题

1万

回帖

2万

积分

管理员

积分
21209
发表于 2023-10-8 10:52:36 | 显示全部楼层
CAN 总线控制器我们STC是白送,
只要外部的 CAN收发器降到 <RMB1,
CAN 就会在 工业控制彻底普及

回复

使用道具 举报 送花

  • 打卡等级:以坛为家I
  • 打卡总天数:264
  • 最近打卡:2025-12-14 08:48:12

811

主题

1万

回帖

2万

积分

管理员

积分
21209
发表于 2023-10-8 10:55:05 | 显示全部楼层
占个好楼层,方便发资料
回复

使用道具 举报 送花

  • 打卡等级:以坛为家I
  • 打卡总天数:264
  • 最近打卡:2025-12-14 08:48:12

811

主题

1万

回帖

2万

积分

管理员

积分
21209
发表于 2023-10-8 10:55:09 | 显示全部楼层
占个好楼层,方便发资料
回复

使用道具 举报 送花

  • 打卡等级:以坛为家I
  • 打卡总天数:264
  • 最近打卡:2025-12-14 08:48:12

811

主题

1万

回帖

2万

积分

管理员

积分
21209
发表于 2023-10-8 10:55:12 | 显示全部楼层
占个好楼层,方便发资料
回复

使用道具 举报 送花

您需要登录后才可以回帖 登录 | 立即注册

本版积分规则

QQ|手机版|深圳国芯人工智能有限公司 ( 粤ICP备2022108929号-2 )

GMT+8, 2025-12-15 09:07 , Processed in 0.125215 second(s), 79 queries .

Powered by Discuz! X3.5

© 2001-2025 Discuz! Team.

快速回复 返回顶部 返回列表