找回密码
 立即注册
楼主: 神农鼎

USB转串口芯片, USB转双串口芯片, RMB1.4, 最高波特率10M bps, 支持自动停电/上电烧录

[复制链接]
  • 打卡等级:偶尔看看I
  • 打卡总天数:12
  • 最近打卡:2025-02-10 14:33:17

0

主题

18

回帖

50

积分

注册会员

积分
50
发表于 2024-2-21 14:51:57 | 显示全部楼层

这我知道啊,P3.5控制MOS管开启关闭啊
回复

使用道具 举报 送花

  • 打卡等级:偶尔看看I
  • 打卡总天数:12
  • 最近打卡:2025-02-10 14:33:17

0

主题

18

回帖

50

积分

注册会员

积分
50
发表于 2024-2-21 14:55:30 | 显示全部楼层

VCC是经过跳线帽选择的啊,并不是说VCC就一定是5V或3.3V,而且VCC也就是M-VCC,是由PNP三极管控制的啊,VCC是多少伏M-VCC就多少伏,
回复

使用道具 举报 送花

  • 打卡等级:偶尔看看I
  • 打卡总天数:12
  • 最近打卡:2025-02-10 14:33:17

0

主题

18

回帖

50

积分

注册会员

积分
50
发表于 2024-2-21 14:56:22 | 显示全部楼层

那P3.3是控制P3.5的电平状态吗
回复

使用道具 举报 送花

  • 打卡等级:以坛为家I
  • 打卡总天数:209
  • 最近打卡:2025-10-16 08:03:21

787

主题

1万

回帖

1万

积分

管理员

积分
19780
发表于 2024-2-21 18:03:19 | 显示全部楼层
你截个图,我们才能知到问啥,比如下图
P3.3如强推挽高, P3.6/P3.7, P1.0/P1.1 电平变化时,灯会闪
P3.3如强推挽低, P3.6/P3.7, P1.0/P1.1 电平变化时,灯不亮
截图202402211801492504.jpg



回复

使用道具 举报 送花

  • 打卡等级:常住居民III
  • 打卡总天数:112
  • 最近打卡:2025-09-21 21:41:03
已绑定手机

12

主题

122

回帖

223

积分

中级会员

积分
223
发表于 2024-3-12 11:13:27 | 显示全部楼层
Mark
回复

使用道具 举报 送花

  • 打卡等级:偶尔看看I
  • 打卡总天数:12
  • 最近打卡:2025-02-10 14:33:17

0

主题

18

回帖

50

积分

注册会员

积分
50
发表于 2024-3-13 22:14:39 | 显示全部楼层
是这个
截图202403132214239500.jpg
回复

使用道具 举报 送花

  • 打卡等级:偶尔看看I
  • 打卡总天数:12
  • 最近打卡:2025-02-10 14:33:17

0

主题

18

回帖

50

积分

注册会员

积分
50
发表于 2024-3-13 22:16:31 | 显示全部楼层
神*** 发表于 2024-2-21 18:03
你截个图,我们才能知到问啥,比如下图
P3.3如强推挽高, P3.6/P3.7, P1.0/P1.1 电平变化时,灯会闪
P3.3如 ...

姚总 是P3.3对地接了101电阻
回复

使用道具 举报 送花

  • 打卡等级:以坛为家I
  • 打卡总天数:209
  • 最近打卡:2025-10-16 08:03:21

787

主题

1万

回帖

1万

积分

管理员

积分
19780
发表于 2024-3-13 22:43:12 | 显示全部楼层

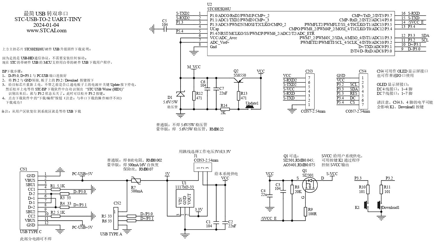
这是最简的 STC8H2K08U / STC8H2K12U 的 USB转双串口
截图202403132240231542.jpg


截图202403132242302478.jpg

https://www.stcaimcu.com/forum.p ... =6035&pid=53300

回复

使用道具 举报 送花

  • 打卡等级:以坛为家I
  • 打卡总天数:209
  • 最近打卡:2025-10-16 08:03:21

787

主题

1万

回帖

1万

积分

管理员

积分
19780
发表于 2024-3-13 22:44:04 | 显示全部楼层
截图202403132244018869.jpg
回复

使用道具 举报 送花

  • 打卡等级:初来乍到
  • 打卡总天数:9
  • 最近打卡:2025-08-26 17:05:30

0

主题

16

回帖

226

积分

中级会员

积分
226
发表于 2024-6-28 14:04:37 | 显示全部楼层
要是能支持双路485收发控制脚就好了.
回复

使用道具 举报 送花

您需要登录后才可以回帖 登录 | 立即注册

本版积分规则

QQ|手机版|深圳国芯人工智能有限公司 ( 粤ICP备2022108929号-2 )

GMT+8, 2025-10-16 14:47 , Processed in 0.136320 second(s), 100 queries .

Powered by Discuz! X3.5

© 2001-2025 Discuz! Team.

快速回复 返回顶部 返回列表