找回密码
 立即注册
查看: 4829|回复: 30

【求助】usb-cdc 的几块板子测试异常

[复制链接]
  • 打卡等级:初来乍到
  • 打卡总天数:8
  • 最近打卡:2025-06-06 14:39:45

1

主题

13

回帖

91

积分

注册会员

积分
91
发表于 2023-7-4 10:08:27 | 显示全部楼层 |阅读模式
使用芯片是STC8H8K64U-45I-TSSOP20做了几个实验


第一块实验

首先按文档的最简单cdc接线图用面包板搭建电路。外围的22R的电阻没接。UCAP的电容接上了。通电之后能识别,并且烧录程序之后了,cdc也识别出来了。


第二块实验

第二块板子就根据第一块面包板的必要元件,用洞洞板焊接的。

现象:前面几次通电和烧录程序是正常的,但是多测试了几次之后,芯片就直接识别不了了。

以为是usb线的问题,但是插在第一块面包实验板上,又是正常识别出cdc的。

后面把多余元件去掉只接必要的几个元件测试,也识别不了。怀疑芯片已经烧掉。


第三块实验

第三块是嘉立创根据原理图生产的板子。

现象:第一次上电和烧录程序正常,烧录程序之后,也识别出了cdc。但是我把电源切掉,重新上电之后,cdc再也识别不出来了。

使用预留的串口编程接口也识别不出芯片,怀疑芯片已经烧掉。


第四块实验

第四块也是嘉立创根据原理图生产的板子。

这次的实验步骤做了改变,先用串口通过预留的触点写入cdc程序。并用官方的stc-isp多次烧写程序和检测芯片,都正常。

接下来再焊接usb-cdc的元件,主要是UCAP电容和两个22R的电阻,上电之后,识别不出cdc。

这个时候用开始的预留串口也识别不出芯片了,怀疑芯片已经烧掉。




NZ9P6QJDNQN%]8D[J`1]4.png

原理图



IMG_20230630_001743.jpg

洞洞板


IMG_20230630_001748.jpg


IMG_20230702_220522.jpg

PCB



回复

使用道具 举报 送花

  • 打卡等级:常住居民II
  • 打卡总天数:86
  • 最近打卡:2025-10-21 11:25:53

25

主题

471

回帖

2964

积分

超级版主

积分
2964
发表于 2023-7-4 10:42:53 | 显示全部楼层
可以到原厂申请做好的核心板:
32位 8051 【屠龙刀-STC32G12K128核心功能实验板】
1T 8051,【开天斧-STC8H8K64U核心功能实验板】

【免费+包邮】 送/申样热线:0513-55012928、0513-55012929、0513-55012966
工作时间:  8:30-12:00  13:00-17:30(周一 到 周五, 法定节假日除外),也可加如下 QQ 或 微信 申请
加STC华南区客服刘经理QQ: 3398500488 ;微信:18106296592  要求 【免费+包邮】 送, 还免费教你仿真  
加STC华南区客服曹经理QQ:1933892258 ;微信:18106296595 要求 【免费+包邮】 送, 还免费教你仿真
加STC华东区客服聂经理QQ:2593903262;微信:18106296598  要求 【免费+包邮】 送, 还免费教你仿真
加STC西北区客服孙经理QQ: 1347154513 ;微信:18106296593  要求 【免费+包邮】 送, 还免费教你仿真
加STC华北区客服石经理QQ: 1638975601 ;微信:19952583876  要求 【免费+包邮】 送, 还免费教你仿真
加STC华中区客服唐经理QQ:2571301708 ;微信:18106296589 要求 【免费+包邮】 送, 还免费教你仿真
加STC东北区客服张经理QQ:3141888640 ;微信:19952583265   要求 【免费+包邮】 送, 还免费教你仿真
加STC西南区客服张经理QQ:3141888640 ;微信:19952583265   要求 【免费+包邮】 送, 还免费教你仿真


电话:0513-55012946 QQ:2195591714  微信:  19952583740
回复

使用道具 举报 送花

  • 打卡等级:初来乍到
  • 打卡总天数:8
  • 最近打卡:2025-06-06 14:39:45

1

主题

13

回帖

91

积分

注册会员

积分
91
发表于 2023-7-4 13:37:25 | 显示全部楼层
STC32G12*** 发表于 2023-7-4 10:42
可以到原厂申请做好的核心板:
32位 8051 【屠龙刀-STC32G12K128核心功能实验板】
1T 8051,【开天斧-STC8H ...

现在主要是能不能有经验的帮忙分析一下有可能是什么原因导致的这一系列的问题,因为面包板搭建的那块板子一直都是正常的。
回复

使用道具 举报 送花

  • 打卡等级:以坛为家I
  • 打卡总天数:220
  • 最近打卡:2025-10-27 10:04:11

791

主题

1万

回帖

2万

积分

管理员

积分
20082
发表于 2023-7-4 13:46:53 | 显示全部楼层
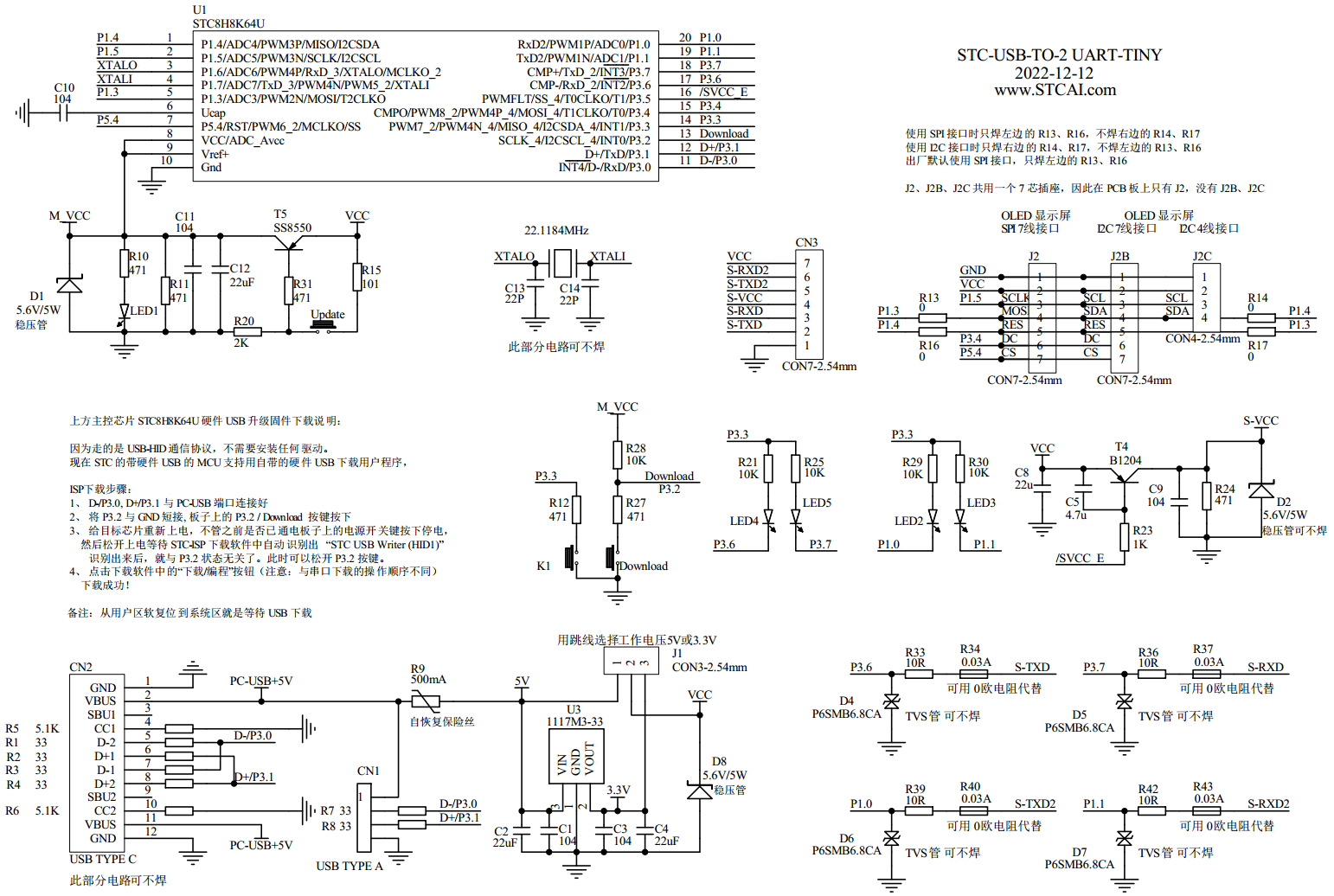
深圳国芯人工智能有限公司-核心功能实验板 (stcai.com)
1.png
看上面【一箭双雕的原理图】,搞正规点

2.png


回复

使用道具 举报 送花

  • 打卡等级:初来乍到
  • 打卡总天数:8
  • 最近打卡:2025-06-06 14:39:45

1

主题

13

回帖

91

积分

注册会员

积分
91
发表于 2023-7-6 11:55:18 | 显示全部楼层
更新一下实验现象,记录一下。
现象:
1、第一块面包板的芯片多次测试,依然很轻松就能识别到cdc
2、其他三片芯片重新焊下来用转接板焊上,放在面包板上测试,都识别不出cdc
3、尝试用串口烧录器检测和识别三片识别不了cdc的芯片,都能检测到芯片并烧写程序,但就是识别不出cdc。
4、之前认为三片识别不了的芯片烧坏了,但是从第三点看出,还能烧写程序,应该不至于坏了?
5、识别三片坏的芯片,对比第一片好的芯片,发现第一片的IRC是 24MHZ, 其他三片都是11.0592 MHZ。于是三片识别不了的重新烧写程序并把IRC调到24MHZ,但是依然识别不了。是否跟这个第一次烧写的时候的IRC有关系???
6、因为手里只有这4片,并且买的新的芯片还在路上。后续打算测试一下三片识别不了的片子所有io口是否还能正常使用。新芯片到了之后再按第一片板子的流程走走看能不能正常识别,并且看看能不能重现三片坏片子的故障。

状态
第一片:正常
第二片:能用烧录器烧写程序,识别不出cdc,也识别不出hid
第三片:能用烧录器烧写程序,识别不出cdc,也识别不出hid
第四片:  能用烧录器烧写程序,识别不出cdc,也识别不出hid


后面有进展的话,持续更新
回复

使用道具 举报 送花

  • 打卡等级:初来乍到
  • 打卡总天数:8
  • 最近打卡:2025-06-06 14:39:45

1

主题

13

回帖

91

积分

注册会员

积分
91
发表于 2023-7-7 14:47:50 | 显示全部楼层
新的芯片到了,更新一下昨晚的实验现象
现象:
1、四片芯片,用二极管档量了一下P3.0,P3.1口。发现了一个规律,就是第一片能识别usb-cdc的,电压是0.65V。 其他三片都是0.45V。巧合???
2、今天在群里问了一遍之后,都认为这个电压没关系,那就没关系吧。
3、新到的芯片,分了两组测试,一组是 0.65V的, 一组是0.45V的。用编程器烧录程序,没有用usb烧录。
4、第一次烧录程序的时候,都是正常的。但后面就发生一系列诡异现象。0.45V的芯片后续有一定概率不能再次烧录程序, 0.65V的有一定概率变成0.45V。
5、最后这批新的芯片测试了几片,有些能正常识别,但是只是识别了几十秒。有些直接就识别不出来。群里有人说跟电压没关系,那就不按电压分组了。
6、后续又测试八九片,基本都是类似的问题。目前仍然只有那唯一的一片能正常使用的,并且多次编程依然能够正常使用的。
7、后面群里大神给的建议,就是先严格按官方的原理图画图,申请专用的编程器再试试。

状态
一共测试了将近十片,只有一片能正常识别。

后面有进展的话,持续更新

回复

使用道具 举报 送花

  • 打卡等级:初来乍到
  • 打卡总天数:8
  • 最近打卡:2025-06-06 14:39:45

1

主题

13

回帖

91

积分

注册会员

积分
91
发表于 2023-7-8 09:36:41 | 显示全部楼层
又测试了几片,现在基本能确认的是,跟这个电压没有关系。
昨晚换了操作方式,大部分都能识别cdc了,但是识别了半分钟左右就会断掉,断掉之后无论是cdc,还是通过编程器识别串口,都识别不出来。
那基本能确定是电路设计的问题。有个十来片现在已经识别不出来了,估计确实是烧掉了。
现在想,要么就是供电问题,要么就是P3.0,P3.1 连线问题 ?

一直用的都是官方提供的范例程序测试,后面打算刷些别的程序试一下。不走cdc的话,芯片运行还是否正常。
回复

使用道具 举报 送花

  • 打卡等级:初来乍到
  • 打卡总天数:8
  • 最近打卡:2025-06-06 14:39:45

1

主题

13

回帖

91

积分

注册会员

积分
91
发表于 2023-7-8 11:30:36 | 显示全部楼层
重新研究了一番,基本能断定就是供电的问题了,
文档写着 “可以从usb取电”  我理解成直接把usb线接到mcu就好了。
后续改了供电系统再测试。
回复

使用道具 举报 送花

  • 打卡等级:常住居民II
  • 打卡总天数:86
  • 最近打卡:2025-10-21 11:25:53

25

主题

471

回帖

2964

积分

超级版主

积分
2964
发表于 2023-7-8 13:13:34 | 显示全部楼层
就是先严格按官方的原理图画图,然后再测试,USB线最好用带D+,D-的,具有数据传输功能的线。
电话:0513-55012946 QQ:2195591714  微信:  19952583740
回复

使用道具 举报 送花

  • 打卡等级:常住居民II
  • 打卡总天数:86
  • 最近打卡:2025-10-21 11:25:53

25

主题

471

回帖

2964

积分

超级版主

积分
2964
发表于 2023-7-8 13:22:41 | 显示全部楼层

1.png

2.png

3.png

电话:0513-55012946 QQ:2195591714  微信:  19952583740
回复

使用道具 举报 送花

您需要登录后才可以回帖 登录 | 立即注册

本版积分规则

QQ|手机版|深圳国芯人工智能有限公司 ( 粤ICP备2022108929号-2 )

GMT+8, 2025-10-27 22:41 , Processed in 0.149976 second(s), 94 queries .

Powered by Discuz! X3.5

© 2001-2025 Discuz! Team.

快速回复 返回顶部 返回列表