找回密码
 立即注册
楼主: 梁工

32G12K128-四轴飞控, 容易入门的四轴飞控,高校学生学习首选

  [复制链接]
  • 打卡等级:以坛为家III
  • 打卡总天数:611
  • 最近打卡:2025-10-29 07:52:55

3

主题

122

回帖

2098

积分

金牌会员

积分
2098
发表于 2024-5-9 10:48:07 | 显示全部楼层
我发现STC的都是人才啊,不光懂电子,还会空气动力学,牛的一批
You can you up!~No can no BB!~
回复

使用道具 举报 送花

0

主题

13

回帖

42

积分

新手上路

积分
42
发表于 2024-5-10 12:56:26 | 显示全部楼层
本帖最后由 little 于 2024-5-10 13:00 编辑

老师这个该怎么连接,遥控只有三通道咋办,前后和左右和按下(遥控的原理图)
截图202405101255087721.jpg

点评

接2个电位、一个按键即可。  详情 回复 发表于 2024-5-10 13:12
回复

使用道具 举报 送花

0

主题

13

回帖

42

积分

新手上路

积分
42
发表于 2024-5-10 12:58:01 | 显示全部楼层
老师这个又是什么(遥控的原理图)
截图202405101257521495.jpg

点评

0.96寸OLED12864接口。  详情 回复 发表于 2024-5-10 13:11
回复

使用道具 举报 送花

0

主题

13

回帖

42

积分

新手上路

积分
42
发表于 2024-5-10 12:58:18 | 显示全部楼层
lit*** 发表于 2024-5-10 12:56
老师这个该怎么连接,遥控只有三通道咋办,前后和左右和按下

遥控的原理图
回复

使用道具 举报 送花

  • 打卡等级:以坛为家I
  • 打卡总天数:215
  • 最近打卡:2025-10-30 10:24:20

83

主题

6815

回帖

1万

积分

超级版主

积分
14602
发表于 2024-5-10 13:11:11 | 显示全部楼层
lit*** 发表于 2024-5-10 12:58
老师这个又是什么(遥控的原理图)

0.96寸OLED12864接口。
回复

使用道具 举报 送花

  • 打卡等级:以坛为家I
  • 打卡总天数:215
  • 最近打卡:2025-10-30 10:24:20

83

主题

6815

回帖

1万

积分

超级版主

积分
14602
发表于 2024-5-10 13:12:27 | 显示全部楼层
lit*** 发表于 2024-5-10 12:56
老师这个该怎么连接,遥控只有三通道咋办,前后和左右和按下(遥控的原理图) ...

接2个电位、一个按键即可。
回复

使用道具 举报 送花

0

主题

13

回帖

42

积分

新手上路

积分
42
发表于 2024-5-13 11:17:11 | 显示全部楼层
梁*** 发表于 2024-5-10 13:12
接2个电位、一个按键即可。

老师左手油门是ADC7,右手左右是ADC3那其他的ADC是干嘛用的

点评

左手油门、航向,右手俯仰、横滚,摇杆4个通道的ADC。 其余的ADC是一些小型电位器,用于调整参数、增加控制执行机构等等,随意定义,比如可以控制云台的俯仰角度。  详情 回复 发表于 2024-5-13 13:51
回复

使用道具 举报 送花

  • 打卡等级:以坛为家I
  • 打卡总天数:215
  • 最近打卡:2025-10-30 10:24:20

83

主题

6815

回帖

1万

积分

超级版主

积分
14602
发表于 2024-5-13 13:51:56 | 显示全部楼层
lit*** 发表于 2024-5-13 11:17
老师左手油门是ADC7,右手左右是ADC3那其他的ADC是干嘛用的

左手油门、航向,右手俯仰、横滚,摇杆4个通道的ADC。
其余的ADC是一些小型电位器,用于调整参数、增加控制执行机构等等,随意定义,比如可以控制云台的俯仰角度。
回复

使用道具 举报 送花

0

主题

13

回帖

42

积分

新手上路

积分
42
发表于 2024-5-13 15:10:21 | 显示全部楼层
梁*** 发表于 2024-5-13 13:51
左手油门、航向,右手俯仰、横滚,摇杆4个通道的ADC。
其余的ADC是一些小型电位器,用于调整参数、增加控 ...

谢谢老师,终于懂了
回复

使用道具 举报 送花

0

主题

13

回帖

42

积分

新手上路

积分
42
发表于 2024-5-13 15:43:06 | 显示全部楼层
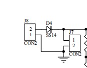
老师这两个J7、J8是干嘛用的,J8是电源接口吗
截图202405131542248746.jpg
截图202405131542593337.jpg

点评

J7:3.7V锂电池带保护板。 J8:充电输入5V,限流500mA。用于给电池充电的。  详情 回复 发表于 2024-5-13 15:49
回复

使用道具 举报 送花

您需要登录后才可以回帖 登录 | 立即注册

本版积分规则

QQ|手机版|深圳国芯人工智能有限公司 ( 粤ICP备2022108929号-2 )

GMT+8, 2025-10-30 11:22 , Processed in 0.152035 second(s), 107 queries .

Powered by Discuz! X3.5

© 2001-2025 Discuz! Team.

快速回复 返回顶部 返回列表