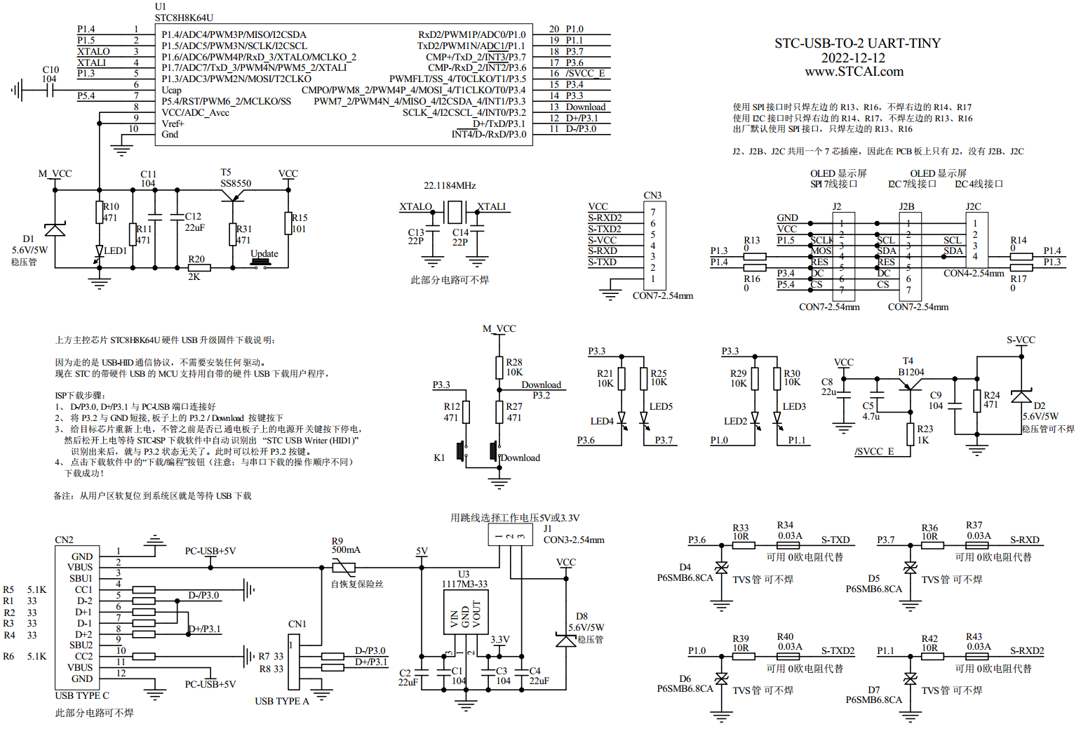
这个是:
1, 全自动停电/上电烧录器+USB转串口;
2, USB转双串口;
3, USB转串口+USB转SPI;
4, USB转串口+USB转I2C
一箭双雕之USB转双串口:
USB-CDC1串口仿真<===>支持STC8 / IAP15W4K在线仿真
USB-CDC2串口 支持第二组串口通信

【免费+包邮】 送/申样热线:0513-55012928、0513-55012929、0513-55012966
工作时间: 8:30-12:00 13:00-17:30(周一 到 周五, 法定节假日除外)
加STC华南区客服刘经理QQ: 3398500488 ;微信:18106296592
加STC华南区客服曹经理QQ:1933892258 ;微信:18106296595
加STC华东区客服聂经理QQ:2593903262;微信:18106296598
加STC西北区客服孙经理QQ: 1347154513 ;微信:18106296593
加STC华北区客服石经理QQ: 1638975601 ;微信:19952583876
加STC华中区客服唐经理QQ:2571301708 ;微信:18106296589
加STC东北区客服张经理QQ:3141888640 ;微信:19952583265
加STC西南区客服张经理QQ:3141888640 ;微信:19952583265
加STC西南区客服张经理QQ:3141888640 ;微信:19952583265
通过新分销商的 STCMCU 商铺 购买产品的操作手册 简介:江苏芯安集成电路设计有限公司是STC官方授权的分销商, 现芯安上线 微信【小程序商城】,方便客户线上购买。操作流程如下: 一、如何找到 STCMCU 商铺 1. 可以扫描下方微信二维码进入关注STCMCU 公众号,通过公众号菜单进入; 2. 也可直接在微信搜索STCMCU,关注公众号或直接进入STCMCU 商铺。
|