找回密码
 立即注册
查看: 88|回复: 4

屠龙刀3.2版本的显示屏接口有误导

[复制链接]
  • 打卡等级:以坛为家III
  • 打卡总天数:736
  • 最近打卡:2026-04-04 00:36:34
已绑定手机

4

主题

15

回帖

1462

积分

金牌会员

积分
1462
发表于 2026-3-7 23:37:10 来自手机 | 显示全部楼层 |阅读模式
积分兑换到屠龙刀,准备用显示屏点亮,准备用1.8寸的 7735s屏幕学习,
开始怎么也不能点亮,只有背光,后在论坛上搜索例程修改引脚,
不能使用,不按丝印,按原例程,就能点亮,
才发现丝印的引脚标识有误(如下图)。
将丝印的 【P24, P22,P26】在程序里识别为【P20,P21,P22】就可以了


IMG_20260307_232438379_HDR.jpg

IMG_20260307_233552486_HDR.jpg
回复

使用道具 举报 送花

  • 打卡等级:以坛为家I
  • 打卡总天数:209
  • 最近打卡:2026-04-04 14:50:05
已绑定手机

15

主题

289

回帖

1502

积分

金牌会员

DIY玩家

积分
1502
发表于 2026-3-8 00:15:10 | 显示全部楼层
可能版本有更新
真正的学徒往往怀着大师的心
回复

使用道具 举报 送花

  • 打卡等级:以坛为家III
  • 打卡总天数:757
  • 最近打卡:2026-04-04 04:25:08
已绑定手机

19

主题

3352

回帖

6979

积分

论坛元老

积分
6979
发表于 2026-3-8 11:00:48 | 显示全部楼层
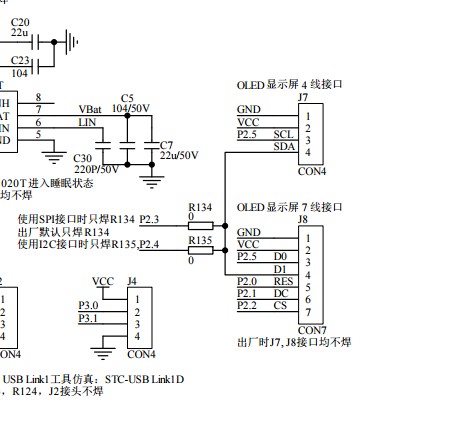
看原理图没问题啊,可能标错了
截图202603081100162931.jpg
回复

使用道具 举报 送花

  • 打卡等级:以坛为家III
  • 打卡总天数:736
  • 最近打卡:2026-04-04 00:36:34
已绑定手机

4

主题

15

回帖

1462

积分

金牌会员

积分
1462
发表于 2026-3-8 22:31:47 来自手机 | 显示全部楼层
soma 发表于 2026-3-8 11:00
看原理图没问题啊,可能标错了

那就应该只是丝印错了吧
回复

使用道具 举报 送花

  • 打卡等级:以坛为家II
  • 打卡总天数:433
  • 最近打卡:2026-04-04 11:40:13
已绑定手机

4

主题

59

回帖

2044

积分

金牌会员

积分
2044
发表于 2026-3-19 10:30:16 来自手机 | 显示全部楼层
丝印确实是错的!看原理图就行了
回复

使用道具 举报 送花

您需要登录后才可以回帖 登录 | 立即注册

本版积分规则

QQ|手机版|深圳国芯人工智能有限公司 ( 粤ICP备2022108929号-2 )

GMT+8, 2026-4-4 22:09 , Processed in 0.109874 second(s), 70 queries .

Powered by Discuz! X3.5

© 2001-2026 Discuz! Team.

快速回复 返回顶部 返回列表