找回密码
 立即注册
楼主: YangHY

屠龙刀三can

[复制链接]
  • 打卡等级:偶尔看看III
  • 打卡总天数:55
  • 最近打卡:2026-03-03 08:35:54
已绑定手机

5

主题

1092

回帖

1374

积分

金牌会员

积分
1374
发表于 2026-1-7 18:25:02 | 显示全部楼层
神*** 发表于 2026-1-7 18:14
要 做到 USB不停电下载;
要 尝试 AiCube 图形化自动配置生成程序工具;
推荐优先看的:  

谢谢版主,好的,我再学习一次!
回复

使用道具 举报 送花

  • 打卡等级:偶尔看看III
  • 打卡总天数:55
  • 最近打卡:2026-03-03 08:35:54
已绑定手机

5

主题

1092

回帖

1374

积分

金牌会员

积分
1374
发表于 2026-1-7 18:26:58 | 显示全部楼层
但是我们生成的发送函数名称有下划线:

截图202601071826563040.jpg
回复

使用道具 举报 送花

  • 打卡等级:偶尔看看III
  • 打卡总天数:55
  • 最近打卡:2026-03-03 08:35:54
已绑定手机

5

主题

1092

回帖

1374

积分

金牌会员

积分
1374
发表于 2026-1-7 18:37:22 | 显示全部楼层
CAN_SendMsg

大小写也不一样,要注意改写对................

接收部分也同样要复制

接受完在USB-CDC串口打印出来:

替换接受标志:


截图202601071837202614.jpg
回复

使用道具 举报 送花

  • 打卡等级:偶尔看看III
  • 打卡总天数:55
  • 最近打卡:2026-03-03 08:35:54
已绑定手机

5

主题

1092

回帖

1374

积分

金牌会员

积分
1374
发表于 2026-1-7 18:45:24 | 显示全部楼层
这几个常数我们也要用:

截图202601071845216804.jpg
回复

使用道具 举报 送花

  • 打卡等级:偶尔看看III
  • 打卡总天数:55
  • 最近打卡:2026-03-03 08:35:54
已绑定手机

5

主题

1092

回帖

1374

积分

金牌会员

积分
1374
发表于 2026-1-7 18:51:46 | 显示全部楼层
到此版主就可以顺利编译

但是我们就遇到提示:

CAN_DataDef CAN1_TX;     //发送是一帧一帧的来发
  CAN_DataDef CAN1_RX[8]; //接受缓冲区要大点,来不及处理先放在缓冲区
  
  CAN_DataDef CAN2_TX;     //发送是一帧一帧的来发
  CAN_DataDef CAN2_RX[8]; //接受缓冲区要大点,来不及处理先放在缓冲区

中的“X” 要改成“x”!

CAN_DataDef CAN1_Tx;     //发送是一帧一帧的来发
  CAN_DataDef CAN1_Rx[8]; //接受缓冲区要大点,来不及处理先放在缓冲区
  
  CAN_DataDef CAN2_Tx;     //发送是一帧一帧的来发
  CAN_DataDef CAN2_Rx[8]; //接受缓冲区要大点,来不及处理先放在缓冲区
回复

使用道具 举报 送花

  • 打卡等级:偶尔看看III
  • 打卡总天数:55
  • 最近打卡:2026-03-03 08:35:54
已绑定手机

5

主题

1092

回帖

1374

积分

金牌会员

积分
1374
发表于 2026-1-7 19:28:18 | 显示全部楼层
用24MHZ把hex文件烧录进屠龙刀:

就可以在USB-CDC串口看到:

截图202601071928154194.jpg
回复

使用道具 举报 送花

  • 打卡等级:以坛为家II
  • 打卡总天数:418
  • 最近打卡:2026-05-29 11:30:12

851

主题

1万

回帖

2万

积分

管理员

积分
23300
发表于 2026-1-7 19:34:46 | 显示全部楼层
回复

使用道具 举报 送花

  • 打卡等级:偶尔看看III
  • 打卡总天数:55
  • 最近打卡:2026-03-03 08:35:54
已绑定手机

5

主题

1092

回帖

1374

积分

金牌会员

积分
1374
发表于 2026-1-7 19:37:40 | 显示全部楼层
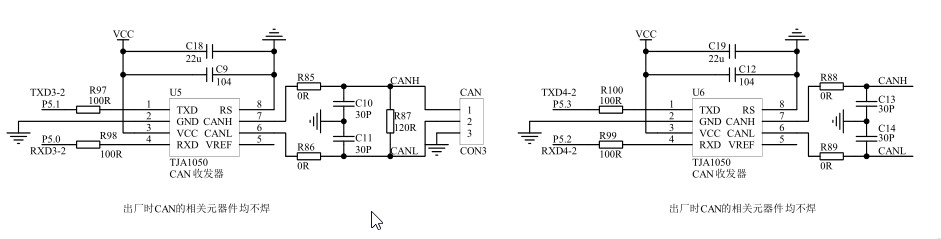
其实,一开始我买的屠龙刀,是不带CAN 总线收发器的

导致烧录下载后没反应:

实际上你看电路图:

装了CAN收发器TJA1050的,2个CAN 收发器的CANH和CANL是接在一起的!

所以是可以互相收发数据,并且R87也并联在CANH和CANL之间,不用考虑接线啦

这样不是太好,还是要改为2块屠龙刀,相互用CAN传输数据才明显

看看结合LCD12864,能否改进一下?
截图202601071931272830.jpg

STC32G12K128_CAN.zip

513.39 KB, 下载次数: 3

回复

使用道具 举报 送花

  • 打卡等级:偶尔看看III
  • 打卡总天数:55
  • 最近打卡:2026-03-03 08:35:54
已绑定手机

5

主题

1092

回帖

1374

积分

金牌会员

积分
1374
发表于 2026-1-7 19:43:47 | 显示全部楼层
神*** 发表于 2026-1-7 19:34
CAN, 图形化程序自动生成, AiCube,USB转2组CAN | Lin 图形化程序自动生成 - CAN/Lin/最便宜的车规MCU, A ...

感谢管理员大大提醒,多谢多谢多谢!
回复

使用道具 举报 送花

  • 打卡等级:偶尔看看III
  • 打卡总天数:55
  • 最近打卡:2026-03-03 08:35:54
已绑定手机

5

主题

1092

回帖

1374

积分

金牌会员

积分
1374
发表于 2026-1-15 21:38:15 | 显示全部楼层
关于屠龙刀三,我这几天发现,有2个版本

1是2023/5/15,这个版本的,我买了2块,发现有个问题,就是我们做双机串口3--串口4通讯的时候

本来是要P24单独亮的,结果是P24 P25一起亮,灭的时候也是,好像板子有短路

我反复检查软件,都觉得没问题,偶然发现有2023/11/21 生产的屠龙刀,就又下单买了2块, 同样的软件环境,就一切

正常啦!说明2023/5/15,这个版本的屠龙刀,P24 P25在我做串口3和串口4双机通讯的时候,是短路的,当然门电路是复杂

的,其他情况下也没发现短路!

回复

使用道具 举报 送花

您需要登录后才可以回帖 登录 | 立即注册

本版积分规则

QQ|手机版|深圳国芯人工智能有限公司 ( 粤ICP备2022108929号-2 )

GMT+8, 2026-5-30 04:47 , Processed in 0.114519 second(s), 82 queries .

Powered by Discuz! X3.5

© 2001-2026 Discuz! Team.

快速回复 返回顶部 返回列表