找回密码
 立即注册
查看: 695|回复: 21

屠龙刀三can

[复制链接]
  • 打卡等级:偶尔看看III
  • 打卡总天数:55
  • 最近打卡:2026-03-03 08:35:54
已绑定手机

5

主题

1092

回帖

1374

积分

金牌会员

积分
1374
发表于 2026-1-7 17:00:41 | 显示全部楼层 |阅读模式
今天开始学习CAN总线:

屠龙刀例程包里看14:


截图202601071700313251.jpg
回复

使用道具 举报 送花

  • 打卡等级:偶尔看看III
  • 打卡总天数:55
  • 最近打卡:2026-03-03 08:35:54
已绑定手机

5

主题

1092

回帖

1374

积分

金牌会员

积分
1374
发表于 2026-1-7 17:09:14 | 显示全部楼层
https://www.stcaimcu.com/thread-19093-1-1.html

CAN, 图形化程序自动生成, AiCube,USB转2组CAN | Lin 图形化程序自动生成 [复制链接]

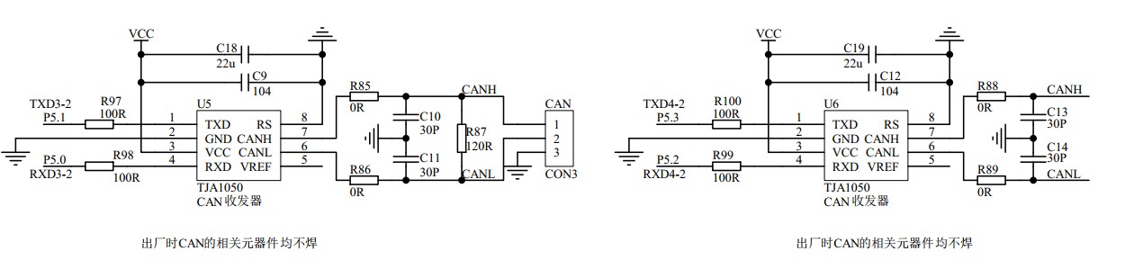
先跟着 版主“乘风***“  走一遍:

这个例子是CAN1和CAN2之间收发练习,我在还没有试验箱的情况下,先买个屠龙刀三(带CAN收发器的那种)

回来学习一下CAN总线的使用方法:

首先查清楚原理图:



截图202601071709489660.jpg
回复

使用道具 举报 送花

  • 打卡等级:偶尔看看III
  • 打卡总天数:55
  • 最近打卡:2026-03-03 08:35:54
已绑定手机

5

主题

1092

回帖

1374

积分

金牌会员

积分
1374
发表于 2026-1-7 18:08:33 | 显示全部楼层
从图中可知:

CAN1的CAN数据传输,用了P5.0当TXD3-2,P5.1当RXD3-2

CAN2的CAN数据传输,用了P5.3当TXD4-2,P5.2当RXD4-2

先定义发送和接受的缓冲区:

截图202601071808301352.jpg
回复

使用道具 举报 送花

  • 打卡等级:偶尔看看III
  • 打卡总天数:55
  • 最近打卡:2026-03-03 08:35:54
已绑定手机

5

主题

1092

回帖

1374

积分

金牌会员

积分
1374
发表于 2026-1-7 18:10:36 | 显示全部楼层
接着打开屠龙刀三的例程包的14:

截图202601071810321585.jpg
回复

使用道具 举报 送花

  • 打卡等级:偶尔看看III
  • 打卡总天数:55
  • 最近打卡:2026-03-03 08:35:54
已绑定手机

5

主题

1092

回帖

1374

积分

金牌会员

积分
1374
发表于 2026-1-7 18:13:06 | 显示全部楼层
先复制这2句过来:

截图202601071813033400.jpg
回复

使用道具 举报 送花

  • 打卡等级:以坛为家II
  • 打卡总天数:418
  • 最近打卡:2026-05-29 11:30:12

851

主题

1万

回帖

2万

积分

管理员

积分
23300
发表于 2026-1-7 18:14:32 | 显示全部楼层
要 做到 USB不停电下载
要 尝试 AiCube 图形化自动配置生成程序工具
推荐优先看的:  
printf_usb("Hello World !\r\n")
USB不停电下载, 演示视频链接:
https://www.stcaimcu.com/thread-19077-1-1.html

下载 最新的 AiCube-ISP-V6.96N 或以上版本软件 !

深圳国芯人工智能有限公司-工具软件

下载 最新的 USB库函数,永远用最新的 USB库函数 !
深圳国芯人工智能有限公司-库函数
下载 最新的 用户手册 !
下载 最新的 上机实践指导书 !

下载 最新的 STC32G12K128 用户手册
https://www.stcaimcu.com/data/download/Datasheet/STC32G.pdf

下载 最新的 STC32G12K128 实验指导书
AiCube 图形化自动配置生成程序工具使用说明
https://www.stcaimcu.com/data/do ... %AF%BC%E4%B9%A6.pdf


上面是 小李 演示:STC32G12K128, printf_usb("Hello World !\r\n")及usb不停电下载@AiCube之图形化程序自动生成
回复

使用道具 举报 送花

  • 打卡等级:偶尔看看III
  • 打卡总天数:55
  • 最近打卡:2026-03-03 08:35:54
已绑定手机

5

主题

1092

回帖

1374

积分

金牌会员

积分
1374
发表于 2026-1-7 18:14:57 | 显示全部楼层
copy 到我们的main.c:

截图202601071814544434.jpg
回复

使用道具 举报 送花

  • 打卡等级:偶尔看看III
  • 打卡总天数:55
  • 最近打卡:2026-03-03 08:35:54
已绑定手机

5

主题

1092

回帖

1374

积分

金牌会员

积分
1374
发表于 2026-1-7 18:21:08 | 显示全部楼层
把初始化的数据也复制过来:


截图202601071821067657.jpg
回复

使用道具 举报 送花

  • 打卡等级:偶尔看看III
  • 打卡总天数:55
  • 最近打卡:2026-03-03 08:35:54
已绑定手机

5

主题

1092

回帖

1374

积分

金牌会员

积分
1374
发表于 2026-1-7 18:22:04 | 显示全部楼层
接着copy发送的代码:

截图202601071822023361.jpg
回复

使用道具 举报 送花

  • 打卡等级:偶尔看看III
  • 打卡总天数:55
  • 最近打卡:2026-03-03 08:35:54
已绑定手机

5

主题

1092

回帖

1374

积分

金牌会员

积分
1374
发表于 2026-1-7 18:23:51 | 显示全部楼层
要放对位置:

截图202601071823496688.jpg
回复

使用道具 举报 送花

您需要登录后才可以回帖 登录 | 立即注册

本版积分规则

QQ|手机版|深圳国芯人工智能有限公司 ( 粤ICP备2022108929号-2 )

GMT+8, 2026-5-30 04:47 , Processed in 0.115579 second(s), 85 queries .

Powered by Discuz! X3.5

© 2001-2026 Discuz! Team.

快速回复 返回顶部 返回列表