找回密码
 立即注册
查看: 2330|回复: 19

STC32G12K128 DATA-FLASH/EEPROM

[复制链接]
  • 打卡等级:以坛为家II
  • 打卡总天数:587
  • 最近打卡:2026-05-09 08:24:51
已绑定手机

3

主题

150

回帖

1246

积分

金牌会员

积分
1246
发表于 2025-12-3 09:57:22 | 显示全部楼层 |阅读模式

STC32G12K128丢参数

下载程序,设置参数,运行约3小时;
后来重设,运行约24小时。何原因引起。

回复

使用道具 举报 送花

  • 打卡等级:以坛为家II
  • 打卡总天数:587
  • 最近打卡:2026-05-09 08:24:51
已绑定手机

3

主题

150

回帖

1246

积分

金牌会员

积分
1246
发表于 2025-12-3 10:04:12 | 显示全部楼层
MCU图
截图202512031003399159.jpg
回复

使用道具 举报 送花

  • 打卡等级:以坛为家II
  • 打卡总天数:587
  • 最近打卡:2026-05-09 08:24:51
已绑定手机

3

主题

150

回帖

1246

积分

金牌会员

积分
1246
发表于 2025-12-3 10:04:59 | 显示全部楼层
电源图

电源

电源
回复

使用道具 举报 送花

  • 打卡等级:以坛为家II
  • 打卡总天数:587
  • 最近打卡:2026-05-09 08:24:51
已绑定手机

3

主题

150

回帖

1246

积分

金牌会员

积分
1246
发表于 2025-12-3 10:05:57 | 显示全部楼层
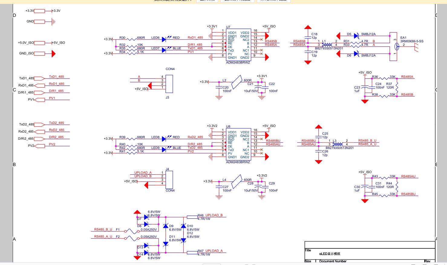
485通信图

485通信

485通信
回复

使用道具 举报 送花

  • 打卡等级:以坛为家II
  • 打卡总天数:587
  • 最近打卡:2026-05-09 08:24:51
已绑定手机

3

主题

150

回帖

1246

积分

金牌会员

积分
1246
发表于 2025-12-3 10:13:50 | 显示全部楼层
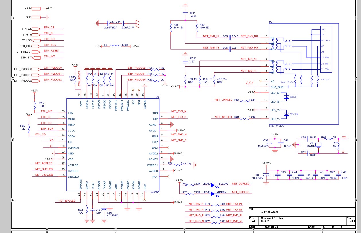
网口图

网口

网口
回复

使用道具 举报 送花

  • 打卡等级:以坛为家II
  • 打卡总天数:587
  • 最近打卡:2026-05-09 08:24:51
已绑定手机

3

主题

150

回帖

1246

积分

金牌会员

积分
1246
发表于 2025-12-3 10:15:14 | 显示全部楼层
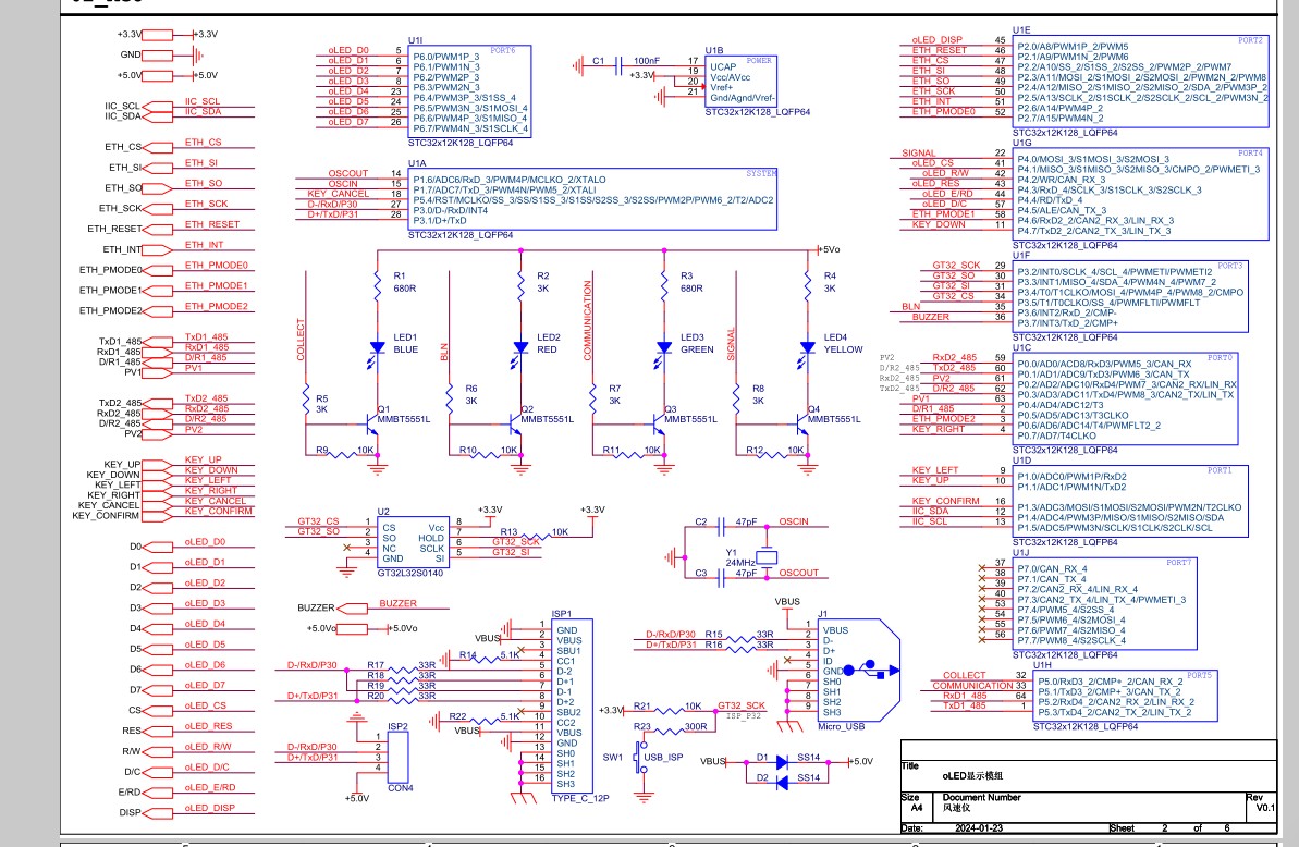
按键,显示接口,蜂鸣器图

按键,显示接口,蜂鸣器

按键,显示接口,蜂鸣器
回复

使用道具 举报 送花

  • 打卡等级:以坛为家II
  • 打卡总天数:531
  • 最近打卡:2026-05-10 13:43:17
已绑定手机

108

主题

4377

回帖

9802

积分

荣誉版主

无情的代码机器

积分
9802
发表于 2025-12-3 10:43:14 | 显示全部楼层
请问是EEPROM中保存的参数运行中丢失?

和软件是否有关系,方便的话打包上传工程看看,长时间跑简单的EEPROM例程是否异常?

只见过坛友反馈一种问题场景:硬件工作在强电磁辐射环境中?


三天不学习,赶不上刘少奇~
回复

使用道具 举报 送花

  • 打卡等级:常住居民III
  • 打卡总天数:168
  • 最近打卡:2026-05-09 14:08:02

51

主题

1380

回帖

3541

积分

超级版主

积分
3541
发表于 2025-12-3 11:00:25 | 显示全部楼层
EEPROM的使用 请 配合比较器做掉电检测 | 唯一正解,电力系统标准应用
https://www.stcaimcu.com/thread-1280-1-1.html
(出处: 国芯人工智能技术交流网站)

截图202512031100332042.jpg
STC官网:https://www.stcai.com/
QQ:2593903262
微信号:18106296598
回复

使用道具 举报 送花

  • 打卡等级:以坛为家II
  • 打卡总天数:587
  • 最近打卡:2026-05-09 08:24:51
已绑定手机

3

主题

150

回帖

1246

积分

金牌会员

积分
1246
发表于 2025-12-3 11:03:06 | 显示全部楼层
erci*** 发表于 2025-12-3 10:43
请问是EEPROM中保存的参数运行中丢失?

和软件是否有关系,方便的话打包上传工程看看,长时间跑简单的EEPR ...

请问是EEPROM中保存的参数运行中丢失?用那种方法
回复

使用道具 举报 送花

  • 打卡等级:以坛为家II
  • 打卡总天数:587
  • 最近打卡:2026-05-09 08:24:51
已绑定手机

3

主题

150

回帖

1246

积分

金牌会员

积分
1246
发表于 2025-12-3 11:14:54 | 显示全部楼层
硬件工作在强电磁辐射环境中?
有不锈钢外壳
回复

使用道具 举报 送花

您需要登录后才可以回帖 登录 | 立即注册

本版积分规则

QQ|手机版|深圳国芯人工智能有限公司 ( 粤ICP备2022108929号-2 )

GMT+8, 2026-5-10 22:23 , Processed in 0.115779 second(s), 83 queries .

Powered by Discuz! X3.5

© 2001-2026 Discuz! Team.

快速回复 返回顶部 返回列表