|
275| 3
|
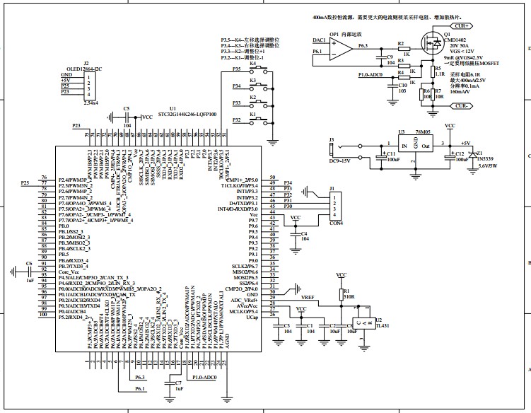
手搓数控恒流源-STC32G144K246-LQFP100核心板验证 |

1
喜欢他/她就送朵鲜花吧,赠人玫瑰,手有余香!
| ||
| ||
|
8位程序---换个STC32G.h头文件,换个C251编译器就直接到STC32的高度了;
想回到8位机,则换个STC8H.h头文件,换个C51编译器就回到8位机了. |
||
|
| |
| ||
|手机版|深圳国芯人工智能有限公司
( 粤ICP备2022108929号-2 )
GMT+8, 2025-12-17 03:01 , Processed in 0.106970 second(s), 66 queries .
Powered by Discuz! X3.5
© 2001-2025 Discuz! Team.