找回密码
 立即注册
查看: 18|回复: 3

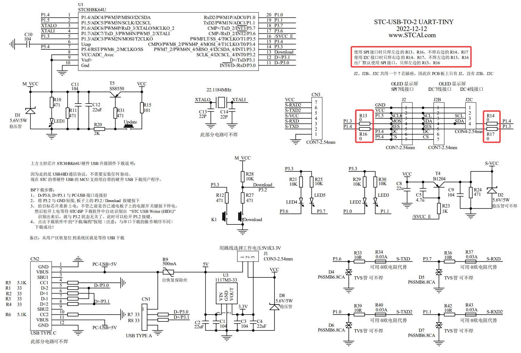
AI8051U擎天柱USB_CDC虚拟双串口求助

[复制链接]
  • 打卡等级:初来乍到
  • 打卡总天数:5
  • 最近打卡:2025-11-04 11:40:43
已绑定手机

1

主题

1

回帖

53

积分

注册会员

积分
53
发表于 昨天 16:59 | 显示全部楼层 |阅读模式
下载USB-CDC转双串口开源例程后,出现虚拟串口失效的的情况,打开COM23后,COM22的功能便会失效,下面有keil工程
截图202511041648552137.jpg
A2, USB-CDC转双串口开源例程 - 根据串口波特率自动调整主频 支持DTR、RTS信号输出.zip (376.47 KB, 下载次数: 2)
回复

使用道具 举报 送花

  • 打卡等级:以坛为家I
  • 打卡总天数:348
  • 最近打卡:2025-11-04 08:45:49
已绑定手机

91

主题

3373

回帖

7566

积分

荣誉版主

无情的代码机器

积分
7566
发表于 昨天 17:50 | 显示全部楼层

因为P13被征用了,重新选个RTS引脚。
截图202511041749513474.jpg

点评

如使用一箭双雕开发板,P13不存在冲突,注意这些跳线即可  详情 回复 发表于 昨天 18:10
三天不学习,赶不上刘少奇~
回复

使用道具 举报 送花

  • 打卡等级:初来乍到
  • 打卡总天数:5
  • 最近打卡:2025-11-04 11:40:43
已绑定手机

1

主题

1

回帖

53

积分

注册会员

积分
53
发表于 昨天 18:08 | 显示全部楼层
erci*** 发表于 2025-11-4 17:50
因为P13被征用了,重新选个RTS引脚。

解决了
回复

使用道具 举报 送花

  • 打卡等级:以坛为家III
  • 打卡总天数:604
  • 最近打卡:2025-11-04 06:22:40
已绑定手机

87

主题

6448

回帖

1万

积分

超级版主

积分
12166
发表于 昨天 18:10 | 显示全部楼层
erci*** 发表于 2025-11-4 17:50
因为P13被征用了,重新选个RTS引脚。

如使用一箭双雕开发板,P13不存在冲突,注意这些跳线即可
截图202511041810309830.jpg

回复

使用道具 举报 送花

您需要登录后才可以回帖 登录 | 立即注册

本版积分规则

QQ|手机版|深圳国芯人工智能有限公司 ( 粤ICP备2022108929号-2 )

GMT+8, 2025-11-5 04:24 , Processed in 0.115816 second(s), 73 queries .

Powered by Discuz! X3.5

© 2001-2025 Discuz! Team.

快速回复 返回顶部 返回列表