找回密码
 立即注册
楼主: 32G12K128

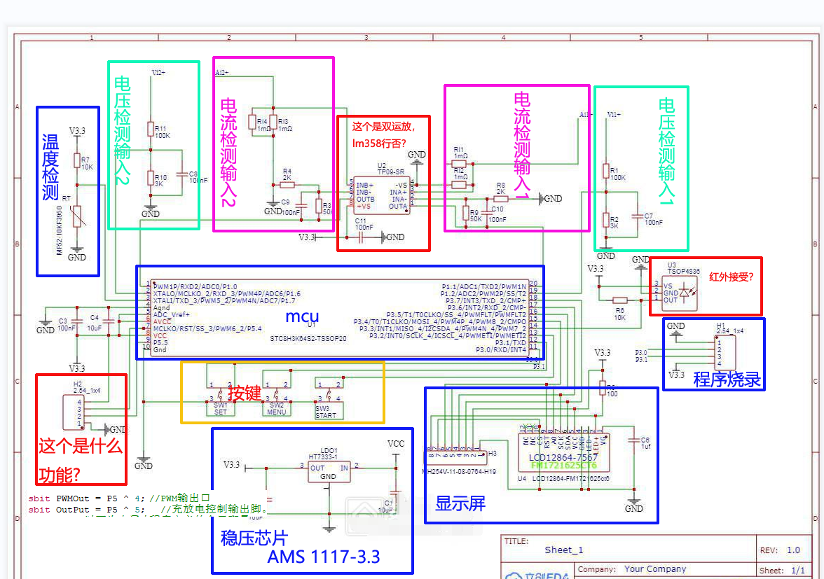
真12位ADC的 8H3K64S2 制作的双路电压电流表LCD12864

  [复制链接]
  • 打卡等级:以坛为家III
  • 打卡总天数:730
  • 最近打卡:2026-05-09 05:38:40
已绑定手机

17

主题

773

回帖

2828

积分

金牌会员

积分
2828
发表于 2024-4-19 08:05:03 | 显示全部楼层
liushi*** 发表于 2024-4-16 09:20
楼主,您好,校准的原理是什么呀,能否说一下原理,谢谢

一般都是0校准,就是输入为0,测量结果也为0
回复

使用道具 举报 送花

  • 打卡等级:以坛为家III
  • 打卡总天数:638
  • 最近打卡:2026-05-08 14:04:44

5

主题

69

回帖

1012

积分

金牌会员

积分
1012
发表于 2024-5-21 16:38:24 | 显示全部楼层
大受启发,谢谢分享
回复

使用道具 举报 送花

  • 打卡等级:以坛为家I
  • 打卡总天数:273
  • 最近打卡:2026-05-06 17:56:50

20

主题

66

回帖

1009

积分

金牌会员

积分
1009
发表于 2024-6-8 21:54:12 | 显示全部楼层
梁*** 发表于 2023-3-22 14:47
为楼主点赞!

我以前也做了一个充电的应用,TB买的12864小屏(电流150uA),给4节电池充电。12位ADC真的很 ...

能不能分享一个多路电压电流测量的电路图
回复

使用道具 举报 送花

  • 打卡等级:偶尔看看II
  • 打卡总天数:28
  • 最近打卡:2024-07-11 22:07:42

0

主题

2

回帖

118

积分

注册会员

积分
118
发表于 2024-6-12 20:53:12 来自手机 | 显示全部楼层
学习一下。
回复

使用道具 举报 送花

  • 打卡等级:以坛为家III
  • 打卡总天数:601
  • 最近打卡:2026-05-08 10:06:32
已绑定手机

4

主题

405

回帖

2818

积分

金牌会员

积分
2818
发表于 2024-7-16 13:56:39 | 显示全部楼层
有么有开源的板子?
回复

使用道具 举报 送花

  • 打卡等级:以坛为家I
  • 打卡总天数:273
  • 最近打卡:2026-05-06 17:56:50

20

主题

66

回帖

1009

积分

金牌会员

积分
1009
发表于 2024-8-19 20:41:14 | 显示全部楼层
梁*** 发表于 2023-3-22 14:47
为楼主点赞!

我以前也做了一个充电的应用,TB买的12864小屏(电流150uA),给4节电池充电。12位ADC真的很 ...

可不可以分享一下这个电路图
回复

使用道具 举报 送花

  • 打卡等级:以坛为家III
  • 打卡总天数:638
  • 最近打卡:2026-05-08 14:04:44

5

主题

69

回帖

1012

积分

金牌会员

积分
1012
发表于 2024-8-30 17:32:34 | 显示全部楼层
楼主我想用开天斧三.2来实现你这个双电压,电流检测,对你这原理图有不明白的地方,还望予以指点。
115544twj67xjrtr7rgdx7.png
回复

使用道具 举报 送花

  • 打卡等级:以坛为家III
  • 打卡总天数:638
  • 最近打卡:2026-05-08 14:04:44

5

主题

69

回帖

1012

积分

金牌会员

积分
1012
发表于 2024-10-6 10:51:38 | 显示全部楼层
万里长征的第一步,终于显示出来了,不知到啥原因,按楼主的原程序,
sbit    LCD_DAT = P2 ^ 4; //串行数据           SDA
sbit    LCD_CLK = P2 ^ 3; //串行时钟           SCL
sbit    LCD_RS =  P2 ^ 2; //数据指令           A0
sbit    LCD_RST = P2 ^ 1; //复位                   RST
sbit    LCD_CS =  P2 ^ 0; //片选                   CS  
sbit    LCD_DAT = P3 ^ 7; //串行数据           SDA原程序
sbit    LCD_CLK = P3 ^ 6; //串行时钟           SCL原程序
sbit    LCD_RS =  P3 ^ 5; //数据指令           A0原程序
sbit    LCD_RST = P3 ^ 4; //复位                   RST原程序
sbit    LCD_CS =  P2 ^ 4; //片选                   CS原程序
就是显示不出来,我写个简单的纯显示程序,不涉及其它就是显示一行数字12345678,在P3.7,p3.6,p3.5,p3.4,p2.4上就是显示不出来,我把接口全改为p2口就显示出来了,我的液晶也是7567芯片,mcu是stc 8H8K64U
屏幕截图 2024-10-06 105018.png
IMG_20241006_005429_618.jpg
回复

使用道具 举报 送花

  • 打卡等级:以坛为家III
  • 打卡总天数:638
  • 最近打卡:2026-05-08 14:04:44

5

主题

69

回帖

1012

积分

金牌会员

积分
1012
发表于 2024-10-13 10:49:07 | 显示全部楼层
本帖最后由 huaruolong 于 2024-10-13 10:51 编辑

“俄罗斯版”电压电流表,终于成功了。
IMG_20241013_104108_636.jpg
IMG_20241013_104200_813.jpg
1 喜欢他/她就送朵鲜花吧,赠人玫瑰,手有余香!
回复

使用道具 举报 送花

  • 打卡等级:以坛为家III
  • 打卡总天数:638
  • 最近打卡:2026-05-08 14:04:44

5

主题

69

回帖

1012

积分

金牌会员

积分
1012
发表于 2024-10-13 12:46:25 | 显示全部楼层
huaru*** 发表于 2024-10-13 10:49
“俄罗斯版”电压电流表,终于成功了。

谢谢
回复

使用道具 举报 送花

您需要登录后才可以回帖 登录 | 立即注册

本版积分规则

QQ|手机版|深圳国芯人工智能有限公司 ( 粤ICP备2022108929号-2 )

GMT+8, 2026-5-9 06:44 , Processed in 0.120205 second(s), 102 queries .

Powered by Discuz! X3.5

© 2001-2026 Discuz! Team.

快速回复 返回顶部 返回列表