|
14569| 34
|
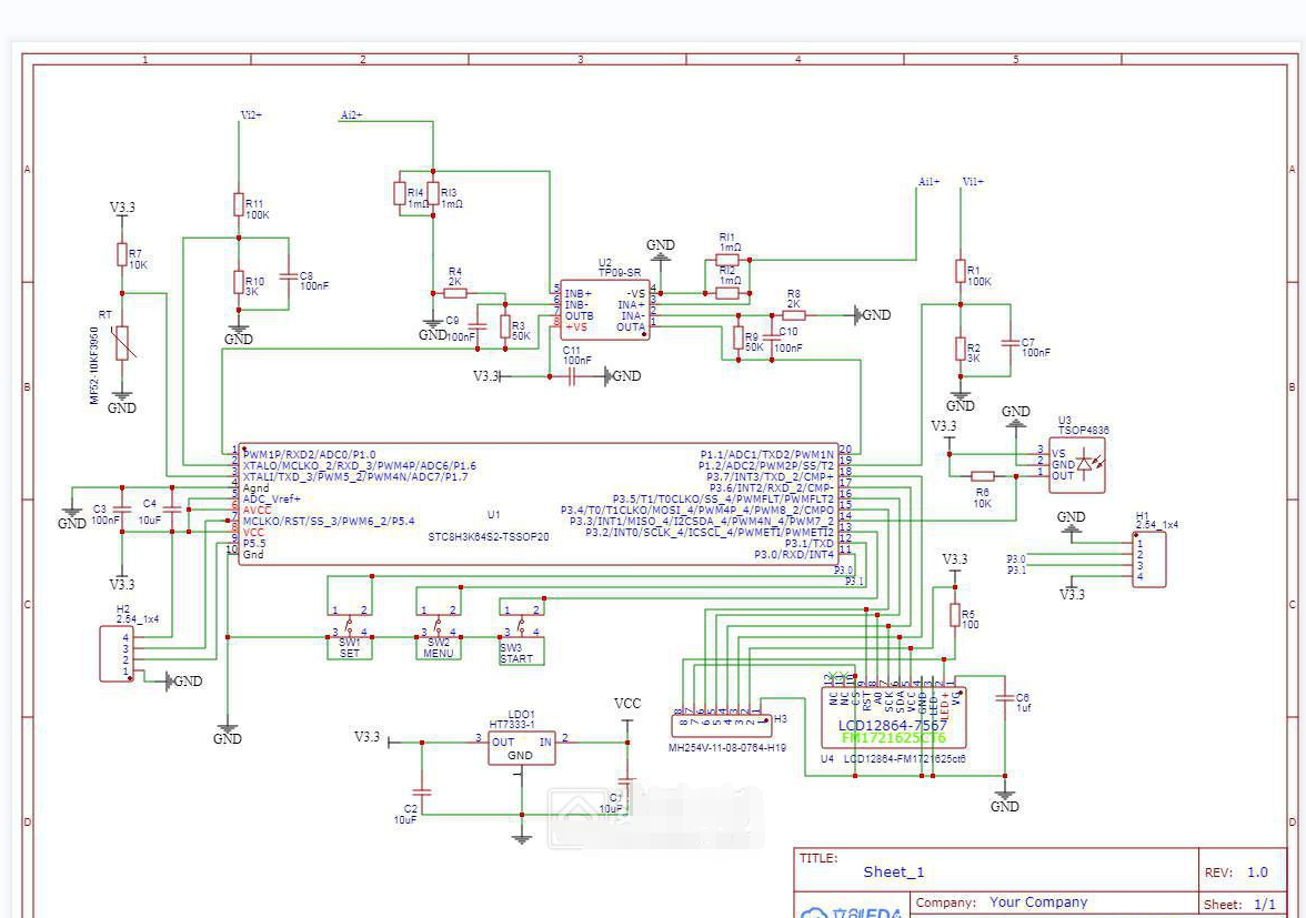
真12位ADC的 8H3K64S2 制作的双路电压电流表LCD12864 |

| ||
|
电话:0513-55012946 QQ:2195591714 微信: 19952583740
|
||
| ||
| ||
| ||
| ||
| ||
| ||
| ||
| ||
| ||
|手机版|深圳国芯人工智能有限公司
( 粤ICP备2022108929号-2 )
GMT+8, 2025-12-17 13:04 , Processed in 0.120880 second(s), 103 queries .
Powered by Discuz! X3.5
© 2001-2025 Discuz! Team.