找回密码
 立即注册
楼主: 神农鼎

AIapp-ISP-V6.95E 正式发布版, 各种型号, ISP下载,场景测试, 在此反馈

[复制链接]
  • 打卡等级:以坛为家I
  • 打卡总天数:231
  • 最近打卡:2025-11-07 13:27:18

785

主题

1万

回帖

2万

积分

管理员

积分
20183
发表于 2025-1-7 09:00:50 | 显示全部楼层
autop*** 发表于 2025-1-7 00:16
今晚使用向石经理申请的USB-Writer1A进行测试V6.95E。
均仅在线烧录烧录座,  
环境为:i7-9850H CPU, WIN1 ...

STC8051U V1.2试验箱:
USB直接下载成功。
===标准功能

板载的CDC下载会提示更新固件,但一直下载失败。
(不知是否我的试验箱损坏了,此板载的CDC串口下载的功能一直没成功过。)

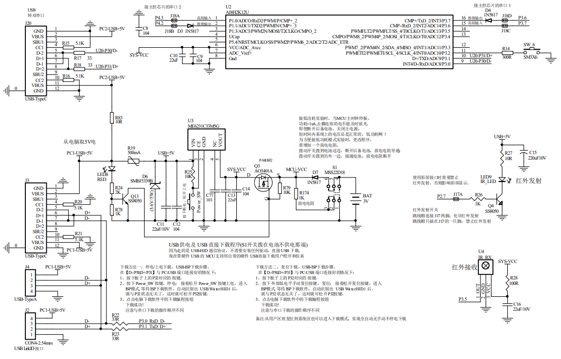
===那个 AI8H2K12U-SOP16是USB转双串口,没有接到 AI8051U的P3.0/P3.1做下载用

1.png


2.png

点评

汗,我没认真看试验箱的说明,闹笑话了 因为刚好有一个第三方的STC启光开发板是双TYPE-C口,一个可以USB直接下载,另一个是串口下载,需拨动双刀开关选择,验证时按需选择非常方便。  详情 回复 发表于 2025-1-7 20:10
回复

使用道具 举报 送花

  • 打卡等级:偶尔看看III
  • 打卡总天数:57
  • 最近打卡:2025-10-24 08:28:38

24

主题

464

回帖

3077

积分

版主

积分
3077
QQ
发表于 2025-1-7 09:15:23 | 显示全部楼层
autop*** 发表于 2025-1-7 00:16
今晚使用向销售经理申请的USB-Writer1A进行测试V6.95E。
均仅在线烧录烧录座,  
环境为:i7-9850H CPU, WI ...

STC12LE5A60S2-35I-PDIP40  USB-Writer1A  烧录座  测试正常

dc718902e40ec4c00da939b317a085d4.png

点评

这个 STC12LE5A60S2-DIP40 使用WRITE1A 在线烧录依然没有成功。见视频。(使用开发板用串口下载是成功的) 我再找另一台机器试试。  详情 回复 发表于 2025-1-7 20:26
QQ:1463035472,微信:19952583954
回复

使用道具 举报 送花

18

主题

23

回帖

766

积分

高级会员

积分
766
发表于 2025-1-7 09:15:42 | 显示全部楼层
autop*** 发表于 2025-1-7 00:16
今晚使用向销售经理申请的USB-Writer1A进行测试V6.95E。
均仅在线烧录烧录座,  
环境为:i7-9850H CPU, WI ...


您是直插的STC15F204EA,我们仓库没有直插芯片,直接用SOP28转直插测试,
win10系统  测试是没问题的,以下是视频,
请确认一下您是台式机还是笔记本,在线不能下载,脱机是否能成功



点评

使用外部开发板串口下载,也是V6.95E还是跟昨晚一样不成功。同样的环境,换了一个旧版的STC-ISP V6.86F(因它不能识别WRITE1A),则每次串口下载都成功。三个芯片都是如此。(已经将波特率调低,甚至到一致的1200了  详情 回复 发表于 2025-1-7 20:19
回复

使用道具 举报 送花

  • 打卡等级:以坛为家III
  • 打卡总天数:663
  • 最近打卡:2025-11-06 18:25:32
已绑定手机

6

主题

298

回帖

1423

积分

荣誉版主

积分
1423
发表于 2025-1-7 20:10:52 | 显示全部楼层
神*** 发表于 2025-1-7 09:00
STC8051U V1.2试验箱:
USB直接下载成功。
===标准功能

汗,我没认真看试验箱的说明,闹笑话了  因为刚好有一个第三方的STC启光开发板是双TYPE-C口,一个可以USB直接下载,另一个是串口下载,需拨动双刀开关选择,验证时按需选择非常方便。
(仅供参考,欢迎探讨)
回复

使用道具 举报 送花

  • 打卡等级:以坛为家III
  • 打卡总天数:663
  • 最近打卡:2025-11-06 18:25:32
已绑定手机

6

主题

298

回帖

1423

积分

荣誉版主

积分
1423
发表于 2025-1-7 20:19:32 | 显示全部楼层
百*** 发表于 2025-1-7 09:15
您是直插的STC15F204EA,我们仓库没有直插芯片,直接用SOP28转直插测试,
win10系统  测试是没问题的,以 ...

使用外部开发板串口下载,也是V6.95E还是跟昨晚一样不成功。同样的环境,换了一个旧版的STC-ISP V6.86F(因它不能识别WRITE1A),则每次串口下载都成功。三个芯片都是如此。(已经将波特率调低,甚至到一致的1200了)

可能是环境的问题,老芯片不纠结了。只是各种用户各种环境大家多测试一下,解决问题。

307
STC15F204EA-1.jpg
STC15F204EA-2.jpg
STC15F204EA-4-v6.86F下载成功.jpg

STC15F204EA-3.mp4

4.28 MB, 下载次数: 75

(仅供参考,欢迎探讨)
回复

使用道具 举报 送花

  • 打卡等级:以坛为家III
  • 打卡总天数:663
  • 最近打卡:2025-11-06 18:25:32
已绑定手机

6

主题

298

回帖

1423

积分

荣誉版主

积分
1423
发表于 2025-1-7 20:26:48 | 显示全部楼层
32位80*** 发表于 2025-1-7 09:15
STC12LE5A60S2-35I-PDIP40  USB-Writer1A  烧录座  测试正常

这个 STC12LE5A60S2-DIP40 使用WRITE1A 在线烧录依然没有成功。见视频。(使用开发板用串口下载是成功的)

我再找另一台机器试试。

STC12LE5A60S2-1.mp4

3.67 MB, 下载次数: 66

(仅供参考,欢迎探讨)
回复

使用道具 举报 送花

  • 打卡等级:以坛为家III
  • 打卡总天数:663
  • 最近打卡:2025-11-06 18:25:32
已绑定手机

6

主题

298

回帖

1423

积分

荣誉版主

积分
1423
发表于 2025-1-10 23:22:58 | 显示全部楼层
今天继续报告一下测试情况:

上次与销售石经理沟通,及上面的回复,我在公司找了几台台式机测试,发现STC15F204EA换机器后可以使用STC-WRITE1A直接下载了。但STC12LE5A60S2还是不能在STC-WRITE1A直接下载(还是可以使用串口ISP下载的)。
后来与石经理讨论后,怀疑是其固件版本太低造成的,故要寄几个新的芯片给我再测试。btw: 我平时不使用老型号的芯片,基本已经是STC8H起步了。
今天收到新芯片,竟然是2024年37周的批次号。印象中STC12系列是2008-2009年其推出的1T芯片,距离今天已经近15年了,没想到还在生产。我窃以为STC89因经典老产品在用未停产,但这些“中年”芯片应该使用STC15H/STC8/STC32等新芯片替换,增加可靠性及功能,甚至还可以降低成本,何乐不为?

继续进行STC-WRITE1A直接下载测试,多次多机型都是下载成功!看来真的是老的固件与CPU/WINDOWS等软硬件环境有兼容性的关系,但千万种环境我们控制不了,但起码是可以通过换机器、换下载方式(串口下载板、STC-WRITE1A) 等等下载的。所以说当遇到芯片不能下载时不要急,一定可找到解决方法,不要做烦躁的工程师。举个例子,你可以质疑一台汽车可能速度慢些、载货量少些、装饰不够豪华,但不要质疑它不能打火启动,因为这是最最基本的功能,如果这都不搞好,其厂家必然倒闭了。 :)
顺便看看我以前写的小文章:《宏晶STC单片机使用STC-ISP串口烧录失败的解决方法及实例.PDF汇总》  https://www.stcaimcu.com/forum.php?mod=viewthread&tid=5754


扯远了。回到测试中来,顺便用旧版本的STC-ISP看了一下这个两个芯片的固件:旧的是6.2I, 新的是7.1.4I,相差了很远,当然,生产年份也相差了13年!在这里想顺便提个很多坛友、群友的建议:新版的ISP软件恢复下载、检测MCU选项功能中显示芯片固件版本的功能,这对用户生产、学习时管理芯片有很大帮助!建议姚总考虑一下。

最后,又看了一下上面大佬们的回帖,提到试试脱机下载是否成功的问题。现在回想一下,如果能先下载到STC-WRITE1A中,然后再由STC-WRITE1A进行脱机下载,则不会有任何与电脑、系统相关的兼容性问题。
说干就干,马上行动,实际测试STC12LE5A60S这两个版本都可以使用STC-WRITE1A的 脱机下载成功!非常方便。我之前因为没有脱机下载的需求,一直没怎么使用该功能,其实它丰富的设置使用场景是生产的真正利器。
我在使用STC-WRITE1A该功能时,还不熟悉使用,STC网站的《使用工具使用说明书》还是2024年8月28日的V1.12版,里面只有U8W/U8W-Mini的内容,建议尽快更新STC-WRITE1A的使用说明。我参考了U8W才得知几个并排的LED闪烁代表脱机下载成功。如果能分开颜色,及简要说明印刷在外壳上会更方便一些,或者印个二维码,手机扫描后直接查看使用说明。
总之,目前对AIapp-ISP-V6.95E的测试是,下载均成功(要注意使用的软硬件及固件的问题).  希望它不断完善,成为开发的利器!




371



STCISP-DISP1.jpg
STCISP-OK.jpg
STC12-NEW1.jpg
(仅供参考,欢迎探讨)
回复

使用道具 举报 送花

您需要登录后才可以回帖 登录 | 立即注册

本版积分规则

QQ|手机版|深圳国芯人工智能有限公司 ( 粤ICP备2022108929号-2 )

GMT+8, 2025-11-7 14:08 , Processed in 0.127721 second(s), 81 queries .

Powered by Discuz! X3.5

© 2001-2025 Discuz! Team.

快速回复 返回顶部 返回列表