找回密码
 立即注册
查看: 1017|回复: 6

Ai8051U 最小系统板

[复制链接]
  • 打卡等级:初来乍到
  • 打卡总天数:2
  • 最近打卡:2024-12-18 13:42:02
已绑定手机

1

主题

0

回帖

13

积分

新手上路

积分
13
发表于 2024-12-4 10:49:16 | 显示全部楼层 |阅读模式

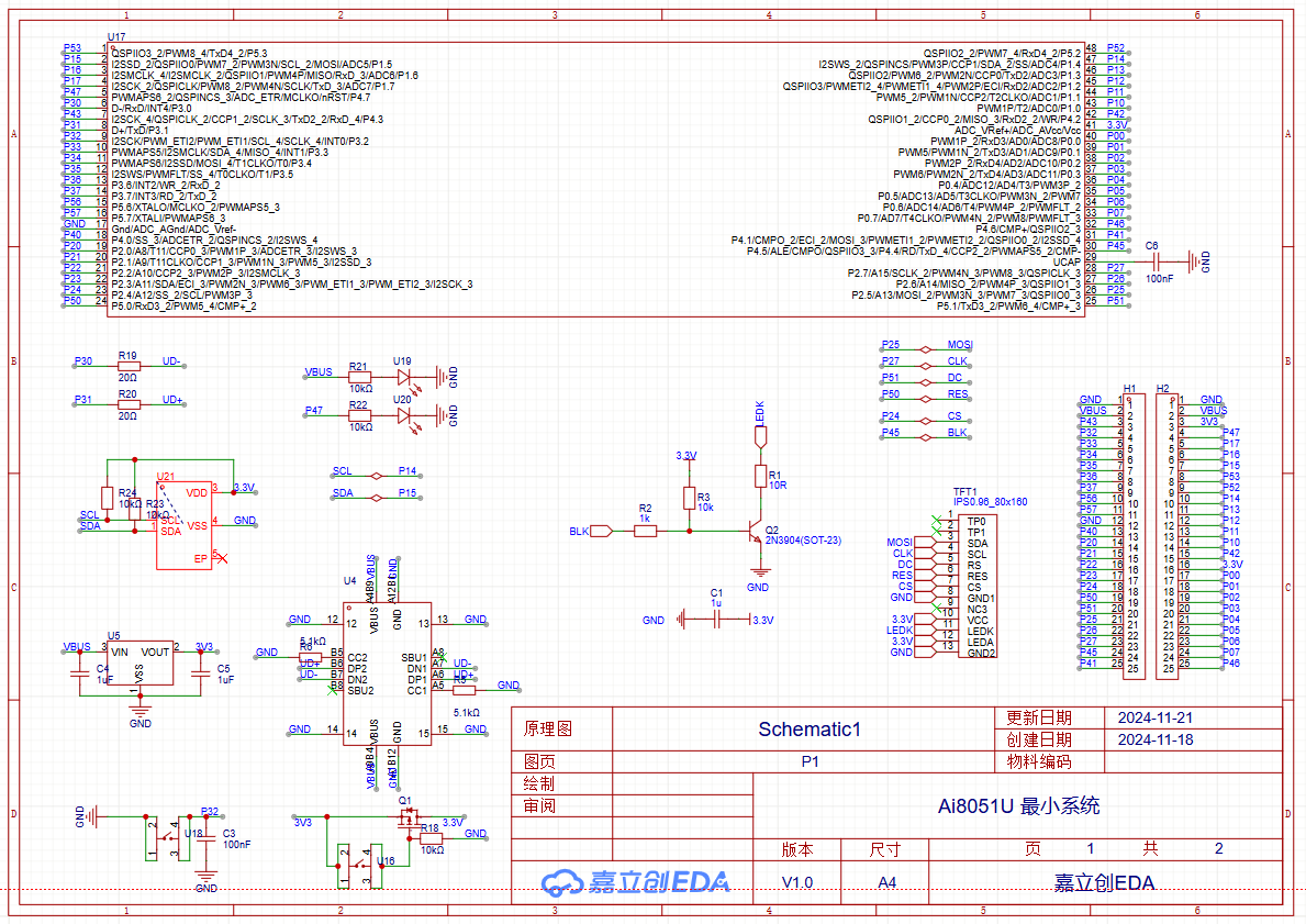
借助 Ai8051U & 立创 开源创意大赛 这个机会,也搞个最小系统来玩玩,先做初步验证,看看后续能否用在产品上,毕竟便宜,还有USB接口,DMA P2P 这个好

适用与基于 Ai8051U 芯片开发的各种验证

基本功能

  1. USB 一键下载,引出BOOT引脚,按住BOOT按键再插上USB,即可使用USB烧录
  2. LED实验,一个电源指示灯,一个用户指示灯(可PWB控制)
  3. 按键实验,boot按键在下载完成后可做用户按键
  4. RST按键,按下切断LDO的电源,松开恢复LDO的电源,实现硬件复位
  5. 所有IO引出,方便外接各种模块
  6. 预留0.96寸 LCD屏接口
  7. 预留 STS4L 温度传感器焊盘,温度精度:±0.2 °C,IIC接口

开源地址:https://oshwhub.com/luoxing/ai8051u-minimum-system

实物图

AI8051u-20241204104341.jpg

原理图 image.png

回复

使用道具 举报 送花

  • 打卡等级:常住居民III
  • 打卡总天数:189
  • 最近打卡:2025-10-24 08:52:29
已绑定手机

15

主题

624

回帖

860

积分

高级会员

积分
860
发表于 2024-12-4 12:22:27 来自手机 | 显示全部楼层
建议还是吧IO口依次排列一下好些
回复

使用道具 举报 送花

  • 打卡等级:常住居民III
  • 打卡总天数:189
  • 最近打卡:2025-10-24 08:52:29
已绑定手机

15

主题

624

回帖

860

积分

高级会员

积分
860
发表于 2024-12-4 12:22:45 来自手机 | 显示全部楼层
比如P20,P21……
回复

使用道具 举报 送花

  • 打卡等级:以坛为家III
  • 打卡总天数:684
  • 最近打卡:2025-10-31 08:39:31

13

主题

209

回帖

1138

积分

金牌会员

积分
1138
发表于 2024-12-4 18:01:09 | 显示全部楼层
还集成几个用户按键进去
回复

使用道具 举报 送花

  • 打卡等级:偶尔看看III
  • 打卡总天数:39
  • 最近打卡:2025-10-31 16:47:02
已绑定手机

6

主题

15

回帖

178

积分

注册会员

积分
178
发表于 2024-12-8 18:37:43 | 显示全部楼层

走线丝滑

回复

使用道具 举报 送花

  • 打卡等级:以坛为家I
  • 打卡总天数:278
  • 最近打卡:2025-10-31 07:06:55

2

主题

96

回帖

760

积分

高级会员

积分
760
发表于 2025-1-1 21:26:29 | 显示全部楼层
回复

使用道具 举报 送花

  • 打卡等级:常住居民III
  • 打卡总天数:145
  • 最近打卡:2025-10-31 21:47:06
已绑定手机

7

主题

60

回帖

602

积分

高级会员

积分
602
发表于 2025-5-14 22:05:54 来自手机 | 显示全部楼层
又有什么新作品没
回复

使用道具 举报 送花

您需要登录后才可以回帖 登录 | 立即注册

本版积分规则

QQ|手机版|深圳国芯人工智能有限公司 ( 粤ICP备2022108929号-2 )

GMT+8, 2025-11-1 05:52 , Processed in 0.126208 second(s), 96 queries .

Powered by Discuz! X3.5

© 2001-2025 Discuz! Team.

快速回复 返回顶部 返回列表