找回密码
 立即注册
查看: 1987|回复: 16

AI8051U实验箱V1.2原理图与2024-9-20 V1.2货不对版 | 已更新 | 更新板子请改版本号

[复制链接]
  • 打卡等级:常住居民III
  • 打卡总天数:126
  • 最近打卡:2025-09-03 12:23:58
已绑定手机

60

主题

776

回帖

4025

积分

论坛元老

自定义头衔

积分
4025
发表于 2024-12-1 03:26:41 | 显示全部楼层 |阅读模式
本帖最后由 VCC 于 2024-12-3 00:11 编辑

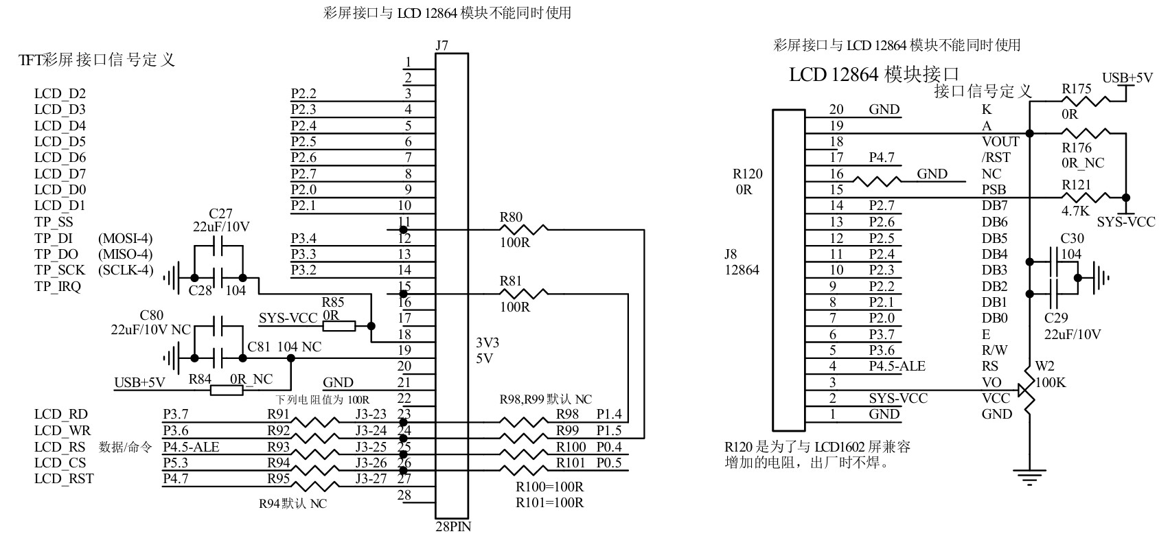
最近正在努力研究学习AI8051U实验箱!


偶然关注到这个帖子
关于AI8051UI实验箱TFT屏幕显示不了的问题 - 老鸟反刍/吐槽,新手乐园,毕业设计 国芯技术交流网站 - AI32位8051交流社区

截图202412010330242809.jpg
注意到实验箱的Arduino UNO连接器(LCD屏幕排母)的5V电源线是没有任何连接的,貌似是忘记连了?或者觉得不需要连?

然而我手里的板子,却是有相应走线的(5V备用,R84未焊接)【感谢AI赠送的实验箱!】

这个图纸里也完全查不到C80,C81,R84这几个器件(电阻最高只到R83,电容最高只到了C79,说明这几个器件确实是在这个原理图发布之后添加的)
截图202412010330144573.jpg


由此可以确定,官网给出的AI8051U实验箱V1.2原理图实际上并不是AI8051U实验箱V1.2的原理图

,而是 AI8051U 的原理图!


截图202412010329528274.jpg
(积分兑换商城截图)
好吧我错了!


这个2024-8-20的版本号也是V1.2



而我的是2024-9-20版本的,上图圆圈位置多了6个器件。

截图202412010329389656.jpg



这就要批评一下AI官方的工作了!

如果板子更新了,却不更新版本号,那么版本号的意义是?



点评

收到 马上反馈到技术部哈  发表于 2024-12-2 09:20
联系我请点击左下角的【回复】按钮,否则我收不到消息提
回复

使用道具 举报 送花

  • 打卡等级:以坛为家III
  • 打卡总天数:684
  • 最近打卡:2025-11-07 07:10:33
已绑定手机

34

主题

456

回帖

3056

积分

论坛元老

积分
3056
发表于 2024-12-1 14:39:35 | 显示全部楼层
回复

使用道具 举报 送花

  • 打卡等级:以坛为家III
  • 打卡总天数:707
  • 最近打卡:2025-11-07 00:33:53

11

主题

1250

回帖

6445

积分

论坛元老

积分
6445
发表于 2024-12-2 23:55:35 | 显示全部楼层
已经更新了。


截图202412022353254571.jpg
屏幕截图 2024-12-02 235257.jpg
回复

使用道具 举报 送花

  • 打卡等级:常住居民III
  • 打卡总天数:126
  • 最近打卡:2025-09-03 12:23:58
已绑定手机

60

主题

776

回帖

4025

积分

论坛元老

自定义头衔

积分
4025
发表于 2024-12-3 00:09:24 | 显示全部楼层

收到!太棒了!效率飞起!!!



截图202412030009282511.jpg
联系我请点击左下角的【回复】按钮,否则我收不到消息提
回复

使用道具 举报 送花

  • 打卡等级:以坛为家I
  • 打卡总天数:296
  • 最近打卡:2025-11-06 08:26:50
已绑定手机

25

主题

236

回帖

1858

积分

金牌会员

积分
1858
发表于 2024-12-3 08:21:37 | 显示全部楼层
量产实验箱统一使用无铅工艺
回复

使用道具 举报 送花

  • 打卡等级:以坛为家I
  • 打卡总天数:296
  • 最近打卡:2025-11-06 08:26:50
已绑定手机

25

主题

236

回帖

1858

积分

金牌会员

积分
1858
发表于 2024-12-3 08:27:22 | 显示全部楼层
AI8051U实验箱pcb用黑色
回复

使用道具 举报 送花

  • 打卡等级:常住居民III
  • 打卡总天数:126
  • 最近打卡:2025-09-03 12:23:58
已绑定手机

60

主题

776

回帖

4025

积分

论坛元老

自定义头衔

积分
4025
发表于 2024-12-3 10:24:36 | 显示全部楼层
hol*** 发表于 2024-12-3 08:27
AI8051U实验箱pcb用黑色

STCAI的主题色不是蓝色吗?

联系我请点击左下角的【回复】按钮,否则我收不到消息提
回复

使用道具 举报 送花

  • 打卡等级:常住居民III
  • 打卡总天数:126
  • 最近打卡:2025-09-03 12:23:58
已绑定手机

60

主题

776

回帖

4025

积分

论坛元老

自定义头衔

积分
4025
发表于 2024-12-11 15:50:01 | 显示全部楼层

看到V1.2实验箱使用说明书里面附的原理图依然是旧的
联系我请点击左下角的【回复】按钮,否则我收不到消息提
回复

使用道具 举报 送花

  • 打卡等级:以坛为家I
  • 打卡总天数:342
  • 最近打卡:2025-11-07 07:36:05
已绑定手机

16

主题

215

回帖

1633

积分

金牌会员

积分
1633
发表于 2024-12-21 23:37:03 来自手机 | 显示全部楼层
回复

使用道具 举报 送花

  • 打卡等级:以坛为家I
  • 打卡总天数:342
  • 最近打卡:2025-11-07 07:36:05
已绑定手机

16

主题

215

回帖

1633

积分

金牌会员

积分
1633
发表于 2024-12-21 23:37:16 来自手机 | 显示全部楼层
看的真仔细
回复

使用道具 举报 送花

您需要登录后才可以回帖 登录 | 立即注册

本版积分规则

QQ|手机版|深圳国芯人工智能有限公司 ( 粤ICP备2022108929号-2 )

GMT+8, 2025-11-7 16:51 , Processed in 0.123442 second(s), 98 queries .

Powered by Discuz! X3.5

© 2001-2025 Discuz! Team.

快速回复 返回顶部 返回列表