找回密码
 立即注册
查看: 1450|回复: 12

32G12K128实验板

[复制链接]
  • 打卡等级:以坛为家I
  • 打卡总天数:296
  • 最近打卡:2025-11-06 08:26:50
已绑定手机

25

主题

236

回帖

1858

积分

金牌会员

积分
1858
发表于 2024-11-29 11:48:54 | 显示全部楼层 |阅读模式
32G12K128实验板
3D_STC32G12K128实验板_2024-11-29.png


回复

使用道具 举报 送花

  • 打卡等级:以坛为家I
  • 打卡总天数:296
  • 最近打卡:2025-11-06 08:26:50
已绑定手机

25

主题

236

回帖

1858

积分

金牌会员

积分
1858
发表于 2024-11-29 11:49:06 | 显示全部楼层
32G12K128实验板
3D_STC32G12K128实验板_2024-11-30.png

回复

使用道具 举报 送花

  • 打卡等级:以坛为家I
  • 打卡总天数:296
  • 最近打卡:2025-11-06 08:26:50
已绑定手机

25

主题

236

回帖

1858

积分

金牌会员

积分
1858
发表于 2024-11-29 11:49:58 | 显示全部楼层
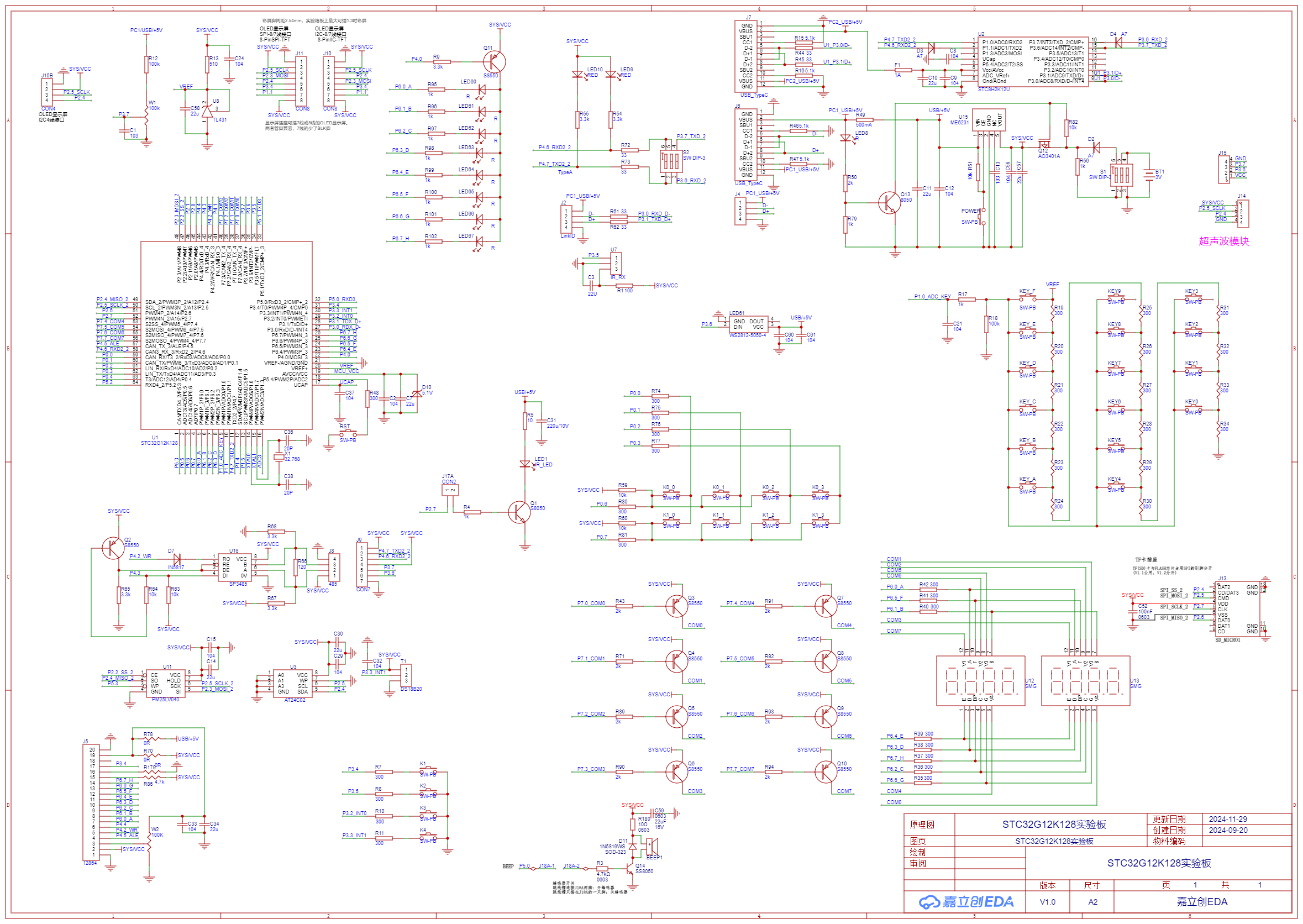
本帖最后由 DebugLab 于 2024-11-29 13:57 编辑

AI32G12K128实验板
SCH_STC32G12K128实验板_1-STC32G12K128实验板_2024-11-29.png

回复

使用道具 举报 送花

  • 打卡等级:以坛为家I
  • 打卡总天数:296
  • 最近打卡:2025-11-06 08:26:50
已绑定手机

25

主题

236

回帖

1858

积分

金牌会员

积分
1858
发表于 2024-11-29 11:50:37 | 显示全部楼层
本帖最后由 DebugLab 于 2024-11-29 13:57 编辑

AI32G12K128实验板
STC32G12K128实验板.epro (834.23 KB, 下载次数: 114)

回复

使用道具 举报 送花

  • 打卡等级:以坛为家III
  • 打卡总天数:611
  • 最近打卡:2025-11-07 00:12:17
已绑定手机

19

主题

3281

回帖

6152

积分

论坛元老

积分
6152
发表于 2024-11-29 14:24:30 | 显示全部楼层
感觉TF可以设计在边上,在中间感觉怪怪的

点评

我看到楼主的图,也想说这个  发表于 2024-11-29 15:14
回复

使用道具 举报 送花

  • 打卡等级:以坛为家I
  • 打卡总天数:296
  • 最近打卡:2025-11-06 08:26:50
已绑定手机

25

主题

236

回帖

1858

积分

金牌会员

积分
1858
发表于 2024-11-29 15:22:55 | 显示全部楼层
STC32G12K128实验板

STC32G12K128实验板.pdf

511.31 KB, 下载次数: 116

回复

使用道具 举报 送花

  • 打卡等级:以坛为家I
  • 打卡总天数:296
  • 最近打卡:2025-11-06 08:26:50
已绑定手机

25

主题

236

回帖

1858

积分

金牌会员

积分
1858
发表于 2024-11-29 15:23:18 | 显示全部楼层
STC32G12K128实验板

STC32G12K128实验板 V0.1.epro

839.82 KB, 下载次数: 117

回复

使用道具 举报 送花

  • 打卡等级:以坛为家I
  • 打卡总天数:231
  • 最近打卡:2025-11-07 13:27:18

785

主题

1万

回帖

2万

积分

管理员

积分
20183
发表于 2024-11-30 12:13:04 | 显示全部楼层
截图202411301212282807.jpg

TF卡插座 放在产品的边缘合理
回复

使用道具 举报 送花

  • 打卡等级:以坛为家I
  • 打卡总天数:296
  • 最近打卡:2025-11-06 08:26:50
已绑定手机

25

主题

236

回帖

1858

积分

金牌会员

积分
1858
发表于 2024-11-30 14:03:02 | 显示全部楼层
STC32G12K128实验板
3D_STC32G12K128实验板_2024-11-30.png
回复

使用道具 举报 送花

  • 打卡等级:以坛为家I
  • 打卡总天数:296
  • 最近打卡:2025-11-06 08:26:50
已绑定手机

25

主题

236

回帖

1858

积分

金牌会员

积分
1858
发表于 2024-11-30 14:03:29 | 显示全部楼层
STC32G12K128实验板

STC32G12K128实验板 V2.0.epro

120.48 KB, 下载次数: 100

回复

使用道具 举报 送花

您需要登录后才可以回帖 登录 | 立即注册

本版积分规则

QQ|手机版|深圳国芯人工智能有限公司 ( 粤ICP备2022108929号-2 )

GMT+8, 2025-11-7 18:52 , Processed in 0.392474 second(s), 83 queries .

Powered by Discuz! X3.5

© 2001-2025 Discuz! Team.

快速回复 返回顶部 返回列表