找回密码
 立即注册
楼主: Puppy

STC8G1K08-381-TSSOP20在ISP下载时一直检测不到单片机

[复制链接]
  • 打卡等级:以坛为家I
  • 打卡总天数:221
  • 最近打卡:2025-10-28 07:58:36

791

主题

1万

回帖

2万

积分

管理员

积分
20088
发表于 2023-2-28 19:10:23 | 显示全部楼层
浮空P5.4, 就不用管
回复

使用道具 举报 送花

  • 打卡等级:初来乍到
  • 打卡总天数:1
  • 最近打卡:2024-09-16 15:28:18

0

主题

1

回帖

38

积分

新手上路

积分
38
发表于 2023-10-7 18:47:19 | 显示全部楼层
都是来打广告卖下载器的吗?人家楼主的问题是问他下载不了程序,是不是他设计的电路有问题?人家楼主都已设计出电路打板出PCB了,怎么可能更改PCB而用你们所说的下载器下载程序?
回复

使用道具 举报 送花

  • 打卡等级:以坛为家I
  • 打卡总天数:221
  • 最近打卡:2025-10-28 07:58:36

791

主题

1万

回帖

2万

积分

管理员

积分
20088
发表于 2023-10-7 19:09:26 | 显示全部楼层
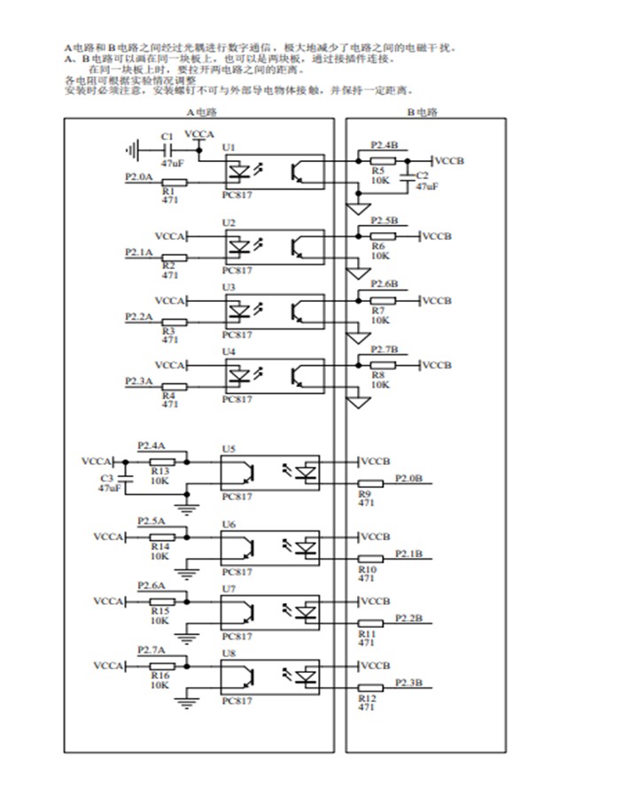
你讲啥 ? 你看的懂楼主6个月前的原理图对还是错 ?
===我们已经指出他光耦电路用错了

截图202310071910004177.jpg
他上图这是外行,不会用光耦
===========================

在电路正确的情况下,通过光耦/慢速光耦下载
===最高/最低 波特率 都选择 2400波特率
我们建议他改成下图,低导通,好 ISP-下载 程序
截图202310071911555935.jpg

截图202310071914197236.jpg




回复

使用道具 举报 送花

您需要登录后才可以回帖 登录 | 立即注册

本版积分规则

QQ|手机版|深圳国芯人工智能有限公司 ( 粤ICP备2022108929号-2 )

GMT+8, 2025-10-28 15:25 , Processed in 0.139107 second(s), 60 queries .

Powered by Discuz! X3.5

© 2001-2025 Discuz! Team.

快速回复 返回顶部 返回列表