找回密码
 立即注册
查看: 6426|回复: 12

STC8G1K08-381-TSSOP20在ISP下载时一直检测不到单片机

[复制链接]

2

主题

4

回帖

34

积分

新手上路

积分
34
发表于 2023-2-28 08:46:27 | 显示全部楼层 |阅读模式
如题,在ISP下载时一直检测不到MCU,求大佬解惑,是不是电路设计有问题,还是哪里的设置有问题:'(


STC8G1K08-381-TSSOP20在ISP下载时一直检测不到单片机-1.png

STC8G1K08-381-TSSOP20在ISP下载时一直检测不到单片机-2.png


回复

使用道具 举报 送花

  • 打卡等级:以坛为家I
  • 打卡总天数:221
  • 最近打卡:2025-10-28 07:58:36

791

主题

1万

回帖

2万

积分

管理员

积分
20088
发表于 2023-2-28 09:14:49 | 显示全部楼层
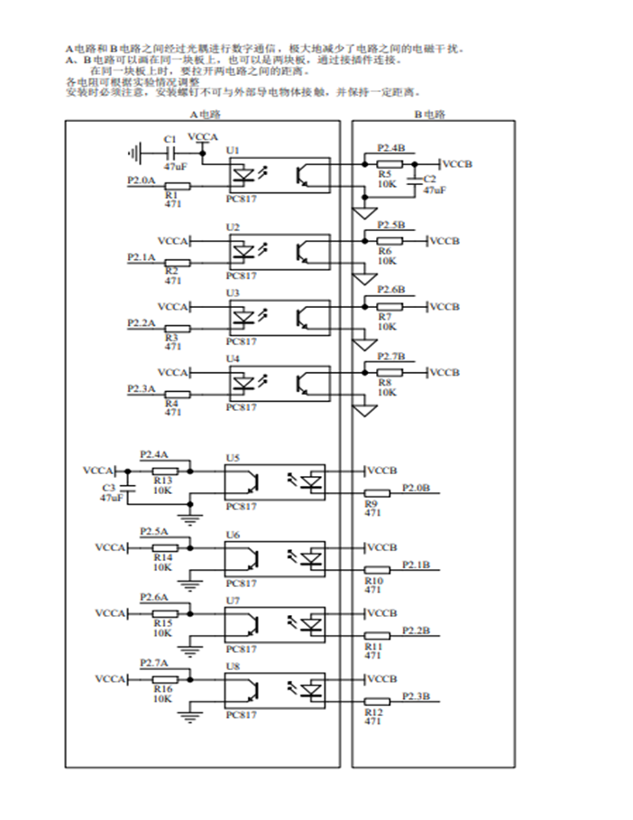
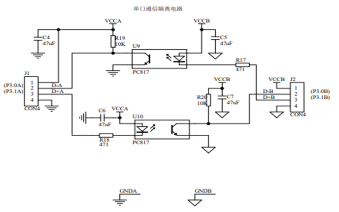
楼上是典型的不会用光耦,光耦应用线路,
参考如下线路,用低导通
1.png

2.png
3.png
4.png


光耦隔离.docx

360.25 KB, 下载次数: 218

回复

使用道具 举报 送花

  • 打卡等级:以坛为家I
  • 打卡总天数:221
  • 最近打卡:2025-10-28 07:58:36

791

主题

1万

回帖

2万

积分

管理员

积分
20088
发表于 2023-2-28 09:17:05 | 显示全部楼层
在电路正确的情况下,通过光耦/慢速光耦下载
===最高/最低 波特率 都选择 2400波特率

===========================


1.png
回复

使用道具 举报 送花

2

主题

4

回帖

34

积分

新手上路

积分
34
发表于 2023-2-28 09:19:14 | 显示全部楼层
神*** 发表于 2023-2-28 09:14
另外1个话题,光耦参考应用线路
楼上是典型的不会用光耦

我这个时光耦接线有问题吗,所以导致无法和单片机通信?
回复

使用道具 举报 送花

  • 打卡等级:偶尔看看III
  • 打卡总天数:57
  • 最近打卡:2025-10-24 08:28:38

24

主题

464

回帖

3059

积分

版主

积分
3059
QQ
发表于 2023-2-28 09:19:34 | 显示全部楼层
下载软件先更新到最新的STC-ISP  V6.91K,下载工具建议用官方的STC-USB Link1D
STC-USB LINK1D (2).jpg
联系您的业务经理或者加我QQ:1463035472,微信:19952583954免费加包邮送您一套



QQ:1463035472,微信:19952583954
回复

使用道具 举报 送花

  • 打卡等级:以坛为家I
  • 打卡总天数:221
  • 最近打卡:2025-10-28 07:58:36

791

主题

1万

回帖

2万

积分

管理员

积分
20088
发表于 2023-2-28 09:20:14 | 显示全部楼层
1.png

1117-3.3V  也不会用,这个FB1直接短路,没必要

1.png    升级到 V6.91K 最新版本
回复

使用道具 举报 送花

2

主题

4

回帖

34

积分

新手上路

积分
34
发表于 2023-2-28 09:33:56 | 显示全部楼层

ISP下载是直接上电下载吗,还是需要复位下载
回复

使用道具 举报 送花

  • 打卡等级:以坛为家I
  • 打卡总天数:221
  • 最近打卡:2025-10-28 07:58:36

791

主题

1万

回帖

2万

积分

管理员

积分
20088
发表于 2023-2-28 12:05:26 | 显示全部楼层
1.png

1.png
回复

使用道具 举报 送花

  • 打卡等级:以坛为家I
  • 打卡总天数:221
  • 最近打卡:2025-10-28 07:58:36

791

主题

1万

回帖

2万

积分

管理员

积分
20088
发表于 2023-2-28 12:06:14 | 显示全部楼层
1.png
回复

使用道具 举报 送花

2

主题

4

回帖

34

积分

新手上路

积分
34
发表于 2023-2-28 17:27:28 | 显示全部楼层
本帖最后由 Puppy 于 2023-2-28 17:29 编辑

1.png
这个芯片要设置复位脚吗,ISP下载的时候
回复

使用道具 举报 送花

您需要登录后才可以回帖 登录 | 立即注册

本版积分规则

QQ|手机版|深圳国芯人工智能有限公司 ( 粤ICP备2022108929号-2 )

GMT+8, 2025-10-28 15:25 , Processed in 0.129179 second(s), 100 queries .

Powered by Discuz! X3.5

© 2001-2025 Discuz! Team.

快速回复 返回顶部 返回列表