找回密码
 立即注册
查看: 1267|回复: 4

注意STC8051U的手册谬误之处

[复制链接]
  • 打卡等级:以坛为家II
  • 打卡总天数:492
  • 最近打卡:2025-10-19 05:31:43
已绑定手机

9

主题

220

回帖

741

积分

高级会员

积分
741
发表于 2024-9-13 10:43:37 | 显示全部楼层 |阅读模式
本帖最后由 springvirus 于 2024-9-13 17:46 编辑

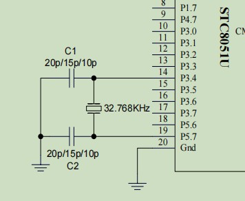
STC8051U手册里的RTC实战线路图,32.768晶振接错引脚了

在AI8051U的手册里的相同位置,已经更正了,应该是P5.6  P5.7


截图202409131041133356.jpg

截图202409131042268604.jpg




AI8051U-20240902.pdf (37.31 MB, 下载次数: 87)



STC8051U-20240712.pdf (31.9 MB, 下载次数: 104)






回复

使用道具 举报 送花

  • 打卡等级:以坛为家II
  • 打卡总天数:588
  • 最近打卡:2025-10-19 07:05:55
已绑定手机

86

主题

6300

回帖

1万

积分

超级版主

积分
11812
发表于 2024-9-13 10:58:53 | 显示全部楼层
以新版手册为准,两个月前的手册就不要看了
回复

使用道具 举报 送花

  • 打卡等级:以坛为家II
  • 打卡总天数:541
  • 最近打卡:2025-10-18 08:44:28

33

主题

2606

回帖

5749

积分

论坛元老

积分
5749
发表于 2024-9-13 11:18:25 | 显示全部楼层
你就把A18051U 脑中替换成 STC8051U 就好了,看新的手册,,
参考例程并不是对技术参 考手册的补充,而是对技术参 考手册的解释。
技术参 考手册不应该需要参考例程作为补充,而是解释成了参考例程的样子
回复

使用道具 举报 送花

  • 打卡等级:以坛为家II
  • 打卡总天数:592
  • 最近打卡:2025-10-19 00:23:19
已绑定手机

19

主题

3269

回帖

6052

积分

论坛元老

积分
6052
发表于 2024-9-13 12:01:13 | 显示全部楼层
P3.2这个是最小系统的图把,P3.2是进入USB下载模式啊。不是复位啊。内部自带复位可以不用复位电路啊。
回复

使用道具 举报 送花

  • 打卡等级:常住居民III
  • 打卡总天数:107
  • 最近打卡:2025-10-17 15:49:38

34

主题

1309

回帖

3138

积分

超级版主

积分
3138
发表于 2024-9-13 14:36:59 | 显示全部楼层
  以最新版手册为准【目前最新是9月12日】

AI8051U-20240912.pdf

28.51 MB, 下载次数: 80

STC官网:https://www.stcai.com/
QQ:2593903262
微信号:18106296598
回复

使用道具 举报 送花

您需要登录后才可以回帖 登录 | 立即注册

本版积分规则

QQ|手机版|深圳国芯人工智能有限公司 ( 粤ICP备2022108929号-2 )

GMT+8, 2025-10-19 21:40 , Processed in 0.119173 second(s), 75 queries .

Powered by Discuz! X3.5

© 2001-2025 Discuz! Team.

快速回复 返回顶部 返回列表