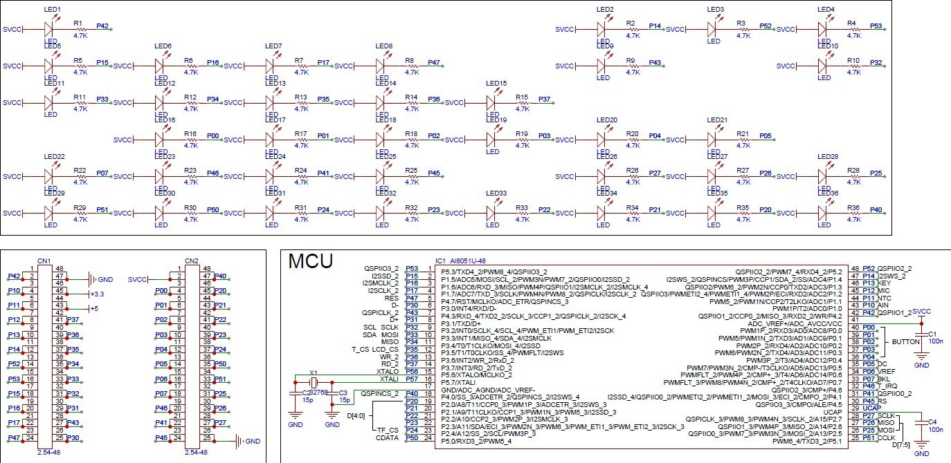
|  | 开山斧:Ai8051U核心功能实验板:USB声卡,录音,TFT彩屏,QSPI-FLASH,TF卡,I2S-DAC! | 
| 
 | ||
| 
 | ||
| 
 | ||
| 
 | ||
| 
 | ||
| 
 | ||
| 
 | ||
| 
 点评
是的,双面贴片,还有贴片QFN和FPC插座 
 | ||
| 
 | ||
| 
 | ||
 |手机版|深圳国芯人工智能有限公司
( 粤ICP备2022108929号-2 )
|手机版|深圳国芯人工智能有限公司
( 粤ICP备2022108929号-2 )
GMT+8, 2025-10-31 11:47 , Processed in 0.130398 second(s), 102 queries .
Powered by Discuz! X3.5
© 2001-2025 Discuz! Team.