找回密码
 立即注册
查看: 42436|回复: 86

AI8051U-支持32位/8位51指令,大学计划实验箱,原理图,超强程序包发布

  [复制链接]
  • 打卡等级:以坛为家I
  • 打卡总天数:226
  • 最近打卡:2025-11-02 10:12:27

792

主题

1万

回帖

2万

积分

管理员

积分
20149
发表于 2024-8-22 11:48:39 | 显示全部楼层 |阅读模式
截图202408300843548934.jpg

AI8051U全球大学计划,研发实验箱原理图定稿
===支持 1T 8051指令集32位8051指令集
AI8051U 研发演示程序发布史无前例无比强大 的 实验程序

===2024/9/13 再次更新
AI8051U 将是第20届全国大学生智能汽车竞赛推荐参赛芯片

Ai8051USB,
USB 型 1T 8051,支持32位和8位指令集
管脚兼容天王级别的:  89C52RC,  12C5A60S2
要兼容 8位8051指令集,  可以用 Keil C51/IAR/SDCC 编译器
===就相当于更强大的 8H8K64U
兼容 32位8051指令集可以用 Keil C251 编译器,双核兼容设计

===就相当于更强大的 32G12K128, 32G8K64
34K SRAM(2K edata, 32K xdata), 64K Flash
TFPU@120MHz, 硬件浮点/硬件三角函数 运算器
DMA支持PWM, DMA支持外设直接到外设, P2P

120MHz-PWM支持硬件移相,16位PWM; 真12位ADC
USB, 4组串口,12位ADC, 轨到轨比较器
QSPI, SPI, I2S, I2C,  TFT-i8080/M6800 接口
PDIP40,LQFP44,LQFP48
CPU32@42MHz

        AI 32位8051
8 0 5 1  凌绝顶,核心算力在哪里 !
算力一日同风起,扶摇直上九万里 !
百兆硬件真浮点,三角函数运算器 !
神州春色三万里,封神榜永远是你 !
===老骥伏枥志在万里,我们再战三万里

AI8051U最新数据手册下载
深圳国芯人工智能有限公司-产品_AI8051U系列 (stcai.com)


AI8051U实验箱 原理图 / PCB 定稿,研发程序首次发布
从下面这个链接下载原理图/PCB和开源程序

深圳国芯人工智能有限公司-实验箱 (stcai.com)




截图202408231806211944.jpg
深圳国芯人工智能有限公司-库函数 (stcai.com)

截图202409041340099465.jpg

截图202408261349365196.jpg

截图202408261349583504.jpg

截图202408221729052676.jpg

截图202408221729324165.jpg

截图202408221730087961.jpg

截图202408221730379459.jpg




回复

使用道具 举报 送花

  • 打卡等级:以坛为家I
  • 打卡总天数:226
  • 最近打卡:2025-11-02 10:12:27

792

主题

1万

回帖

2万

积分

管理员

积分
20149
发表于 2024-8-26 11:56:14 | 显示全部楼层
回复

使用道具 举报 送花

  • 打卡等级:以坛为家I
  • 打卡总天数:226
  • 最近打卡:2025-11-02 10:12:27

792

主题

1万

回帖

2万

积分

管理员

积分
20149
发表于 2024-8-27 19:17:04 | 显示全部楼层
后续主流 刷新TFT彩屏显示 是 DMA-P2P :  
SPI-FLASH 直接送 SPI-TFT240*240, 320*240;

===可以 不经过 CPU/xdata缓存 了
QPI-FLASH 直接送 i8080/TFT240*240, 320*240, 480*320;

===可以 不经过 CPU/xdata缓存 了


TF卡,32G字节是RMB20元,CD音频 3200分钟
DMA-SPI, 读写



回复

使用道具 举报 送花

  • 打卡等级:以坛为家II
  • 打卡总天数:476
  • 最近打卡:2025-11-02 01:06:44

1

主题

18

回帖

2240

积分

金牌会员

积分
2240
发表于 2024-8-30 05:48:13 | 显示全部楼层
更新 AI8051U实验箱复刻版 V1.2.2 工程资料
原贴在此:https://www.stcaimcu.com/forum.p ... =9406&extra=&page=3

文件说明:所用PCB layout工具为嘉立创EDA专业版(实时版本,专业版V2.2.26)
V1.2.2更新说明:
2024年8月29日        
        1        修改TYPE-C(转双串口芯片部分):供电;修改桥接芯片工作电平为VDD(3.3V);

                  增加复位按键;增加硬件通断排针组(2x4P)
        2        修改AI8051U LOGO,相关丝印
        3        修改排针组封装,使用官方物料替代原本排针封装

预览:
微信截图_20240830035708.png

【文件用途,文件后缀格式或压缩包】
        1        【源工程,epro】,嘉立创EDA专业版工程文件,

                   ProPrj_ProDoc_Board_AI8051U_20240829A_2024-08-30.epro
        2        【原理图,pdf】,原理设计图文件,SCH_Schematic_20240829A_2024-08-30.pdf
        3        【原理图,png】,原理设计图文件,PNG_Schematic_20240829A_2024-08-30.zip
        4        【生产用,gerber】,生产用gerber文件,Gerber_PCB_20240829A_2024-08-30.zip,

                   (嘉立创下单可以直接使用,若其他PCB生产商,建议确认再生产)
        5        【组装用,PCB 2D图纸】,PCB图纸文件,PCB_PCB_20240829A_2024-08-30.pdf
        6        【外形图,dxf】,DXF文件,DXF_PCB_20240829A_2024-08-30.dxf
        7        【BOM表,xlsx】,BOM文件,BOM_Board_20240829A_PCB_20240829A_2024-08-30.xlsx
        8        【坐标表,xlsx】,SMT用坐标文件,PickAndPlace_PCB_20240829A_2024-08-30.xlsx
        9        【图片,png】,


3D_PCB_20240829A_2024-08-30.png

ProPrj_ProDoc_Board_AI8051U_20240829A_2024-08-30.epro

1.74 MB, 下载次数: 5209

SCH_Schematic_20240829A_2024-08-30.pdf

1.34 MB, 下载次数: 955

PNG_Schematic_20240829A_2024-08-30.zip

1.43 MB, 下载次数: 818

Gerber_PCB_20240829A_2024-08-30.zip

1.97 MB, 下载次数: 822

PCB_PCB_20240829A_2024-08-30.pdf

7.25 MB, 下载次数: 864

DXF_PCB_20240829A_2024-08-30.dxf

4.36 MB, 下载次数: 5534

BOM_Board_20240829A_PCB_20240829A_2024-08-30.xlsx

11.65 KB, 下载次数: 698

PickAndPlace_PCB_20240829A_2024-08-30.xlsx

30.03 KB, 下载次数: 722

点评

layout好功力,开发板好漂亮  发表于 2024-12-2 16:57
I2S 音频 接口,误成 I2C 了  发表于 2024-9-1 15:52
艺术,工匠精神 !!!  详情 回复 发表于 2024-8-30 08:46
2 喜欢他/她就送朵鲜花吧,赠人玫瑰,手有余香!
回复

使用道具 举报 送花

  • 打卡等级:以坛为家I
  • 打卡总天数:226
  • 最近打卡:2025-11-02 10:12:27

792

主题

1万

回帖

2万

积分

管理员

积分
20149
发表于 2024-11-2 11:43:28 | 显示全部楼层
Ai8051U-LQFP48  比普通 M0/M3,如 32F103C8T6 强太多的地方:
1,Ai8051U有TFPU@120MHz, 算力比他强, uS级硬件三角函数/浮点运算器;
2,Ai8051U的抗干扰比他强;
3,  Ai8051U的内部复位是专业级的复位电路,彻底省外部复位;
4,  Ai8051U的内部时钟完全满足串口通信要求,4组串口;
5,Ai8051U-LQFP48有 QSPI, i8080/M6800-TFT 接口,32F103C8T6没有;
6,  Ai8051U的PWM支持硬件移相@120MHz
7,Ai8051U是 34K SRAM
8,Ai8051U是 自带硬件USB, 1个芯片就能直接USB连接电脑仿真/下载,全球唯一

Ai8051U-LQFP48, RMB2.3含税
回复

使用道具 举报 送花

  • 打卡等级:以坛为家I
  • 打卡总天数:226
  • 最近打卡:2025-11-02 10:12:27

792

主题

1万

回帖

2万

积分

管理员

积分
20149
发表于 2024-8-22 11:51:49 | 显示全部楼层
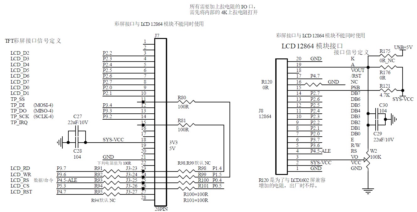
AI8051U 实验箱 原理图  定稿

截图202408221206225379.jpg


截图202408221207148014.jpg


截图202408221208305838.jpg

截图202408261522549934.jpg

截图202408221209526998.jpg

截图202408221210398850.jpg

截图202408221211186001.jpg


截图202408221211597619.jpg


截图202408221212424811.jpg


截图202408221214049025.jpg


回复

使用道具 举报 送花

  • 打卡等级:以坛为家I
  • 打卡总天数:226
  • 最近打卡:2025-11-02 10:12:27

792

主题

1万

回帖

2万

积分

管理员

积分
20149
发表于 2024-8-22 11:52:11 | 显示全部楼层
Ai8051U实验箱, 演示程序,20241104 再次更新
深圳国芯人工智能有限公司-实验箱 (stcai.com)


A01-如发现P32按键接地用户程序就软复位到系统区不停电下载
A02-电脑端的ISP软件通过USB-CDC发送命令通知MCU软复位到系统区不停电下载
A03-电脑端的ISP软件通过USB-HID发送命令通知MCU软复位到系统区不停电下载
A04-电脑端的ISP软件通过UART发送命令通知MCU软复位到系统区不停电下载
====强调不停电下载的演示程序


截图202411091217325433.jpg

截图202411091220059634.jpg

截图202411091221457082.jpg

截图202411091222586877.jpg



回复

使用道具 举报 送花

  • 打卡等级:以坛为家I
  • 打卡总天数:226
  • 最近打卡:2025-11-02 10:12:27

792

主题

1万

回帖

2万

积分

管理员

积分
20149
发表于 2024-8-22 11:56:24 | 显示全部楼层
精华补充:
Ai8051U实验箱实现 USB声卡
=== TF卡 音频播放器小SD卡 音频播放器CD音源
===32位8051,重磅开源
本例程使用“AI8051U实验箱V1.1”验证。通用USB外置声卡,无需安装驱动,线路、耳机输出。
MCU主控:AI8051U-34K64-QFP48,运行频率36.864MHz
USB接口:  USB TYPE-ATYPE-C接口,用于USB下载、USB传输音频(通用USB外置声卡)。
工作电源: USB接口的5V电源输入经过ME6231C33输出3.3V给电路供电,整个电路工作于3.3V
I2S接口:  CODEC芯片TLV320AIC23B用于I2S接口输出立体声。
          由于AI8051U系列只有一个I2S接口,所以I2S的线路输入/话筒输入的数据未用。
耳机音量: 行列键6--音量增大,键7--音量变小,音量最大为80,最小为0,开机默认60
耳机输出:3.5立体声音频插座,插接阻抗为16~64欧姆耳机,音量由行列键盘67键控制。
线路输出:3.5立体声音频插座,无音量控制。
音频格式: 48KHz采样,立体声16bit数据。
演示视频:

AI8051U-USB声卡-加州旅馆

  







TF卡,32G字节是RMB20元,CD音频 3200分钟
Ai8051U实验箱实现 USB声卡
=== TF卡 音频播放器小SD卡 音频播放器CD音源
===32位8051,重磅开源
AI8051U实验箱实现USB声卡-32位8051内核-重磅开源 - 51 发烧友,UAC,极致音频,大国工匠,艺术人生,乐林漫步 国芯技术交流网站 - AI32位8051交流社区 (stcaimcu.com)

截图202408221159093260.jpg

回复

使用道具 举报 送花

  • 打卡等级:以坛为家I
  • 打卡总天数:226
  • 最近打卡:2025-11-02 10:12:27

792

主题

1万

回帖

2万

积分

管理员

积分
20149
发表于 2024-8-22 12:02:22 | 显示全部楼层
回复

使用道具 举报 送花

  • 打卡等级:以坛为家II
  • 打卡总天数:551
  • 最近打卡:2025-11-01 08:54:26

33

主题

2646

回帖

5873

积分

论坛元老

积分
5873
发表于 2024-8-22 13:45:37 | 显示全部楼层
参考例程并不是对技术参 考手册的补充,而是对技术参 考手册的解释。
技术参 考手册不应该需要参考例程作为补充,而是解释成了参考例程的样子
回复

使用道具 举报 送花

  • 打卡等级:以坛为家II
  • 打卡总天数:563
  • 最近打卡:2025-10-29 08:26:00

10

主题

130

回帖

998

积分

高级会员

积分
998
发表于 2024-8-22 13:53:31 | 显示全部楼层
我的积分也快够了。
回复

使用道具 举报 送花

  • 打卡等级:初来乍到
  • 打卡总天数:1
  • 最近打卡:2024-08-25 19:03:19

0

主题

2

回帖

34

积分

新手上路

积分
34
发表于 2024-8-22 18:12:42 | 显示全部楼层
撒花支持,问一下AI8051U是哪款处理器?STC8051U吗
回复

使用道具 举报 送花

  • 打卡等级:以坛为家III
  • 打卡总天数:606
  • 最近打卡:2025-11-02 00:00:30
已绑定手机

19

主题

3276

回帖

6122

积分

论坛元老

积分
6122
发表于 2024-8-22 18:15:04 | 显示全部楼层
and*** 发表于 2024-8-22 18:12
撒花支持,问一下AI8051U是哪款处理器?STC8051U吗

AI8051U 兼容 8051U,名字不一样而已
回复

使用道具 举报 送花

  • 打卡等级:以坛为家III
  • 打卡总天数:636
  • 最近打卡:2025-11-02 00:53:23
已绑定手机

15

主题

1349

回帖

4291

积分

论坛元老

积分
4291
发表于 2024-8-22 18:37:27 | 显示全部楼层
_奶*** 发表于 2024-8-22 13:45
哈哈哈,,我的积分早已饥渴难耐了

我的积分还不够,记得老大说回帖就送的,期待尽快发布。
回复

使用道具 举报 送花

高级模式
B Color Image Link Quote Code Smilies |上传

本版积分规则

QQ|手机版|深圳国芯人工智能有限公司 ( 粤ICP备2022108929号-2 )

GMT+8, 2025-11-2 20:53 , Processed in 0.143036 second(s), 131 queries .

Powered by Discuz! X3.5

© 2001-2025 Discuz! Team.

快速回复 返回顶部 返回列表