找回密码
 立即注册
查看: 2137|回复: 12

一箭双雕怎么给其他单片机烧录呀

[复制链接]
  • 打卡等级:常住居民I
  • 打卡总天数:61
  • 最近打卡:2025-02-18 18:39:08

13

主题

90

回帖

277

积分

中级会员

积分
277
发表于 2024-6-3 15:30:34 | 显示全部楼层 |阅读模式
今早上收到了心愿兑换的“一箭双雕”,拿到后马上拿来想用来烧录淘宝买的系统板(也是STC8H8K64U),给一箭双雕上的主控烧录了例程中的“A1,USB CDC转双串口开源程序-做自动停电上电烧录器”,然后再给我自己的系统板烧录程序,发现点击stcisp的下载按钮后,那一下我自己的单片机确实会停电上电一次,但是stc-isp上一直检测不到系统板,也就是说我烧录不进去程序,想知道我是哪一步错了呀,系统板也是用HID模式下载的,我之前一直都用USB连系统板下载程序的,因为板子画的时候没画好,有点不好插接口,就想用这个串口下载,系统板的原理图放下面了
截图202406031529204113.jpg

M51S-G6-DL-V1R10.pdf

290.99 KB, 下载次数: 120

回复

使用道具 举报 送花

  • 打卡等级:以坛为家I
  • 打卡总天数:250
  • 最近打卡:2025-12-11 11:03:33

16

主题

714

回帖

3711

积分

超级版主

积分
3711
发表于 2024-6-3 16:14:34 | 显示全部楼层
截图202406031614224803.jpg
回复

使用道具 举报 送花

  • 打卡等级:常住居民I
  • 打卡总天数:61
  • 最近打卡:2025-02-18 18:39:08

13

主题

90

回帖

277

积分

中级会员

积分
277
发表于 2024-6-3 16:23:57 | 显示全部楼层

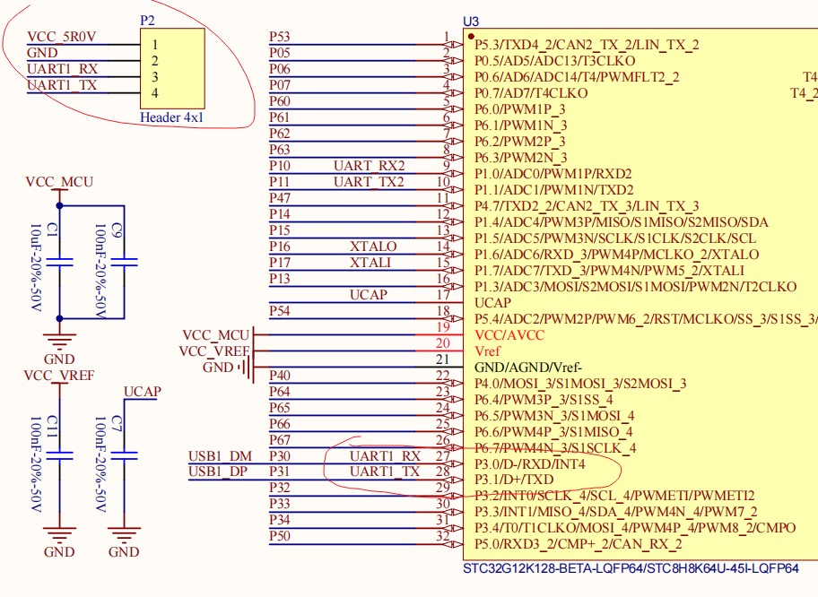
系统板原理图直接这样接了,串口下载检测不到
截图202406031623314385.jpg
回复

使用道具 举报 送花

  • 打卡等级:以坛为家II
  • 打卡总天数:582
  • 最近打卡:2025-12-13 16:58:41
已绑定手机

48

主题

2358

回帖

8389

积分

论坛元老

积分
8389
发表于 2024-6-3 16:32:09 | 显示全部楼层
大哲*** 发表于 2024-6-3 16:23
系统板原理图直接这样接了,串口下载检测不到

UART1_RX跟UART1_TX连接到烧录工具接口的两根线接反了。
回复

使用道具 举报 送花

  • 打卡等级:常住居民I
  • 打卡总天数:61
  • 最近打卡:2025-02-18 18:39:08

13

主题

90

回帖

277

积分

中级会员

积分
277
发表于 2024-6-3 16:51:32 | 显示全部楼层
乘风*** 发表于 2024-6-3 16:32
UART1_RX跟UART1_TX连接到烧录工具接口的两根线接反了。

那没有哈哈,这个只是系统板这么接而已,引出端子,我外面接的时候肯定注意的
回复

使用道具 举报 送花

  • 打卡等级:以坛为家III
  • 打卡总天数:679
  • 最近打卡:2025-12-15 00:38:27
已绑定手机

15

主题

1359

回帖

4490

积分

论坛元老

积分
4490
发表于 2024-6-3 17:58:29 | 显示全部楼层
一箭双雕的两个CDC串口在STC-ISP中都识别出来了吧?在STC-ISP上试一下另一个
回复

使用道具 举报 送花

  • 打卡等级:常住居民I
  • 打卡总天数:61
  • 最近打卡:2025-02-18 18:39:08

13

主题

90

回帖

277

积分

中级会员

积分
277
发表于 2024-6-3 18:51:11 | 显示全部楼层
21cns*** 发表于 2024-6-3 17:58
一箭双雕的两个CDC串口在STC-ISP中都识别出来了吧?在STC-ISP上试一下另一个

都有但是下载没啥反应,就是断电上电了一下,
截图202406031851071598.jpg
回复

使用道具 举报 送花

  • 打卡等级:以坛为家III
  • 打卡总天数:648
  • 最近打卡:2025-12-14 00:00:22
已绑定手机

19

主题

3288

回帖

6494

积分

论坛元老

积分
6494
发表于 2024-6-3 20:21:28 来自手机 | 显示全部楼层
一箭双雕第一次使用要升级固件
回复

使用道具 举报 送花

  • 打卡等级:常住居民I
  • 打卡总天数:61
  • 最近打卡:2025-02-18 18:39:08

13

主题

90

回帖

277

积分

中级会员

积分
277
发表于 2024-6-3 21:59:39 | 显示全部楼层
so*** 发表于 2024-6-3 20:21
一箭双雕第一次使用要升级固件

这样呀,如何升级固件呀{:5_284:}
回复

使用道具 举报 送花

  • 打卡等级:以坛为家II
  • 打卡总天数:575
  • 最近打卡:2025-12-14 00:05:28
已绑定手机

156

主题

1910

回帖

2271

积分

金牌会员

积分
2271
发表于 2024-6-4 01:03:01 来自手机 | 显示全部楼层
官方软件可以下载软件,好像是第二个选项,下拉列表里面选一下
回复

使用道具 举报 送花

您需要登录后才可以回帖 登录 | 立即注册

本版积分规则

QQ|手机版|深圳国芯人工智能有限公司 ( 粤ICP备2022108929号-2 )

GMT+8, 2025-12-15 06:50 , Processed in 0.116511 second(s), 101 queries .

Powered by Discuz! X3.5

© 2001-2025 Discuz! Team.

快速回复 返回顶部 返回列表