找回密码
 立即注册
查看: 4591|回复: 21

基于STC32G12K128 主控芯片的开关电源设计问题请教

[复制链接]
  • 打卡等级:初来乍到
  • 打卡总天数:3
  • 最近打卡:2024-05-07 14:11:58

6

主题

27

回帖

150

积分

注册会员

积分
150
发表于 2024-3-30 11:21:14 | 显示全部楼层 |阅读模式
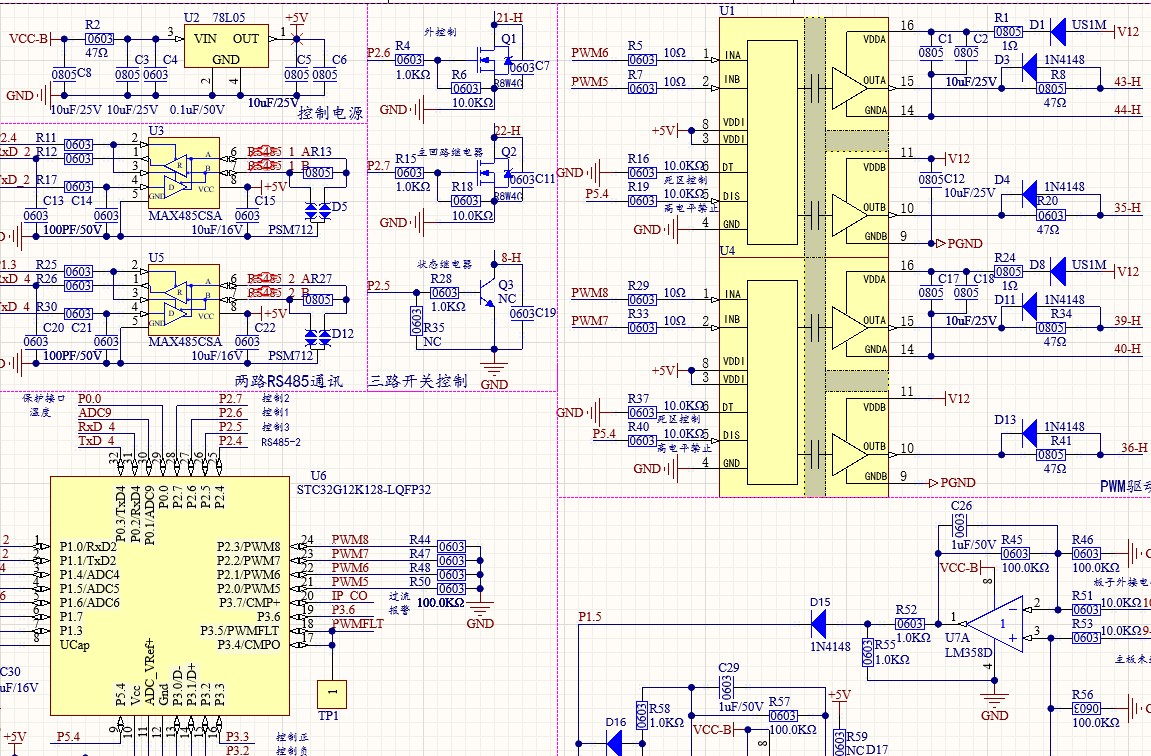
硬件:主控PWM驱动电路,全桥拓扑结构电路如下:

截图202403301039556795.jpg
截图202403301042031318.jpg

软件配置:使能高速PWM模式, PWM时钟频率144MHz,  PWMA工作模式,启用PWM2N PWM2P PWM1N PWM1P 输出  
工程程序如下: 高级PWM1-PWM2-全桥控制V01.rar (81.02 KB, 下载次数: 242)

初始化代码:
截图202403301120524290.jpg


截图202403301121076654.jpg

问题1 :P54端口不能像P36端口输出正常测试波形
截图202403301118263403.jpg    

手册中提到P5.4端口,只是启动是存在6.5毫秒高电平,
截图202403301119405882.jpg   




回复

使用道具 举报 送花

  • 打卡等级:常住居民II
  • 打卡总天数:94
  • 最近打卡:2026-03-15 10:51:49

44

主题

76

回帖

600

积分

高级会员

积分
600
发表于 2024-3-30 12:44:42 | 显示全部楼层
还是用电源芯片稳妥一些,自已做的容易炸机呀!
回复

使用道具 举报 送花

  • 打卡等级:初来乍到
  • 打卡总天数:3
  • 最近打卡:2024-05-07 14:11:58

6

主题

27

回帖

150

积分

注册会员

积分
150
发表于 2024-3-30 15:21:16 | 显示全部楼层
本帖最后由 huiyong828 于 2024-3-30 16:01 编辑

问题1:已查处问题是STCAI-ISP 硬件选项设置导致的
  
截图202403301600598902.jpg

截图202403301521105933.jpg
回复

使用道具 举报 送花

  • 打卡等级:初来乍到
  • 打卡总天数:3
  • 最近打卡:2024-05-07 14:11:58

6

主题

27

回帖

150

积分

注册会员

积分
150
发表于 2024-3-31 00:36:15 | 显示全部楼层
采用PWMB模式实现全桥驱动

截图202403310026277216.jpg

驱动波形如下:
截图202403310031502041.jpg


截图202403310032123206.jpg


问题2:为什么占空比存在差异,导通时间不一致?
截图202403310035475916.jpg


回复

使用道具 举报 送花

  • 打卡等级:以坛为家III
  • 打卡总天数:818
  • 最近打卡:2026-03-18 05:38:32

24

主题

543

回帖

1879

积分

荣誉版主

积分
1879
发表于 2024-3-31 06:11:49 | 显示全部楼层
问题2:为什么占空比存在差异,导通时间不一致?------> 要使用外部晶振。
回复

使用道具 举报 送花

  • 打卡等级:初来乍到
  • 打卡总天数:3
  • 最近打卡:2024-05-07 14:11:58

6

主题

27

回帖

150

积分

注册会员

积分
150
发表于 2024-3-31 07:57:29 | 显示全部楼层
社区*** 发表于 2024-3-31 06:11
问题2:为什么占空比存在差异,导通时间不一致?------> 要使用外部晶振。

问题2 ,配置内部晶振24MHz,选用PLL的144MHz作为PLL的输出PWM时钟的模式。对于全桥驱动PWM信号,每个时钟最大只有50%
截图202403310748369700.jpg



选用下面的中央对齐模式3


截图202403310749487676.jpg


启动时序中存在直通风险!!!
截图202403310751364673.jpg


放大如下
截图202403310753172849.jpg


硬件电路修改如下,时序还是存在问题,需优化
截图202403310757181893.jpg

s



截图202403310752389065.jpg
回复

使用道具 举报 送花

  • 打卡等级:初来乍到
  • 打卡总天数:3
  • 最近打卡:2024-05-07 14:11:58

6

主题

27

回帖

150

积分

注册会员

积分
150
发表于 2024-3-31 08:37:09 来自手机 | 显示全部楼层
社区闲人 发表于 2024-3-31 06:11
问题2:为什么占空比存在差异,导通时间不一致?------> 要使用外部晶振。

问题2 导通时间存在差异,使用的高速144MHz时钟
回复

使用道具 举报 送花

  • 打卡等级:以坛为家III
  • 打卡总天数:820
  • 最近打卡:2026-03-18 08:56:41
已绑定手机

1

主题

844

回帖

2481

积分

金牌会员

积分
2481
发表于 2024-3-31 09:22:29 | 显示全部楼层
学习
靡不有初,鲜克有终
回复

使用道具 举报 送花

  • 打卡等级:初来乍到
  • 打卡总天数:3
  • 最近打卡:2024-05-07 14:11:58

6

主题

27

回帖

150

积分

注册会员

积分
150
发表于 2024-3-31 16:35:21 | 显示全部楼层
huiyo*** 发表于 2024-3-31 07:57
问题2 ,配置内部晶振24MHz,选用PLL的144MHz作为PLL的输出PWM时钟的模式。对于全桥驱动PWM信号,每个时钟 ...
配置通道输出使能和极性需要如下调整:
  1. WritePWMB((u8)&PWMB_CCMR1, 0x68);                        //通道模式配置
  2. WritePWMB((u8)&PWMB_CCMR2, 0x68);
  3. WritePWMB((u8)&PWMB_CCMR3, 0x68);
  4. WritePWMB((u8)&PWMB_CCMR4, 0x68);
  5. WritePWMB((u8)&PWMB_CCER1, 0x31);                        //配置通道输出使能和极性     PWM5  PWM6
  6. WritePWMB((u8)&PWMB_CCER2, 0x13);                        //配置通道输出使能和极性     PWM7  PWM8              
复制代码

截图202403311635025582.jpg


回复

使用道具 举报 送花

  • 打卡等级:初来乍到
  • 打卡总天数:3
  • 最近打卡:2024-05-07 14:11:58

6

主题

27

回帖

150

积分

注册会员

积分
150
发表于 2024-3-31 16:59:24 | 显示全部楼层
本帖最后由 huiyo*** 于 2024-3-31 19:03 编辑
huiyong828 发表于 2024-3-31 16:35
配置通道输出使能和极性需要如下调整:

设置输出开关频率100KHz,占空比1%,芯片上电重启时序如下
截图202403311707216619.jpg

局部放大波形
截图202403311716106824.jpg

存在细微差异

截图202403311901344004.jpg
局部放大后
截图202403311858002176.jpg

不知道哪里出错导致的问题?请各位指点



回复

使用道具 举报 送花

您需要登录后才可以回帖 登录 | 立即注册

本版积分规则

QQ|手机版|深圳国芯人工智能有限公司 ( 粤ICP备2022108929号-2 )

GMT+8, 2026-3-19 06:16 , Processed in 0.128492 second(s), 90 queries .

Powered by Discuz! X3.5

© 2001-2026 Discuz! Team.

快速回复 返回顶部 返回列表