找回密码
 立即注册
查看: 2221|回复: 5

STC32G12K128用PLL输出分频做CPU时钟无法仿真

[复制链接]

2

主题

4

回帖

28

积分

新手上路

积分
28
发表于 2023-1-10 09:23:40 | 显示全部楼层 |阅读模式
本帖最后由 pdwdzz 于 2023-1-10 09:25 编辑

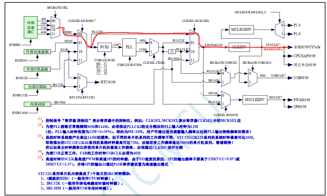
IHRC 12M  程序配置 PLL144M   PLL/6=24M做CPU时钟。无法仿真,会显示failed to connect driver target什么的。后来发现只要CPU时钟是PLL分频来的,就没法仿真,但是用ISP下载程序运行是正常的。
STC32G12K128用PLL输出分频做CPU时钟无法仿真-1.png

CPU时钟直接配置到IHRC就能正常仿真。

STC32G12K128用PLL输出分频做CPU时钟无法仿真-2.png
回复

使用道具 举报 送花

  • 打卡等级:常住居民III
  • 打卡总天数:110
  • 最近打卡:2025-12-18 09:39:18

30

主题

1216

回帖

4623

积分

超级版主

积分
4623
发表于 2023-1-10 09:41:47 | 显示全部楼层
本帖最后由 zhp 于 2023-1-10 10:06 编辑

时钟、复位相关代码均不支持仿真,主要包括如下
和时钟相关:动态切换外部晶振为系统时钟、动态切换PLL时钟为系统时钟、软件动态设置CLKDIV
和复位相关:STOP模式、IDLE模式、软件复位、看门狗复位、低压复位
回复

使用道具 举报 送花

2

主题

4

回帖

28

积分

新手上路

积分
28
发表于 2023-1-12 21:39:50 | 显示全部楼层
zh*** 发表于 2023-1-10 09:41
时钟、复位相关代码均不支持仿真,主要包括如下
和时钟相关:动态切换外部晶振为系统时钟、动态切换PLL时钟 ...

好吧,谢谢。
回复

使用道具 举报 送花

  • 打卡等级:初来乍到
  • 打卡总天数:2
  • 最近打卡:2023-12-06 15:33:02

20

主题

110

回帖

771

积分

荣誉版主

积分
771
发表于 2023-3-17 15:47:23 | 显示全部楼层

我怀疑这个仿真是不是真正的硬件仿真了,根据仿真不能切时钟还有仿真得烧录程序来看,还是放了一部分代码在单片机里面模拟SWD口来实现"硬件“仿真。仿真体验来说和其他厂商的片子来说差了很多,比如说不能直接更改变量的值,不能监控局部变量,程序从Keil直接下载或者仿真开始会复位两次等等

点评

感谢督促,我们会继续进步。  详情 回复 发表于 2023-3-17 16:11
回复

使用道具 举报 送花

  • 打卡等级:以坛为家I
  • 打卡总天数:265
  • 最近打卡:2025-12-16 09:25:07
已绑定手机

31

主题

780

回帖

3748

积分

超级版主

积分
3748
QQ
发表于 2023-3-17 16:11:59 | 显示全部楼层
ch*** 发表于 2023-3-17 15:47
我怀疑这个仿真是不是真正的硬件仿真了,根据仿真不能切时钟还有仿真得烧录程序来看,还是放了一部分代码 ...

感谢督促,我们会继续进步。
回复

使用道具 举报 送花

  • 打卡等级:以坛为家I
  • 打卡总天数:268
  • 最近打卡:2025-12-18 08:51:37

814

主题

1万

回帖

2万

积分

管理员

积分
21310
发表于 2023-3-17 22:47:44 | 显示全部楼层
STC32G12K128是SWD硬件仿真,不存在其他说法,有些功能暂时不支持是正常的,
STC32要跑500MHz 也是要时间的,所有仿真功能都支持也是要时间的
目前看,STC32跑 64MHz ~ 100MHz, 已不是技术问题,是批量成本的控制而已
STC32的硬件SWD仿真,部分功能暂时没有,很正常,还是时间成本来解决而已,总会完美的
===要钱,要时间
回复

使用道具 举报 送花

您需要登录后才可以回帖 登录 | 立即注册

本版积分规则

QQ|手机版|深圳国芯人工智能有限公司 ( 粤ICP备2022108929号-2 )

GMT+8, 2025-12-18 12:01 , Processed in 0.126600 second(s), 79 queries .

Powered by Discuz! X3.5

© 2001-2025 Discuz! Team.

快速回复 返回顶部 返回列表