找回密码
 立即注册
查看: 3344|回复: 10

关于下载失败的问题

[复制链接]

1

主题

4

回帖

19

积分

新手上路

积分
19
发表于 2022-12-31 00:15:35 | 显示全部楼层 |阅读模式
试了好几个芯片都是下载失败,并且如果拔掉再插上,串口需要手动去选择,而且插上我都没有按复位和下载按钮还是下载失败
[AO~UP7JFHGIDOB5Q]~P_$P.png
V)04[PDJXCJUCPY)UF3Y7WF.png
Z~QW$J~PHU(53UV]$LN`Z[N.png
回复

使用道具 举报 送花

  • 打卡等级:以坛为家I
  • 打卡总天数:267
  • 最近打卡:2025-12-17 08:54:37

813

主题

1万

回帖

2万

积分

管理员

积分
21307
发表于 2022-12-31 07:52:30 | 显示全部楼层
实际下载时电路原理图的 PDF发上来,才好分析,否则建议你用全自动下载器
=== 一箭双雕之USB转双串口, 都放假中,你淘宝,RMB10

https://www.stcaimcu.com/forum.php?mod=viewthread&tid=240&extra=page%3D1
1.png
回复

使用道具 举报 送花

  • 打卡等级:常住居民III
  • 打卡总天数:109
  • 最近打卡:2025-12-16 11:05:13

30

主题

1215

回帖

4619

积分

超级版主

积分
4619
发表于 2022-12-31 13:35:16 | 显示全部楼层
这时由于在线下载超时所导致的
将下面的参数设置为0就不会出现这个情况了
1.png
回复

使用道具 举报 送花

1

主题

4

回帖

19

积分

新手上路

积分
19
发表于 2023-1-1 00:10:10 | 显示全部楼层
zh*** 发表于 2022-12-31 13:35
这时由于在线下载超时所导致的
将下面的参数设置为0就不会出现这个情况了

不行,,我设置为0,她就一直监测没有反应,板子按下载和复位键没有用,而且点击检测MCU选项也是和下载和编程一样
LKHAJNUX($3YSJG27VB0Z]T.png
KP75ZOJNGPY(DYW(THO2@]Q.png
回复

使用道具 举报 送花

1

主题

4

回帖

19

积分

新手上路

积分
19
发表于 2023-1-1 00:13:39 | 显示全部楼层
本帖最后由 emmmm 于 2023-1-1 00:17 编辑

求助,我使用天问block下载运行是显示没有板子和错误
E91HV%O~UDNBL$FAJ$0NMEE.png
P30101-001423.jpg
回复

使用道具 举报 送花

1

主题

4

回帖

19

积分

新手上路

积分
19
发表于 2023-1-1 00:20:51 | 显示全部楼层
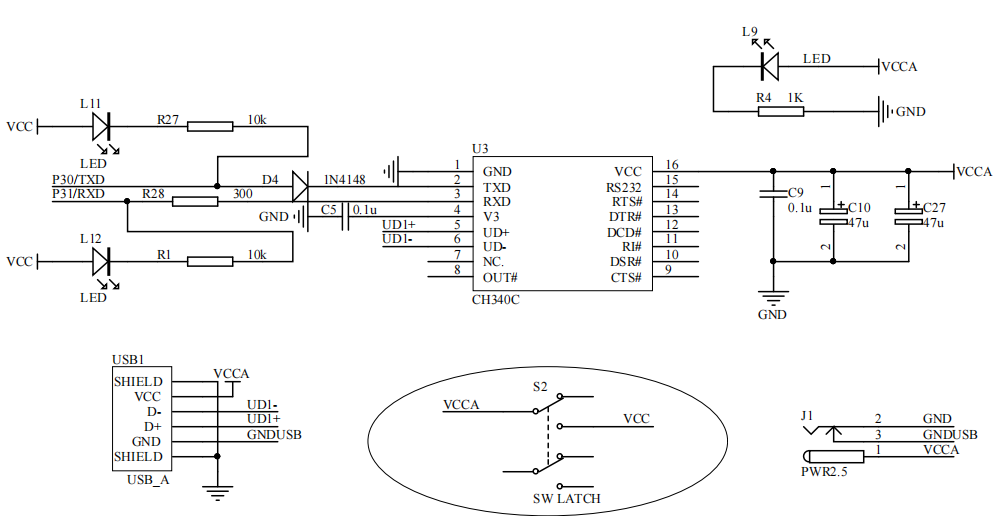
神*** 发表于 2022-12-31 07:52
实际下载时电路原理图的 PDF发上来,才好分析,否则建议你用全自动下载器
=== 一箭双雕之USB转双串口, 都 ...

这是原理图
9]K$~PU$D4G40YF@FB8L2C9.png
回复

使用道具 举报 送花

  • 打卡等级:以坛为家I
  • 打卡总天数:267
  • 最近打卡:2025-12-17 08:54:37

813

主题

1万

回帖

2万

积分

管理员

积分
21307
发表于 2023-1-1 08:46:58 | 显示全部楼层
1, 先点击下载按钮,再开电源开关
2,隔离二极管用 锗管 1N5817, 0.3V 的压降
1.png
2.png
电阻 0 ~ 100欧,不要再大了
回复

使用道具 举报 送花

  • 打卡等级:以坛为家I
  • 打卡总天数:267
  • 最近打卡:2025-12-17 08:54:37

813

主题

1万

回帖

2万

积分

管理员

积分
21307
发表于 2023-1-1 08:49:43 | 显示全部楼层
1.png

2.png
去除

回复

使用道具 举报 送花

  • 打卡等级:以坛为家I
  • 打卡总天数:267
  • 最近打卡:2025-12-17 08:54:37

813

主题

1万

回帖

2万

积分

管理员

积分
21307
发表于 2023-1-1 08:51:05 | 显示全部楼层
先点击下载按钮再开电源开关,不是复位键
回复

使用道具 举报 送花

  • 打卡等级:以坛为家I
  • 打卡总天数:312
  • 最近打卡:2025-03-11 13:20:13

54

主题

1312

回帖

5513

积分

荣誉版主

积分
5513
发表于 2023-1-5 08:20:29 | 显示全部楼层
我也碰到过这种情况,  把所有外设全部从USB插口中拔除, 依旧显示这 端口依然被 stc-isp-v6.91G占用, 等了数分钟不退出.
未命名.JPG
回复

使用道具 举报 送花

您需要登录后才可以回帖 登录 | 立即注册

本版积分规则

QQ|手机版|深圳国芯人工智能有限公司 ( 粤ICP备2022108929号-2 )

GMT+8, 2025-12-17 12:30 , Processed in 0.112855 second(s), 89 queries .

Powered by Discuz! X3.5

© 2001-2025 Discuz! Team.

快速回复 返回顶部 返回列表