找回密码
 立即注册
查看: 24153|回复: 54

新手学用STC32G12K128, 实践与思考(都是干货,盖楼砖瓦,实用基础)

[复制链接]
  • 打卡等级:以坛为家III
  • 打卡总天数:801
  • 最近打卡:2026-03-30 08:19:13

31

主题

402

回帖

4903

积分

荣誉版主

积分
4903
发表于 2023-10-29 21:15:57 | 显示全部楼层 |阅读模式
STC32G系列单片机 与以往传统51单片机相比,有许多不同和强大的新功能, 使我引起强烈兴趣.

坛子里有资深人士曾建议, 新手上路,用DIP40封装的芯片,动手实践,做做实验比较方便。本人觉得言之有理。
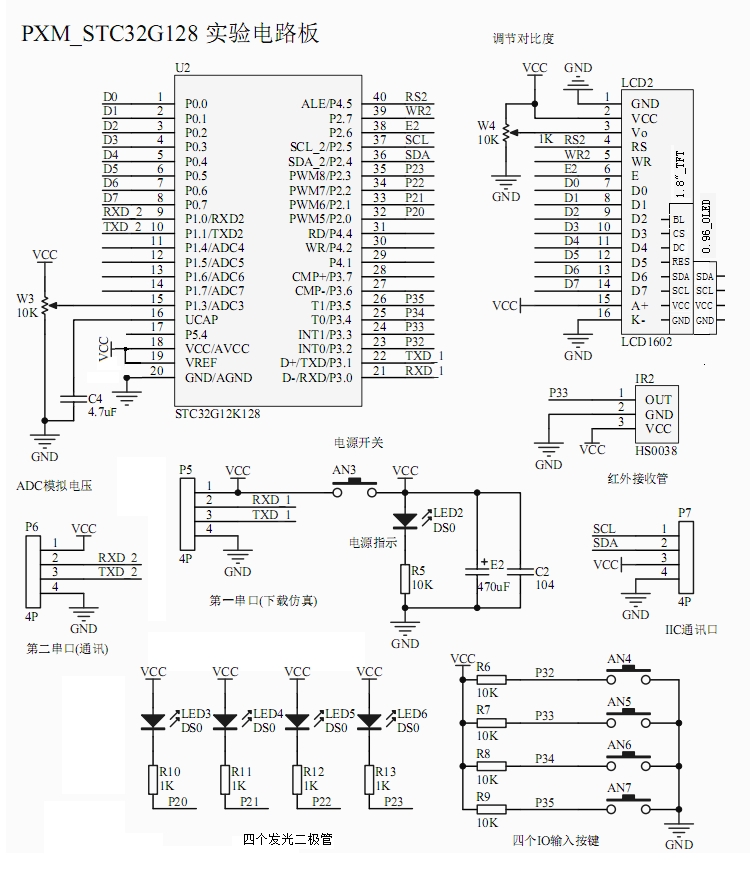
于是乎, 淘购了一片STC32G12K128。按照STC手册提供的最小系统电原理图,找了一块洞洞板

以及一些剩余的分列元件,拼凑了一块最小系统实验板。
STC32G12K128 4KEY_实验板电原理图.jpg

正面与反面

正面与反面


实验板中添加了四个按键、四个发光二极管、一个LCD16002显示屏接口、一个电源上电按钮开关。
利用串口1(P3.0和P3.1)作为下载仿真口。
经实践, 使用USB转TTL模块, 或者仅用一根USB线,就能连接PC机下载程序和通信实验。

非常方便, 千里之行,始于足下,顺利走出了第一步。




阶段性的学习实验小结

自从用洞洞板做了STC32G12K128(DIP40)实验板以来,做了一些实验,阶段性的小结罗列一下:
1,STC单片机 IO端口电平控制--“跑马灯” 程序练习,主要目的是学习掌握工程文件框架的基本建设;
2,实验对LCD1602字符型显示屏的控制显示输出,对四键八值的输入练习;
3,实验IIC单色OLED(128*64)点阵显示屏的控制,实现中西文混合显示;
4,实验 STC32G12K128 对彩色显示屏(128*160)控制显示实现中西文混合显示, 实验12位ADC转换
5,实验 驱动TM1638数码管模块,实现用三个IO端口,控制8个键输入,8个LED发光管亮灭控制,8位数码管数字和字符串显示。


2023-11-15 编辑


回复

使用道具 举报 送花

  • 打卡等级:以坛为家III
  • 打卡总天数:801
  • 最近打卡:2026-03-30 08:19:13

31

主题

402

回帖

4903

积分

荣誉版主

积分
4903
发表于 2023-10-29 21:38:19 | 显示全部楼层
本帖最后由 浦江一水 于 2023-11-6 10:46 编辑

无论是学习C语言编程,还是学习Delphi编程,大凡初学编程语言练习的,都是先编一个“Hello World”程序。
学习STC32G12K128单片机编程,也不例外,初学也就要整一个“点灯”(跑马灯)程序,先走完一个完整的编写、编译、连接、下载、运行的过程。

模仿STC的例程,在自制的实验板上,顺利通过。


//==============================================================================================
// 文件: Main.C
// 硬件: MCU: STC32G12K128(DIP40) + 4键 + 4LED 自制实验板
// 功能: 学习STCSTC32G编程入门初步 练习建立最基本工程框架 + 跑马灯程序
// 端口: 4LED: P2.0--P2.3 输出低电平驱动点亮
// 备注: 下载时选择时钟 24MHZ
//==============================================================================================
#include "STC32G.h"   //包含此头文件后,不需要再包含"reg51.h"头文件

#define MAIN_Fosc        24000000L                        //定义主时钟

//========================================================================
// 函数: void delay_ms(u8 ms)
// 描述: 延时函数。
// 参数: ms,要延时的ms数
// 返回: none.
//========================================================================
void delay_ms(unsigned int  ms)
{ unsigned int i;
  do{ i = MAIN_Fosc / 10000;
      while(--i);   //10T per loop
    } while(--ms);
}
//==== 主函数 ============================================================
void main(void)
{
    WTST = 0;  //设置程序指令延时参数,赋值为0可将CPU执行指令的速度设置为最快
    EAXFR = 1; //扩展寄存器(XFR)访问使能
    CKCON = 0; //提高访问XRAM速度
    //IO端口初始化
    P0M1 = 0x00;   P0M0 = 0x00;   //设置为准双向口
    P1M1 = 0x00;   P1M0 = 0x00;   //设置为准双向口
    P2M1 = 0x00;   P2M0 = 0x00;   //设置为准双向口
    P3M1 = 0x00;   P3M0 = 0x00;   //设置为准双向口
    P4M1 = 0x00;   P4M0 = 0x00;   //设置为准双向口
    //--主循环-----------------
    while(1)
    {
      P20 = 0;                  //LED1 On
      delay_ms(250);
      P20 = 1;                  //LED1 Off
      P21 = 0;                  //LED2 On
      delay_ms(250);
      P21 = 1;                  //LED2 Off
      P22 = 0;                  //LED3 On
      delay_ms(250);
      P22 = 1;                  //LED3 Off
      P23 = 0;                  //LED4 On
      delay_ms(250);
      P23 = 1;                  //LED4 Off
      P22 = 0;                  //LED3 On
      delay_ms(250);
      P22 = 1;                  //LED3 Off
      P21 = 0;                  //LED2 On
      delay_ms(250);
      P21 = 1;                  //LED2 Off
    }
}
//==== END ====================================================================


实验与代码很简单,但是意义不凡:
1。学习了C251编译环境的建立;
2。学习了STC32G12K128单片机工程文件的建立;
3。学习了如何下载和仿真调试;
为进一步学习,打下了一点基础,以便再继续实践......

00-基础工程-跑马灯.rar (17.59 KB, 下载次数: 455)

点评

详细,适用,深入浅出。  发表于 2026-1-6 19:04
回复

使用道具 举报 送花

  • 打卡等级:以坛为家I
  • 打卡总天数:366
  • 最近打卡:2026-03-31 16:31:44

844

主题

1万

回帖

2万

积分

管理员

积分
22789
发表于 2023-10-29 21:57:51 | 显示全部楼层
洞洞板,手工搭,还是可以USB直接下载/仿真的,用 USB-TypeA 插头

截图202310292205262606.jpg

截图202310292207152680.jpg


回复

使用道具 举报 送花

  • 打卡等级:以坛为家I
  • 打卡总天数:366
  • 最近打卡:2026-03-31 16:31:44

844

主题

1万

回帖

2万

积分

管理员

积分
22789
发表于 2023-10-29 22:00:45 | 显示全部楼层

截图202310292159552813.jpg


截图202310292158591265.jpg


截图202310292200416773.jpg


回复

使用道具 举报 送花

  • 打卡等级:以坛为家I
  • 打卡总天数:366
  • 最近打卡:2026-03-31 16:31:44

844

主题

1万

回帖

2万

积分

管理员

积分
22789
发表于 2023-10-29 23:15:07 | 显示全部楼层
截图202310292314503692.jpg

截图202310292315008537.jpg

回复

使用道具 举报 送花

  • 打卡等级:以坛为家III
  • 打卡总天数:801
  • 最近打卡:2026-03-30 08:19:13

31

主题

402

回帖

4903

积分

荣誉版主

积分
4903
发表于 2023-10-30 09:47:15 | 显示全部楼层
确实如管理员神农鼎所言, 只要用一根USB数据线, 连接PC机, 就能实现对实验板的下载调试.
这正是说明, STC单片机的强大和便捷, 即便是新手, 也是很容易上手的.
回复

使用道具 举报 送花

  • 打卡等级:以坛为家III
  • 打卡总天数:801
  • 最近打卡:2026-03-30 08:19:13

31

主题

402

回帖

4903

积分

荣誉版主

积分
4903
发表于 2023-10-30 10:33:04 | 显示全部楼层
基于这块自制的实验板, 又做了驱动LCD1602显示屏的实验。
在这个实验中,包含了三个内容的练习:
1,实现四键八值的输入;                     短按K1(P3.2)显示“KEY=10”, 长按K1显示“KEY=11”, 短按K2显示“KEY=20”,......  其它键依次类推。。。
2,对LCD1602显示屏的控制显示;       指定行列坐标位置显示字符串,或显示底划线,或闪烁。。。
3,实验USART1串口通信,                   实现与PC机的串行通信交互,返回PC发送的字符串。加入简单的指令协议,使这个最小系统实验板成为“LCD1602串口屏”(接口仅用四线)。

STC32G-DIP40-实验LCD1602.jpg

工程文件目录结构如下:
01-LCD1602+4KEY+USART1  -----  存放工程文件 LCD1602Disp.uvproj
                     |---------- USER   -----  存放编译输出的HEX文件, 以及OBJ,LST等中间临时文件(便于除HEX以外文件的清理)
                     |---------- OUT     -----  存放 Main.C主文件和各种外设文件,如KEY4_IO.C, LCD1602.C....等等。
编程思考:
1,工程目录结构简明,所有外设与主文件同目录,路径设置最简化。
2,每一种外设文件仅有.C和.H两个文件,尽可能做到独立(尽量不要与其它文件交叉包含(除STC32G.H以外)),便于代码阅读和移植。
3,所有编译输出文件,都放在OUT目录中,便于清理、打包存档。
4,源代码文件编写时尽可能加入详细注释,有利于源码阅读理解和日久后自己的编程思路回忆。      

回复

使用道具 举报 送花

  • 打卡等级:以坛为家III
  • 打卡总天数:801
  • 最近打卡:2026-03-30 08:19:13

31

主题

402

回帖

4903

积分

荣誉版主

积分
4903
发表于 2023-10-30 10:35:46 | 显示全部楼层
本帖最后由 浦江一水 于 2024-7-4 08:42 编辑

主程序源码:


/******************************************************************
* 工程: PxmTest STC32G12K128 + LCD1602
* 实验: 基本系统: LCD1602串口显示屏 8位数据控制 USART1_串口通讯..4键8值..
* 四键: P32/P33/P34/P35 四LED:P20/P21/P22/P23
* 功能说明: 测试LCD1602和4键操作,练习串口通信, 制作成LCD1602串口显示屏
* 编程: 浦晓明(浦江一水) 2023-10 ...
*******************************************************************/
#include "STC32G.H"            //此文件中定义了单片机的一些特殊功能寄存器
#include <stdio.h>
#include <string.h>
#include "KEY4_IO.H"           //4键盘相关函数
#include "LCD1602.H"           //LCD1602显示屏相关函数

//波特率计算...      
#define FOSC            11059200UL                  //晶振频率
#define BRT             (256 - FOSC / 9600 / 32)    //按照波特率9600计算
//#define BRT           (256 - FOSC / 115200 / 32)  //按照波特率115200计算

sbit LED0  = P2^0;              //运行指示
sbit LED1  = P2^1;              //运行指示
sbit LED2  = P2^2;              //运行指示
sbit LED3  = P2^3;              //运行指示

char RxBuf[24],k;              //串口接收缓存
unsigned short RxCount=0;      //接收计数器
char S[20];                    //LCD显示缓存
unsigned char X,Y;             //坐标
unsigned char RxOK=0;          //串口通信接收到标志

//毫秒级延时
void delay(unsigned int ms)
{ unsigned int x,y;
  for(x = ms; x > 0; x--)
  for(y =114; y > 0; y--);
}
//串口初始化:
void UART_init()
{
  SCON= 0x50;
  TMOD= 0x20; //T1工作模式2  8位自动重装
  TH1 = BRT;  //0xFD;
  TL1 = BRT;  //0xFD; //比特率115200
  TR1 = 1;    //启动T1定时器
  AUXR= 0x40;
  SM0 = 0;
  SM1 = 1;    //串口工作方式1 10位异步
  REN = 1;    //串口允许接收
  ES  = 1;    //串口中断打开
  EA  = 1;    //开总中断
}
/*----------------------------
通过串口1发送单字节数据
----------------------------*/
void SendData(unsigned char ch)
{
  SBUF = ch;                 //写数据到UART数据寄存器
  while(TI == 0);
  TI = 0;
}
/*----------------------------
通过串口1发送字符串
----------------------------*/
void SendString(char *s)
{
  while (*s)            //检测字符串结束标志
  { SendData(*s++); }   //发送当前字符
}
//--------------------------------------------------------------
// 串口1接收中断服务...
//--------------------------------------------------------------
void UART() interrupt 4
{ unsigned char ch=0;
  if(RI)          //检测是否接收完成
  { ch=SBUF;      //接收单字节
    RI = 0;       //清除标志位
    if(ch==0x0A)  //结尾标志
    { RxOK=1;     //接收到指令串置接收到标志
      if((RxCount>0)&&(RxBuf[RxCount-1]==0x0D)){ RxBuf[RxCount-1]=0;RxBuf[RxCount]=0; }
    }
                else if(RxCount<19)RxBuf[RxCount++]=ch;
  }
}
//--------------------------------------------------------------
// 主程序入口
//--------------------------------------------------------------
void main(void)
{ unsigned char i,mode;
        unsigned int wait=0;
  //IO端口初始化
  WTST  = 0; //设置程序指令延时参数,赋值为0可将CPU执行指令的速度设置为最快
  EAXFR = 1; //扩展寄存器(XFR)访问使能
  CKCON = 0; //提高访问XRAM速度
  //IO端口初始化//全部为准双向口
  P0M1 = 0x00;   P0M0 = 0x00;   //设置为准双向口
  P1M1 = 0x00;   P1M0 = 0x00;   //设置为准双向口
  P2M1 = 0x00;   P2M0 = 0x00;   //设置为准双向口
  P3M1 = 0x00;   P3M0 = 0x00;   //设置为准双向口
  P4M1 = 0x00;   P4M0 = 0x00;   //设置为准双向口
  //外设初始化
        UART_init();
  LCD_Init();    //初始化LCD1602
  LCD_CLS();     //测试清屏函数
  LCD_Blink(0);  //测试函数
  LCD_Cursor(0); //测试函数
  LCD_SetXY(0,0);//测试函数
  delay(5);
  LED0 = 0; delay(1000); //测试IO口控制 LED0亮
  LED1 = 0; delay(1000);
  LED2 = 0; delay(1000);
  LED3 = 0; delay(1000);
  LED0 = 1; delay(1000); //测试IO口控制 LED0灭  
  LED1 = 1; delay(1000);
  LED2 = 1; delay(1000);
  LED3 = 1; delay(1000);
  //显示屏初始界面  
  LCD_STR(0,0,"PXM_STC32G12K128");
  LCD_STR(1,0,"LCD1602+4KEY4LED");
  //测试通讯口发送字符串
        SendString("STC32G12K128_UART1_OK\r\n");
  delay(1000);
        //GETCH();
  //大循环
  while(1)
  { k=0;
    k=RDKEY();  //扫描按键
    if(k!=0)
    { sprintf(S,"KEY=%02X ",(unsigned int)k);   //当有键按下时, 显示键值,(<1秒为短按 >=1秒为长按)
      LCD_STR(1,10,S);                          //比如短按Key1,显示=10, 长按显示=11
    }  
    //运行指示
    if(wait==0)  {  LED0 = 0; }                               // LED亮
    if(wait==200){  LED0 = 1; RxOK=0;RxCount=0;RxBuf[0]=0; }  // LED灭
    wait=wait<2250?wait+1:0;  //计数器循环
    //串口屏通讯处理....
    if(RxOK)  //接收到指令串
    { //解析串口接收指令字符串,显示之
      switch(RxBuf[0])
      { case 'P':  //显示指令
                   X=RxBuf[1]-0x30;
                   Y=RxBuf[2]-0x30; if(Y>9)Y=Y-7;
                   for(i=0;i<RxCount-3;i++){ S=RxBuf[3+i]; S[i+1]=0; }
                   LCD_STR(X,Y,S);  //显示接收字符串
                   break;
        case '@':  X=RxBuf[1]-0x30;
                   Y=RxBuf[2]-0x30; if(Y>9)Y=Y-7;
                   LCD_SetXY(X,Y);  //光标定位
                   break;
        case '_':  mode=RxBuf[1]-0x30;if(mode>0)mode=1;
                   LCD_Cursor(mode);//光标显示        
                   break;
        case '*':  mode=RxBuf[1]-0x30;if(mode>0)mode=1;
                   LCD_Blink(mode); //光标闪动
                   break;
        case 'C':  mode=RxBuf[1]-0x30;
                   if(mode==0)LCD_STR(0,0,"                ");//清屏第一行
                   if(mode==1)LCD_STR(1,0,"                ");//清屏第二行
                                                                         if(mode>=2)LCD_CLS();                      //清全屏
                   break;
        default:   RxBuf[RxCount]=0; SendString(RxBuf); SendData(0x0D); SendData(0x0A); break;  //默认返回原串...
      }
      for(i=0;i<24;i++)RxBuf=0;RxOK=0; RxCount=0;
    }                            //清除接收缓存
    delay(10);     
  }
}
//******************************************************************************
// 附件: LCD1602串口屏通信控制指令协议,9600,8,1,N
//----------------------------------------------------------------------
// 共五条指令, 说明如下...
//----------------------------------------------------------------------
// 1, 格式:  PXYsss...\r\n   +0D+0A
//    其中:  P -- 命令字 指定坐标显示字符串;
//           X -- 显示行坐标, X=0或1,表示第一行或第二行
//           Y -- 显示列坐标, Y=0...F(超过9用ABCDEF的16进制表示)
//           sss... 需要显示的字符串 (长度限于16字符)(LCD1602每行最多显示16字符)   
//           \r\n  发送串结尾标志,回车换行符 即+0x0D+0x0A,(以下同)
//    实例:  P00ABCDEFG+0.1234(\r\n) 在显示屏第一行首显示"ABCDEFG+0.1234"
//----------------------------------------------------------------------
// 2, 格式:  Cm\r\n
//    其中:  C -- 命令字 清屏
//           m -- 参数 0:清第一行 1:清第二行 2:清全屏           
//    实例:  C0\r\n 显示屏第一行被清空;
//----------------------------------------------------------------------
// 3, 格式:  @XY\r\n
//    其中:  @ -- 命令字 指定当前光标坐标
//           X,Y -- 参数 X:行 Y:列           
//    实例:  @01\r\n 当前光标在第一行第1列 (光标是否显示取决于以下指令)
//----------------------------------------------------------------------
// 4, 格式:  *m\r\n
//    其中:  * -- 命令字 光标闪烁显示
//           m -- 参数 0:不闪烁 1:闪烁           
//    实例:  *1 在先前指定的坐标位置闪烁光标;
//----------------------------------------------------------------------
// 5, 格式:  _m\r\n
//    其中:  _ -- 命令字 底画线显示
//           m -- 参数 0:不显示底画线 1:显示底画线           
//    实例:  _1 在先前指定的坐标位置显示底画线; (底画线显示后,光标闪烁取消)
//*******************************************************************************

01-LCD1602 4KEY USART1.rar (26.3 KB, 下载次数: 443)

回复

使用道具 举报 送花

  • 打卡等级:以坛为家III
  • 打卡总天数:801
  • 最近打卡:2026-03-30 08:19:13

31

主题

402

回帖

4903

积分

荣誉版主

积分
4903
发表于 2023-10-30 10:38:53 | 显示全部楼层
关于按键外设的两个文件:



/******************************************************************************
* 文件: KEY4_IO.H  
* 说明: 关于4键盘的函数: 用于STC32G12K128 自制实验板
* 编程: 浦晓明(浦江一水) 2023.10
* 特点: 利用延时计数功能,使得一个按键可返回不同的键值(每键有短按和长按两种键值)
* 接口: KEY1--P3.2  KEY2--P3.3 KEY3--P3.4  KEY4--P3.5
***************************************************************************** */

#ifndef _KEY4_IO_H_
#define _KEY4_IO_H_

//键端口定义
sbit KEY1 = P3^2;
sbit KEY2 = P3^3;
sbit KEY3 = P3^4;
sbit KEY4 = P3^5;

//4键8值定义说明
#define K1S 0x10  //短按K1键  
#define K1L 0x11  //长按K1键  
#define K2S 0x20  //短按K2键
#define K2L 0x21  //长按K2键
#define K3S 0x30  //短按K3键  
#define K3L 0x31  //长按K3键  
#define K4S 0x40  //短按K4键
#define K4L 0x41  //长按K4键

/* 键盘函数 */
void KeyYS(unsigned int ms);        /* 消抖延时函数 */
unsigned char RDKEY(void);          /* 读键子程序   */
unsigned char GETCH(void);          /* 等待键入模块 */

#endif




/******************************************************************************
* 文件: KEY4_IO.C  
* 说明: 关于4键盘的函数: 用于STC32G12K128 自制实验板
* 编程: 浦晓明(浦江一水) 2023.10
* 特点: 利用延时计数功能,使得一个按键可返回不同的键值(每键有短按和长按两种键值)
* 接口: KEY1--P3.2  KEY2--P3.3 KEY3--P3.4  KEY4--P3.5
***************************************************************************** */
#include "STC32G.H"          //此文件中定义了STC32G系列单片机一些特殊功能寄存器
#include <stdio.h>
#include "KEY4_IO.H"

/* 延时函数 延时约 0.2ms * ms @11.0592MHz */
void KeyYS(unsigned int ms)
{ unsigned int i;
  while (ms)
  { ms--;
                i=550;
                while(i)i--;
        }
}
//读取键值函数
unsigned char RDKEY(void)
{ unsigned char kv=0;
  unsigned int  ak=0;   //按键延时计数
  if(KEY1==0)
  { ak=0; KeyYS(5);     //消除抖动
    while((KEY1==0)&&(ak<500)){ ak++; KeyYS(10); } //等待键松开...
    if((ak>1)&&(ak<=250))kv=K1S;                              //根据不同计数时间
    else if (ak>250)     kv=K1L;                                     //返回不同的键值
  }
  if(KEY2==0)
  { ak=0; KeyYS(5);     //消除抖动
    while((KEY2==0)&&(ak<500)){ ak++; KeyYS(10); }
    if((ak>1)&&(ak<=250))kv=K2S;
    else if (ak>250)     kv=K2L;
  }
  if(KEY3==0)
  { ak=0; KeyYS(5);     //消除抖动
    while((KEY3==0)&&(ak<500)){ ak++; KeyYS(10); }
    if((ak>1)&&(ak<=250))kv=K3S;
    else if (ak>250)     kv=K3L;
  }
  if(KEY4==0)
  { ak=0; KeyYS(5);     //消除抖动
    while((KEY4==0)&&(ak<500)){ ak++; KeyYS(10); }
    if((ak>1)&&(ak<=250))kv=K4S;
    else if (ak>250)     kv=K4L;
  }
  return kv;            //若无键按下则返回0
}
//键等待函数
unsigned char GETCH(void)
{ unsigned char wait_k=0;
  do { wait_k=RDKEY(); }while(wait_k==0);
  return wait_k;
}

/*** END *************************************************************************** */

回复

使用道具 举报 送花

  • 打卡等级:以坛为家III
  • 打卡总天数:801
  • 最近打卡:2026-03-30 08:19:13

31

主题

402

回帖

4903

积分

荣誉版主

积分
4903
发表于 2023-10-30 10:44:26 | 显示全部楼层
关于LCD1602显示屏的两个文件:



/******************************************************************************
* 文件: 头文件 LCD1602.H
* 说明: 关于LCD1602的驱动函数: 用于STC32G12K128 自制实验板
* 编程: 浦晓明(浦江一水) 2023.10
* 特点: 经典实用/简明扼要/便于移植
* 接口: 数据口-P0 指令-P4.5 读写-P2.7 使能-P2.6
***************************************************************************** */

#include "STC32G.h"

#ifndef __LCD1602_H_
#define __LCD1602_H_

/*****************************************
  LCD1602PIN口定义 (数据口和控制位说明)
******************************************/
#define LCD_DATAP     P0     //P0数据口(8位)

sbit LCD_RS =P4^5;            //指令端 0:命令 1:数据
sbit LCD_RW=P2^7;           //读写端 0;写入 1:读出(直接接地--只写方式)
sbit LCD_E   =P2^6;            //使能端 0:失能 1:使能

/*****************************************
  函数声明
******************************************/
/*在11.0592MHz时钟下的延时1ms毫秒函数*/
void LCD_Delay1ms(unsigned int ms);  //误差 0us
/*LCD1602初始化子程序*/               
void LCD_Init(void);
/*LCD1602 清屏函数 */
void LCD_CLS(void);                                                  
/*LCD1602写入8位命令子函数*/
void LCD_COM(unsigned char com);
/*LCD1602写入8位数据子函数*/       
void LCD_DAT(unsigned char dat);
/*LCD1602指定坐标写字符串函数 X:行(0/1) Y:列(0-15) */       
void LCD_STR(unsigned char X,unsigned char Y,unsigned char * str);
void LCD_SetXY(unsigned char,unsigned char);  //定位
void LCD_Cursor(unsigned char mode); //控制光标
void LCD_Blink(unsigned char mode);    //控制闪烁       

#endif




/******************************************************************************
* 文件: LCD1602.C
* 说明: 关于LCD1602驱动函数的实现: 用于STC32G12K128 自制实验板
* 编程: 浦晓明(浦江一水) 2023.10
* 特点: 经典实用/简明扼要/便于移植
* 接口: 数据口-P0 指令-P4.5 读写-P2.7 使能-P2.6
***************************************************************************** */

#include "LCD1602.H"

/*******************************************************************************
* 函 数 名         : LCD1602_Delay1ms
* 函数功能         : 延时函数,延时1ms
* 输    入         : 无
* 输    出         : 无
* 说    名         : 该函数是在11.0592MHZ晶振下,12分频单片机的延时。//误差 0us
*******************************************************************************/
void Delay1ms()         //@11.0592MHz
{ unsigned char i, j;
  i = 15; j = 90;
  do { while (--j); } while (--i);
}

void LCD_Delay1ms(unsigned int ms)   
{ for (; ms>0; ms--)Delay1ms(); }

/*******************************************************************************
* 函 数 名         : LCD1602_COM(unsigned char com)
* 函数功能         : 向LCD写入一个字节的命令
* 输    入         : com
* 输    出         : 无
*******************************************************************************/
void LCD_COM(unsigned char com)   //八位/四位数据口写入共用
{
  LCD_E = 0; Delay1ms();  
  LCD_RW= 0; Delay1ms();    //选择写入
  LCD_RS= 0; Delay1ms();    //选择发送命令
  LCD_E = 0; Delay1ms();    //使能
  LCD_DATAP= com; LCD_Delay1ms(2); //先发送命令字节高四位
  LCD_E = 1; Delay1ms();    //写入时序(脉冲)
  LCD_E = 0; Delay1ms();  
}
/*******************************************************************************
* 函 数 名         : LCD1602_DAT(unsigned char dat);
* 函数功能         : 向LCD写入一个字节的数据
* 输    入         : dat
* 输    出         : 无
*******************************************************************************/      
void LCD_DAT(unsigned char dat)    //写入数据
{
  LCD_E = 0; Delay1ms();  
  LCD_RW= 0; Delay1ms();  //选择写入
  LCD_RS= 1; Delay1ms();  //选择输入数据
  LCD_E = 0; Delay1ms();  //清零使能
  LCD_DATAP= dat; LCD_Delay1ms(2); //先发送数据字节高四位
  LCD_E = 1; Delay1ms();  //写入时序(脉冲)
  LCD_E = 0; Delay1ms();
}
/*******************************************************************************
* 函 数 名       : LCD1602_Init(void)
* 函数功能       : 初始化LCD屏
* 输    入       : 无
* 输    出       : 无
*******************************************************************************/      
void LCD_Init(void)   //LCD初始化子程序
{
  LCD_COM(0x38);   //开显示
  LCD_COM(0x38);   //开显示
  LCD_COM(0x0C);   //开显示不显示光标
  LCD_COM(0x06);   //写一个指针加1
  LCD_COM(0x01);   //清屏
  LCD_COM(0x80);   //设置数据指针起点
}
/*******************************************************************************
* 函 数 名       : LCD1602_CLS(void)
* 函数功能       : 清屏
*******************************************************************************/      
void LCD_CLS(void)
{
  LCD_COM(0x01);   //清屏
  LCD_COM(0x80);   //设置数据指针起点
}
/*LCD1602写入字符串函数*/
//指定坐标函数 ( X:行[0-1] Y:列[0-15] )
void LCD_STR(unsigned char X,unsigned char Y,unsigned char * str)

{ unsigned char i = 0;
  LCD_COM(0x80+X*0x40+Y);
  while(str[i]!= 0x0)LCD_DAT(str[i++]);
}
//设定坐标函数 ( X:行[0-1] Y:列[0-15] )
void LCD_SetXY(unsigned char X,unsigned char Y)
{
  if(X==0)LCD_COM(Y+0x80);
  if(X==1)LCD_COM(Y+0xC0);
}
//LCD定位显示光标函数 mode=0:光标关闭 mode=1:光标显示
void LCD_Cursor(unsigned char mode)       
{
  if(mode==0)LCD_COM(0x0C);  
  if(mode==1)LCD_COM(0x0E);  
}
//LCD定位显示光标函数 mode=0:关闭闪动 mode=1:开启闪动
void LCD_Blink(unsigned char mode)       
{
  if(mode==0)LCD_COM(0x0C);  
  if(mode==1)LCD_COM(0x0D);
}   
//*** END ****************************************************************************


回复

使用道具 举报 送花

您需要登录后才可以回帖 登录 | 立即注册

本版积分规则

QQ|手机版|深圳国芯人工智能有限公司 ( 粤ICP备2022108929号-2 )

GMT+8, 2026-3-31 17:09 , Processed in 0.118296 second(s), 83 queries .

Powered by Discuz! X3.5

© 2001-2026 Discuz! Team.

快速回复 返回顶部 返回列表