找回密码
 立即注册
查看: 1228|回复: 7

单片机偶尔会出现复位重启问题

[复制链接]

14

主题

70

回帖

341

积分

中级会员

积分
341
发表于 2023-7-27 09:09:49 | 显示全部楼层 |阅读模式
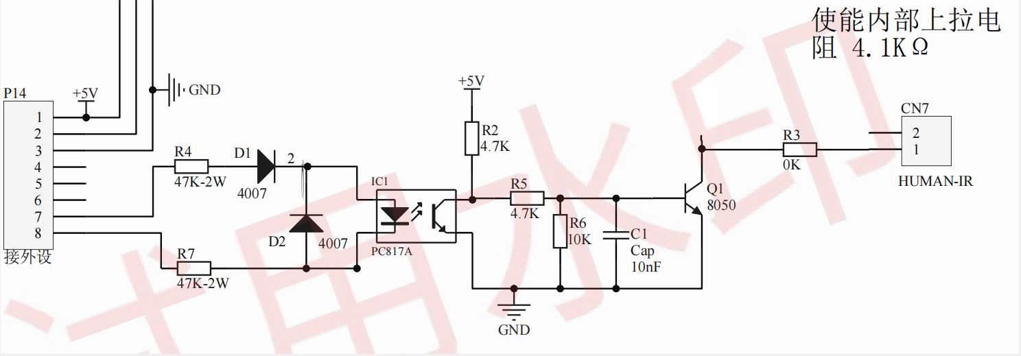
老铁们好,搞了个外部 220V输入检测电路,输入单片机的信号使用内部上拉电阻拉到到 3.3V,使用 IO口下降沿中断,当检测到下降沿时进入中断执行操作,最近发现当有外部 220V输入时偶尔会自动重启,不知道是哪里的问题,有大佬给指点一下如何测试么,谢谢



这是外部信号检测电路
单片机偶尔会出现复位重启问题-1.png



以下是程序部分:
单片机偶尔会出现复位重启问题-2.png

单片机偶尔会出现复位重启问题-3.png

回复

使用道具 举报 送花

  • 打卡等级:常住居民III
  • 打卡总天数:195
  • 最近打卡:2025-10-02 09:04:52

784

主题

1万

回帖

1万

积分

管理员

积分
19406
发表于 2023-7-27 09:42:48 | 显示全部楼层
回复

使用道具 举报 送花

  • 打卡等级:常住居民III
  • 打卡总天数:192
  • 最近打卡:2025-10-02 16:25:18

76

主题

6747

回帖

1万

积分

超级版主

积分
14273
发表于 2023-7-31 12:02:54 | 显示全部楼层
用数字示波器看看电源是否有跌落(标准(普通)或单脉冲触发,下降沿触发,触发电平3.0V),先保证电源没有问题,再说其它。
回复

使用道具 举报 送花

14

主题

70

回帖

341

积分

中级会员

积分
341
发表于 2023-8-1 15:00:25 | 显示全部楼层
梁*** 发表于 2023-7-31 12:02
用数字示波器看看电源是否有跌落(标准(普通)或单脉冲触发,下降沿触发,触发电平3.0V),先保证电源没有 ...

收到,谢谢梁工
回复

使用道具 举报 送花

  • 打卡等级:以坛为家II
  • 打卡总天数:475
  • 最近打卡:2025-09-25 14:14:55

0

主题

82

回帖

1628

积分

金牌会员

积分
1628
发表于 2023-11-28 08:55:21 | 显示全部楼层
是干扰吗
回复

使用道具 举报 送花

  • 打卡等级:以坛为家III
  • 打卡总天数:671
  • 最近打卡:2025-10-03 09:23:27
已绑定手机

54

主题

1906

回帖

3971

积分

论坛元老

积分
3971
发表于 2023-11-28 09:33:44 | 显示全部楼层
你这个只有半周导通吧?会不会频繁进入中断?
回复

使用道具 举报 送花

14

主题

70

回帖

341

积分

中级会员

积分
341
发表于 2023-12-15 10:00:53 | 显示全部楼层
jw*** 发表于 2023-11-28 09:33
你这个只有半周导通吧?会不会频繁进入中断?

没事,只是用来检测 220V有没有的,进中断置位标志就出来了
回复

使用道具 举报 送花

  • 打卡等级:以坛为家I
  • 打卡总天数:312
  • 最近打卡:2025-03-11 13:20:13

54

主题

1323

回帖

5514

积分

荣誉版主

积分
5514
发表于 2023-12-15 11:29:25 | 显示全部楼层
估计是干扰, 光耦共地 等于 白搭(没用), 起不到隔离的作用.
回复

使用道具 举报 送花

您需要登录后才可以回帖 登录 | 立即注册

本版积分规则

QQ|手机版|深圳国芯人工智能有限公司 ( 粤ICP备2022108929号-2 )

GMT+8, 2025-10-3 10:02 , Processed in 0.130751 second(s), 92 queries .

Powered by Discuz! X3.5

© 2001-2025 Discuz! Team.

快速回复 返回顶部 返回列表