找回密码
 立即注册
查看: 3028|回复: 8

屠龙刀-STC32G12K128有2组独立的CAN 电路

[复制链接]
  • 打卡等级:偶尔看看III
  • 打卡总天数:35
  • 最近打卡:2025-11-05 08:40:48

31

主题

279

回帖

2488

积分

超级版主

积分
2488
发表于 2022-12-9 14:11:05 | 显示全部楼层 |阅读模式
STC32G12K128转DIP64核心功能实验板三/屠龙刀 ,可作为简易示波器,CAN/LIN总线通信

屠龙刀 免费+包邮 送     电联0513-55012928
屠龙刀.png
STC32规格书下载: https://www.stcaimcu.com/data/download/Datasheet/STC32G.pdf
屠龙刀三程序包: https://www.stcaimcu.com/data/download/DemoCode/STC32G12K128-LQFP64-DIP64-DEMO-CODE.zip
库函数:https://www.stcai.com/khs


QQ:3398500488
微信号:18106296592(小刘)
回复

使用道具 举报 送花

  • 打卡等级:常住居民II
  • 打卡总天数:95
  • 最近打卡:2024-12-27 09:22:39

13

主题

78

回帖

1919

积分

金牌会员

积分
1919
QQ
发表于 2022-12-14 09:02:54 | 显示全部楼层
本帖最后由 zxy 于 2022-12-14 09:04 编辑

对于个人学习者来说,要采购全部未安装的器件比较不方便,而且在网上采购时,一般不零卖,多数要求小批量采购,而且元件型号较多,加上网上自己采购器件,不一定能保证质量,建议STC能否将CAN和LINE等器件焊接上,对需要的用户采取收费方式,这样可以减少个人用户学习的难度。
回复

使用道具 举报 送花

  • 打卡等级:偶尔看看III
  • 打卡总天数:35
  • 最近打卡:2025-11-05 08:40:48

31

主题

279

回帖

2488

积分

超级版主

积分
2488
发表于 2022-12-14 16:18:10 | 显示全部楼层
屠龙刀-STC32位8051核心功能实验板,STC32G12K128  MCU,  2组CAN, 3组Lin, 自己通信,自成完整的 CAN/Lin 学习体系
演示程序 14、15、31、32带你进入 CAN 专家的大门

屠龙刀三.png


屠龙刀三程序包:https://www.stcai.com/filedownload/625530
QQ:3398500488
微信号:18106296592(小刘)
回复

使用道具 举报 送花

  • 打卡等级:以坛为家I
  • 打卡总天数:231
  • 最近打卡:2025-11-07 13:27:18

785

主题

1万

回帖

2万

积分

管理员

积分
20183
发表于 2022-12-19 21:48:13 | 显示全部楼层
程序14、15、31、32都是CAN的,CANOpen, FreeRTOS + CANOpen 都提供了
回复

使用道具 举报 送花

  • 打卡等级:以坛为家I
  • 打卡总天数:231
  • 最近打卡:2025-11-07 13:27:18

785

主题

1万

回帖

2万

积分

管理员

积分
20183
发表于 2022-12-19 21:49:40 | 显示全部楼层
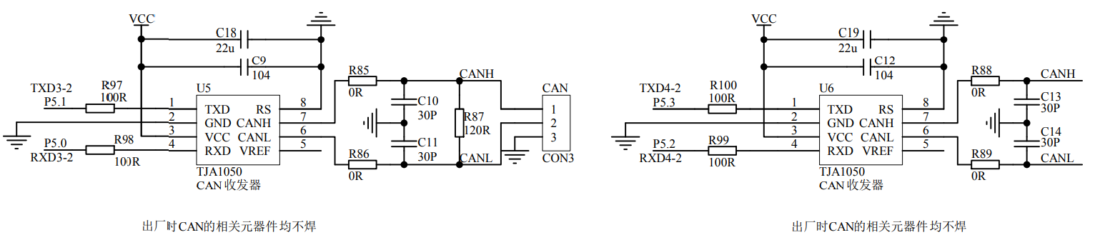
1.png
STC32G12K128的 2组CAN 自己组网通信,
或通过CON3插座的 CANH / CANL 抗干扰强的差分信号跟外界组网通信

1.png

回复

使用道具 举报 送花

  • 打卡等级:以坛为家I
  • 打卡总天数:231
  • 最近打卡:2025-11-07 13:27:18

785

主题

1万

回帖

2万

积分

管理员

积分
20183
发表于 2023-3-5 12:54:32 | 显示全部楼层
工业现场用 CAN 取代 RS485是趋势,和普通话取代地方语言一样,只是趋势,
我们32位8051世界为了形象,肯定是【 USB+双CAN】白送不加价, 走天下

现在的现实是 STC-8051世界, 【CAN 白送,USB白送】,不用白不用
回复

使用道具 举报 送花

  • 打卡等级:偶尔看看III
  • 打卡总天数:35
  • 最近打卡:2025-11-05 08:40:48

31

主题

279

回帖

2488

积分

超级版主

积分
2488
发表于 2023-3-23 16:35:33 | 显示全部楼层
申请开发板可以与业务联系:
热线:0513-55012928、0513-55012929、0513-55012966
工作时间:  8:30-12:00  13:00-17:30(周一 到 周五, 法定节假日除外),也可加如下 QQ 或 微信 申请
加STC华南区客服刘经理QQ: 3398500488 ;微信:18106296592  要求 【免费+包邮】 送, 还免费教你仿真  
加STC华南区客服曹经理QQ:1933892258 ;微信:18106296595 要求 【免费+包邮】 送, 还免费教你仿真
加STC华东区客服聂经理QQ:2593903262;微信:18106296598  要求 【免费+包邮】 送, 还免费教你仿真
加STC西北区客服孙经理QQ: 1347154513 ;微信:18106296593  要求 【免费+包邮】 送, 还免费教你仿真
加STC华北区客服石经理QQ: 1638975601 ;微信:19952583876  要求 【免费+包邮】 送, 还免费教你仿真
加STC华中区客服唐经理QQ:2571301708 ;微信:18106296589 要求 【免费+包邮】 送, 还免费教你仿真
加STC东北区客服张经理QQ:3141888640 ;微信:19952583265   要求 【免费+包邮】 送, 还免费教你仿真
QQ:3398500488
微信号:18106296592(小刘)
回复

使用道具 举报 送花

  • 打卡等级:偶尔看看III
  • 打卡总天数:35
  • 最近打卡:2025-11-05 08:40:48

31

主题

279

回帖

2488

积分

超级版主

积分
2488
发表于 2023-3-27 13:45:04 | 显示全部楼层
使用STC-USB Link1D 仿真器 硬件SWD仿真STC32   有专门论坛板块 详细步骤介绍:
仿真步骤帖子.png
用仿真端口直接仿真观察,
用另外的第2组串口跟被仿真的MCU的串口1/2/3/4通信,你想干啥就干啥
用仿真端口直接仿真观察.png


QQ:3398500488
微信号:18106296592(小刘)
回复

使用道具 举报 送花

  • 打卡等级:偶尔看看III
  • 打卡总天数:35
  • 最近打卡:2025-11-05 08:40:48

31

主题

279

回帖

2488

积分

超级版主

积分
2488
发表于 2023-4-11 10:14:39 | 显示全部楼层

视频教学.jpg

实验箱、核心功能实验板   保姆级详细的学习应用视频 官网网址: https://www.stcai.com/jxsp
QQ:3398500488
微信号:18106296592(小刘)
回复

使用道具 举报 送花

您需要登录后才可以回帖 登录 | 立即注册

本版积分规则

QQ|手机版|深圳国芯人工智能有限公司 ( 粤ICP备2022108929号-2 )

GMT+8, 2025-11-7 19:47 , Processed in 0.134577 second(s), 81 queries .

Powered by Discuz! X3.5

© 2001-2025 Discuz! Team.

快速回复 返回顶部 返回列表