找回密码
 立即注册
查看: 7585|回复: 17

SPI_FLASH做STC_MCU的外围从设备是否要接上拉电阻

[复制链接]
  • 打卡等级:初来乍到
  • 打卡总天数:1
  • 最近打卡:2023-12-25 15:38:27

39

主题

204

回帖

651

积分

高级会员

积分
651
发表于 2023-5-31 11:29:00 | 显示全部楼层 |阅读模式
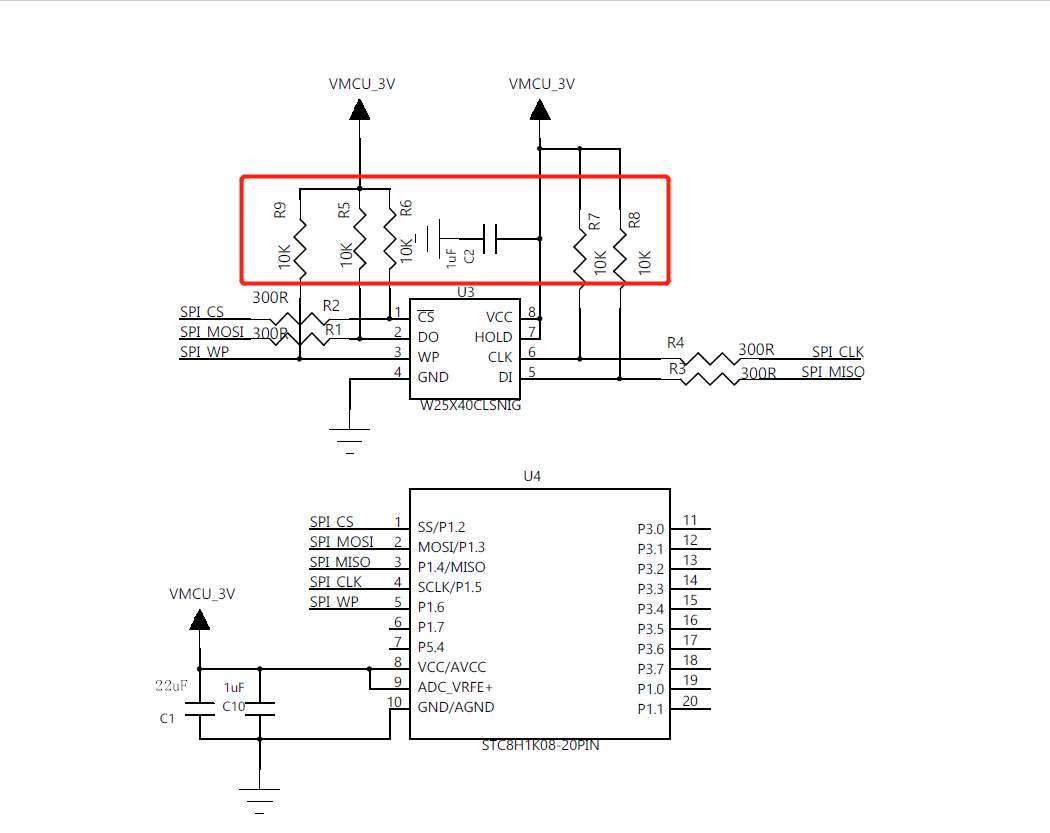
各位大佬,小弟现在感到困惑,不知道SPI_FLASH的上拉电阻(R5,R6,R7,R8,R9)是否可以去掉不贴?谢谢。
SPI_FLASH做STC_MCU的外围从设备是否要接上拉电阻-1.png



回复

使用道具 举报 送花

  • 打卡等级:以坛为家I
  • 打卡总天数:332
  • 最近打卡:2025-09-15 20:02:54

9

主题

327

回帖

4526

积分

荣誉版主

积分
4526
发表于 2023-5-31 12:04:37 | 显示全部楼层
SPI数据口通常不上拉,CS建议上拉

Screenshot 2023-05-31 115519.png

回复

使用道具 举报 送花

  • 打卡等级:初来乍到
  • 打卡总天数:1
  • 最近打卡:2023-12-25 15:38:27

39

主题

204

回帖

651

积分

高级会员

积分
651
发表于 2023-5-31 12:12:15 | 显示全部楼层
kk*** 发表于 2023-5-31 12:04
SPI数据口通常不上拉,CS建议上拉

好的,谢谢,那SPI总线要串联电阻(R1,R2,R3,R4)吗?
1.png
回复

使用道具 举报 送花

  • 打卡等级:以坛为家I
  • 打卡总天数:214
  • 最近打卡:2025-10-21 13:03:15

789

主题

1万

回帖

1万

积分

管理员

积分
19946
发表于 2023-5-31 12:15:47 | 显示全部楼层
如下标准答案


回复

使用道具 举报 送花

  • 打卡等级:初来乍到
  • 打卡总天数:1
  • 最近打卡:2023-12-25 15:38:27

39

主题

204

回帖

651

积分

高级会员

积分
651
发表于 2023-5-31 13:51:54 | 显示全部楼层

照抄没什么意思,要知道其所以然,要学会灵活应用,如果我换个SPI外设也是这样接吗?姚总可否给出你们专业的解释?
回复

使用道具 举报 送花

  • 打卡等级:以坛为家I
  • 打卡总天数:214
  • 最近打卡:2025-10-21 13:03:15

789

主题

1万

回帖

1万

积分

管理员

积分
19946
发表于 2023-5-31 15:11:04 | 显示全部楼层
想灵活运用 ?
那就要认真阅读你用的第三方的外设的数据手册,如你选的第三方的 SPI-FLASH 的资料和他资料中推荐的原理图,请你将具体的资料贴出来

===这样我们才知到你是正想灵活运用,否则就是等着喂,还不停的怀疑
===我们STC是如自己的数据手册还不够详细,STCAI.com 网站 实验箱 | 核心功能实验板 里面会不停的补充



1.png
这 SPI-FLASH 抗静电太弱了
2.png

这要求有点无理啊,这设计太随意了,如这图部分第三方的 SPI-FLSH 的 /CS管脚就必须要外部加上拉电阻
回复

使用道具 举报 送花

  • 打卡等级:初来乍到
  • 打卡总天数:1
  • 最近打卡:2023-12-25 15:38:27

39

主题

204

回帖

651

积分

高级会员

积分
651
发表于 2023-5-31 19:54:24 | 显示全部楼层
kk*** 发表于 2023-5-31 12:04
SPI数据口通常不上拉,CS建议上拉

这句话的意思是假设的,也不一定需要上拉电阻吧?
回复

使用道具 举报 送花

  • 打卡等级:初来乍到
  • 打卡总天数:1
  • 最近打卡:2023-12-25 15:38:27

39

主题

204

回帖

651

积分

高级会员

积分
651
发表于 2023-5-31 19:56:30 | 显示全部楼层
神*** 发表于 2023-5-31 15:11
想灵活运用 ?
那就要认真阅读你用的第三方的外设的数据手册,如你选的第三方的 SPI-FLASH 的资料和他资料 ...

姚总,请教一下,根据这部分图,您是怎么知道 /CS管脚就必须要外部加上拉电阻?图片中也没有说要加上拉电阻的字眼,谢谢。
回复

使用道具 举报 送花

  • 打卡等级:以坛为家I
  • 打卡总天数:214
  • 最近打卡:2025-10-21 13:03:15

789

主题

1万

回帖

1万

积分

管理员

积分
19946
发表于 2023-5-31 20:09:53 | 显示全部楼层
你还是要认真读你自己用的第三方 SPI-FLASH 数据手册
走上岗位就要独立研发了,这个手册我其实翻了5分钟,翻的我直摇头,
我来领导设计这芯片绝对不会给这个要求,他们认为这样要求合理,
我感觉设计 SPI-FLASH 的研发偷懒了,这图我贴在上面了,你却看不懂

1.png


我没时间研究不是我们的东西的,只能提醒到这,那手册我5分钟也是读不懂的
回复

使用道具 举报 送花

  • 打卡等级:以坛为家I
  • 打卡总天数:214
  • 最近打卡:2025-10-21 13:03:15

789

主题

1万

回帖

1万

积分

管理员

积分
19946
发表于 2023-5-31 20:13:51 | 显示全部楼层
回复

使用道具 举报 送花

您需要登录后才可以回帖 登录 | 立即注册

本版积分规则

QQ|手机版|深圳国芯人工智能有限公司 ( 粤ICP备2022108929号-2 )

GMT+8, 2025-10-22 01:42 , Processed in 0.128011 second(s), 101 queries .

Powered by Discuz! X3.5

© 2001-2025 Discuz! Team.

快速回复 返回顶部 返回列表