找回密码
 立即注册
查看: 1206|回复: 1

单片机的设计创新

[复制链接]
  • 打卡等级:常住居民III
  • 打卡总天数:122
  • 最近打卡:2025-11-02 10:51:55

11

主题

35

回帖

741

积分

高级会员

积分
741
发表于 2023-5-28 11:08:08 | 显示全部楼层 |阅读模式
本帖最后由 MWX 于 2023-5-28 11:33 编辑

查阅MCU有关生产商的产品,这里只说片机产品,集成电路是为成熟应用电路组合生产而成,第一代的单板机到286用的器件多、笨重,所以把有关电路 成组集成。这是市场需求。

这里讲片机问题是对STC产品的认可,国内已经不错的产品,其它厂家产品也有不同的问题。虽然STC是学中成长,希望有自己更好的亮点。任何芯片没有好的硬件实践基础都不是理想的。都是被动促成的产品。
人是不同性格的,观察码农基本上是老实人,有部分是不利索的人。在爱好电子人员中也是这样。观看PDF就同进仓库,有的仓库管理的有条理,有的就是堆积,用什么自己去找,可能要底朝天。逻辑问题肯定有。
讲到逻辑这两个字是个重点,逻辑不清什么也做不好。
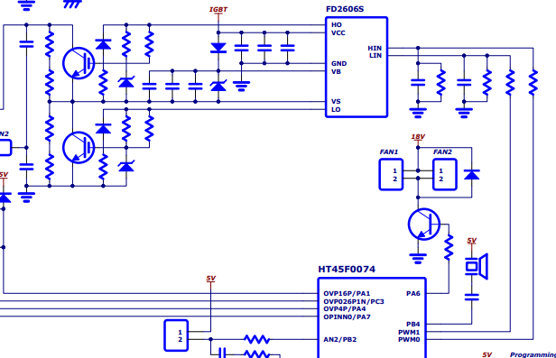
国内对比片机,在工业应用上还是和泰产品,针对性合理,电磁炉产品就让和泰收益很好。片机不在是普通电工,开关个灯的需求。现PWM需求应用更加广泛,而现有的片机基本上对PWM实用并不清澈,也可以说根本就没有扎实的电路实践经验。这对片机的设计引导方向不正。不管是多小位,什么结构的,只靠语言堆积成的产品并不是逻辑性强的产品,能简化的为何还要堆积程序语句???今天以PWM讲现实,功率性的PWM,片机的特性不可能自己完成。 需要功率推动级。后级驱动的特性对工业专用PWM来讲并不需要多的PWM输出信号。设计上来讲片机一路慢启动PWM就可以实现模电变换多路PWM需求。比如我使用最多的IXDN芯片.如一路输入可用其它。也不需要片机的死区设计。片机也可利用图片产品结构设计一体为芯片。

494和3525这么多年来两路输出变换的产品普级天下。替代这个产品只需片机慢启动 、显示频率,PWM外部可调,频率抖动,推动级可有其它芯片完成。
微信图片_20230528105833.png
微信图片_20230528105846.png
微信图片_20230528105843.png
Half-Bridge-Diagramm.jpg_386882510.jpg
回复

使用道具 举报 送花

  • 打卡等级:常住居民III
  • 打卡总天数:122
  • 最近打卡:2025-11-02 10:51:55

11

主题

35

回帖

741

积分

高级会员

积分
741
发表于 2023-5-31 16:47:06 | 显示全部楼层
本帖最后由 MWX 于 2023-5-31 16:50 编辑

看了PIC片机的产品,指定性强,DOME方案现成,配套器件也有。应该弯弯也是看着它走路吧。
对PWM片机,我的思路是,设计一路可控信号,占耗小,设定推动路数,需要几路指定挂靠。如前面1、2图那样变换。这样应用灵活,程序也简单。可惜国内造芯是个大问题,不在于设备,在与人。问询了一下出资造芯,第一步设计电路基本大学没经验,且会要钱的。第二步更是离谱的烧钱。没到第三步就要翻车。有些话不愿讲了,装没看到,这样符合国情。原来的小电工片机,想做高级活,堆了一堆C累坏人。你要问个问题,半吊子就让你看电工级视频,自己没做过也来献爱心。
回复

使用道具 举报 送花

您需要登录后才可以回帖 登录 | 立即注册

本版积分规则

QQ|手机版|深圳国芯人工智能有限公司 ( 粤ICP备2022108929号-2 )

GMT+8, 2025-11-6 23:51 , Processed in 0.123597 second(s), 54 queries .

Powered by Discuz! X3.5

© 2001-2025 Discuz! Team.

快速回复 返回顶部 返回列表