找回密码
 立即注册
查看: 1627|回复: 2

STC32G是不是可以实现12路PWM输出?

[复制链接]
  • 打卡等级:初来乍到
  • 打卡总天数:1
  • 最近打卡:2025-06-06 16:02:56

3

主题

4

回帖

125

积分

注册会员

积分
125
发表于 2023-5-24 23:13:08 | 显示全部楼层 |阅读模式
数据手册里写的是8路,但手册中描述PWMA组的P端和N端可以独立输出,那如果实际应用中,只要保证P端和N端的应用场合是不需要同时输出的,只要通过ENO寄存器设置,是否就能实现全部12路PWM的输出了?

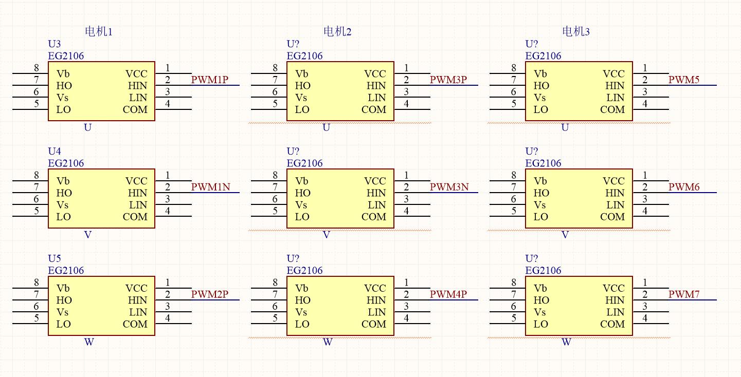
1、想用STC32G驱动3路无刷电机,每路无刷电机需要3个PWM信号,均为每相高端PWM输入,如附图,不知道这种是否可行?

2、当使单端输出时,N端的PWM占空比和P端是同相还是反相的?如CCR1配置PWM1P占空比为75%时,当切换为PWM1N输出时,占空比是75%还是25%?
感谢解答!
QQ截图20230524230501.jpg
回复

使用道具 举报 送花

  • 打卡等级:以坛为家I
  • 打卡总天数:214
  • 最近打卡:2025-10-21 13:03:15

789

主题

1万

回帖

1万

积分

管理员

积分
19924
发表于 2023-5-27 21:37:49 | 显示全部楼层
数据手册里写的是8路,但手册中描述PWMA组的P端和N端可以独立输出
===A组的独立输出,对应的 P端或者N端单独输出,另外1个就不能输出PWM, 可当I/O口使用

=============================================
如 [PWM1P, PWM1N]
可 [PWM1P, PWM1N] 组合输出
或 PWM1P单独输出,   PWM1N不输出
或 PWM1P不输出,      PWM1N单独输出
=============================================

=============================================
如 [PWM2P, PWM2N]
可 [PWM2P, PWM2N] 组合输出
或 PWM2P单独输出,   PWM2N不输出
或 PWM2P不输出,      PWM2N单独输出
=============================================

=============================================
如 [PWM3P, PWM3N]
可 [PWM3P, PWM3N] 组合输出
或 PWM3P单独输出,   PWM3N不输出
或 PWM3P不输出,      PWM3N单独输出
=============================================

=============================================
如 [PWM4P, PWM4N]
可 [PWM4P, PWM4N] 组合输出
或 PWM4P单独输出,   PWM4N不输出
或 PWM4P不输出,      PWM4N单独输出
=============================================

1.png

回复

使用道具 举报 送花

  • 打卡等级:以坛为家I
  • 打卡总天数:206
  • 最近打卡:2025-10-21 16:29:52

80

主题

6790

回帖

1万

积分

超级版主

积分
14487
发表于 2023-5-27 22:59:33 | 显示全部楼层
PWMA有4路独立的16位PWM,每一路还有一个对应的带硬件死区互补输出的PWM,PWMP与PWMN是捆绑在一起的。
PWMB只有4路独立的单端16位PWM。
所以,一共8路PWM。
回复

使用道具 举报 送花

您需要登录后才可以回帖 登录 | 立即注册

本版积分规则

QQ|手机版|深圳国芯人工智能有限公司 ( 粤ICP备2022108929号-2 )

GMT+8, 2025-10-21 19:21 , Processed in 0.134979 second(s), 59 queries .

Powered by Discuz! X3.5

© 2001-2025 Discuz! Team.

快速回复 返回顶部 返回列表