找回密码
 立即注册
查看: 24|回复: 5

STC32G12K128 ISP工具无法识别出STC USB Writer

[复制链接]
  • 打卡等级:初来乍到
  • 打卡总天数:2
  • 最近打卡:2026-03-05 20:47:54
已绑定手机

1

主题

3

回帖

13

积分

新手上路

积分
13
发表于 昨天 20:11 | 显示全部楼层 |阅读模式

按照官方的操作步骤,在上电之前先把P3.2接地

使用AiCube-ISP-v6.96O ISP工具,这里一直都没有识别出STC USB Writer (HID1)
截图202603042008187700.jpg

截图202603042005312075.jpg

各位有解决方法吗?
截图202603042008124584.jpg
回复

使用道具 举报 送花

  • 打卡等级:以坛为家III
  • 打卡总天数:727
  • 最近打卡:2026-03-05 00:00:58
已绑定手机

19

主题

3326

回帖

6814

积分

论坛元老

积分
6814
发表于 昨天 20:48 | 显示全部楼层
使用官方开发板还是自己作的版。要说明清楚或者上传原理图,否则都是纸上谈兵
回复

使用道具 举报 送花

  • 打卡等级:初来乍到
  • 打卡总天数:2
  • 最近打卡:2026-03-05 20:47:54
已绑定手机

1

主题

3

回帖

13

积分

新手上路

积分
13
发表于 1 小时前 | 显示全部楼层
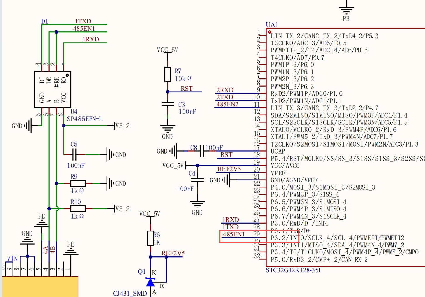
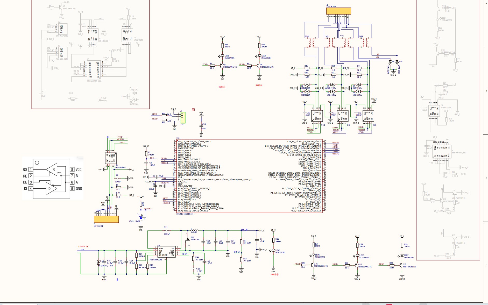
这是自己制作的开发板,这里的P3.2原来外接了一个485芯片,后来把这个芯片去掉了,在P3.2这里外接了一个上拉电阻,并引了一根地线,在上电之前先和地线短接,但是一直没有识别出STC USB Writer (HID1)
截图202603052044325753.jpg

点评

发完整电路图,硬件拍照看看 是不是USB 30 31接反了  详情 回复 发表于 半小时前
回复

使用道具 举报 送花

  • 打卡等级:以坛为家II
  • 打卡总天数:465
  • 最近打卡:2026-03-05 08:52:40
已绑定手机

102

主题

4131

回帖

9087

积分

荣誉版主

无情的代码机器

积分
9087
发表于 半小时前 | 显示全部楼层
zfwf*** 发表于 2026-3-5 20:47
这是自己制作的开发板,这里的P3.2原来外接了一个485芯片,后来把这个芯片去掉了,在P3.2这里外接了一个上 ...

发完整电路图,硬件拍照看看


是不是USB 30 31接反了
三天不学习,赶不上刘少奇~
回复

使用道具 举报 送花

  • 打卡等级:初来乍到
  • 打卡总天数:2
  • 最近打卡:2026-03-05 20:47:54
已绑定手机

1

主题

3

回帖

13

积分

新手上路

积分
13
发表于 13 分钟前 | 显示全部楼层
U4这里的2、3 脚并在一起接了一个上拉电阻,从U4的5脚这里引出一跟地线
截图202603052226532428.jpg
截图202603052227005039.jpg
回复

使用道具 举报 送花

  • 打卡等级:初来乍到
  • 打卡总天数:2
  • 最近打卡:2026-03-05 20:47:54
已绑定手机

1

主题

3

回帖

13

积分

新手上路

积分
13
发表于 11 分钟前 | 显示全部楼层
erci*** 发表于 2026-3-5 21:41
发完整电路图,硬件拍照看看

U4这里的2、3 脚并在一起接了一个上拉电阻,从U4的5脚这里引出一跟地线 截图202603052229027210.jpg 截图202603052228517151.jpg

截图202603052227538491.jpg
截图202603052229119669.jpg
截图202603052229162773.jpg
回复

使用道具 举报 送花

您需要登录后才可以回帖 登录 | 立即注册

本版积分规则

QQ|手机版|深圳国芯人工智能有限公司 ( 粤ICP备2022108929号-2 )

GMT+8, 2026-3-5 22:40 , Processed in 0.120565 second(s), 74 queries .

Powered by Discuz! X3.5

© 2001-2026 Discuz! Team.

快速回复 返回顶部 返回列表