找回密码
 立即注册
查看: 78|回复: 4

打狗棒下载问题

[复制链接]
  • 打卡等级:偶尔看看I
  • 打卡总天数:13
  • 最近打卡:2026-02-19 09:16:27
已绑定手机

12

主题

14

回帖

90

积分

注册会员

积分
90
发表于 2026-2-13 10:29:19 | 显示全部楼层 |阅读模式
刚到的板子,试了几次下载都正常

焊上引脚后。就不正常了。
软件识不别正常 ,偶尔能一次,但一压断电键就又没了,
但事前下载程序还是正常运行。不知怎么回事,

不会就一焊,就坏了


回复

使用道具 举报 送花

  • 打卡等级:以坛为家I
  • 打卡总天数:347
  • 最近打卡:2026-03-07 12:55:14

842

主题

1万

回帖

2万

积分

管理员

积分
22606
发表于 2026-2-13 11:06:28 | 显示全部楼层
回复

使用道具 举报 送花

  • 打卡等级:以坛为家I
  • 打卡总天数:347
  • 最近打卡:2026-03-07 12:55:14

842

主题

1万

回帖

2万

积分

管理员

积分
22606
发表于 2026-2-13 11:08:06 | 显示全部楼层
截图202602131107227706.jpg


截图202602131108049239.jpg
回复

使用道具 举报 送花

  • 打卡等级:以坛为家I
  • 打卡总天数:347
  • 最近打卡:2026-03-07 12:55:14

842

主题

1万

回帖

2万

积分

管理员

积分
22606
发表于 2026-2-13 11:09:07 | 显示全部楼层
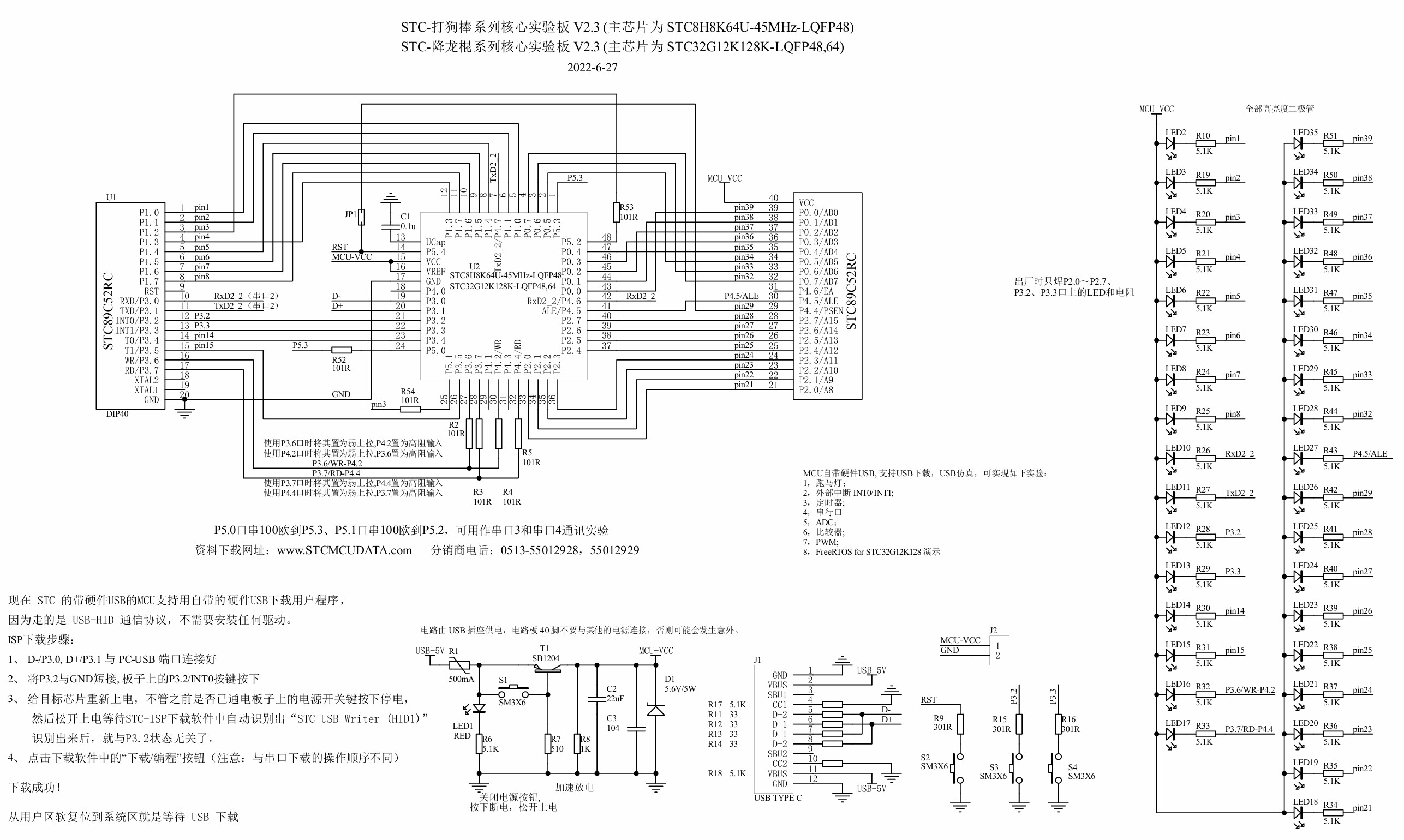
P3.0/P3.1 不能接其他电路,P5.4/nRST 浮空


截图202602131109315440.jpg

回复

使用道具 举报 送花

  • 打卡等级:偶尔看看I
  • 打卡总天数:13
  • 最近打卡:2026-02-19 09:16:27
已绑定手机

12

主题

14

回帖

90

积分

注册会员

积分
90
发表于 2026-2-14 20:32:44 | 显示全部楼层
都没有讲到点子上,解决只别问题,或者说此芯片对静电比较敏感!
回复

使用道具 举报 送花

您需要登录后才可以回帖 登录 | 立即注册

本版积分规则

QQ|手机版|深圳国芯人工智能有限公司 ( 粤ICP备2022108929号-2 )

GMT+8, 2026-3-7 15:31 , Processed in 0.112952 second(s), 59 queries .

Powered by Discuz! X3.5

© 2001-2026 Discuz! Team.

快速回复 返回顶部 返回列表