找回密码
 立即注册
查看: 1890|回复: 6

CAN网络通信实验

[复制链接]

6

主题

8

回帖

66

积分

注册会员

积分
66
发表于 2023-5-14 18:58:17 | 显示全部楼层 |阅读模式
本帖最后由 zhuhe666 于 2023-5-14 18:58 编辑

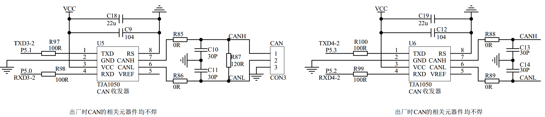
我利用三块屠龙刀的CAN1,组建了一个CAN通信电路,如下图所示,请问官方给的这个例程,可以实现他们之间的通信吗?或者评论有大神可以帮我一下如何编程程序实现他们之间的通信。

CAN网络通信实验-1.png





8CA(Z7UZ%]9~P3P8{O4P]7S.png
回复

使用道具 举报 送花

  • 打卡等级:以坛为家I
  • 打卡总天数:231
  • 最近打卡:2025-11-07 13:27:18

785

主题

1万

回帖

2万

积分

管理员

积分
20183
发表于 2023-5-14 20:55:15 | 显示全部楼层
这个程序是同一个芯片的2组CAN 经过CAN模拟驱动收发器通信
1.png

屠龙刀-STC32G12K128核心功能实验板,这些没焊接的,用CAN时必须补焊上 !
只有通过外部的CAN模拟驱动收发器,STC32G12K128的 2组 CAN 才能自己互相通信,或跟外部通信
回复

使用道具 举报 送花

  • 打卡等级:以坛为家I
  • 打卡总天数:231
  • 最近打卡:2025-11-07 13:27:18

785

主题

1万

回帖

2万

积分

管理员

积分
20183
发表于 2023-5-14 20:58:18 | 显示全部楼层



1.png
1.png
资料可以从这下载


回复

使用道具 举报 送花

6

主题

8

回帖

66

积分

注册会员

积分
66
发表于 2023-5-15 10:39:06 | 显示全部楼层
我已经焊好了CAN相关的元件,收发器用的TJA1050,实现3块板子通信的程序怎么编写
回复

使用道具 举报 送花

  • 打卡等级:偶尔看看III
  • 打卡总天数:35
  • 最近打卡:2025-11-05 08:40:48

31

主题

279

回帖

2488

积分

超级版主

积分
2488
发表于 2023-5-15 11:23:15 | 显示全部楼层
请教了我们工程师回复是:用我们例程包里的例子,ID不同就行
STC32G-DEMO-CODE-V9.6-20230425.zip (27.93 MB, 下载次数: 205)

QQ:3398500488
微信号:18106296592(小刘)
回复

使用道具 举报 送花

6

主题

8

回帖

66

积分

注册会员

积分
66
发表于 2023-5-15 14:58:03 | 显示全部楼层
芯L*** 发表于 2023-5-15 11:23
请教了我们工程师回复是:用我们例程包里的例子,ID不同就行

好的,谢谢,我联系一下
回复

使用道具 举报 送花

  • 打卡等级:偶尔看看III
  • 打卡总天数:35
  • 最近打卡:2025-11-05 08:40:48

31

主题

279

回帖

2488

积分

超级版主

积分
2488
发表于 2023-5-15 16:30:01 | 显示全部楼层

11.png

CAN总线参数这里全部都可以修改,ID,内容,通过这些参数都可以修改


可以先了解一下CAN ID的资料,CAN总线上每个节点设备都可以分配一个ID,每个节点使用自己的ID进行发送数据。

22.png

QQ:3398500488
微信号:18106296592(小刘)
回复

使用道具 举报 送花

您需要登录后才可以回帖 登录 | 立即注册

本版积分规则

QQ|手机版|深圳国芯人工智能有限公司 ( 粤ICP备2022108929号-2 )

GMT+8, 2025-11-7 16:51 , Processed in 0.118150 second(s), 70 queries .

Powered by Discuz! X3.5

© 2001-2025 Discuz! Team.

快速回复 返回顶部 返回列表