找回密码
 立即注册
查看: 1776|回复: 3

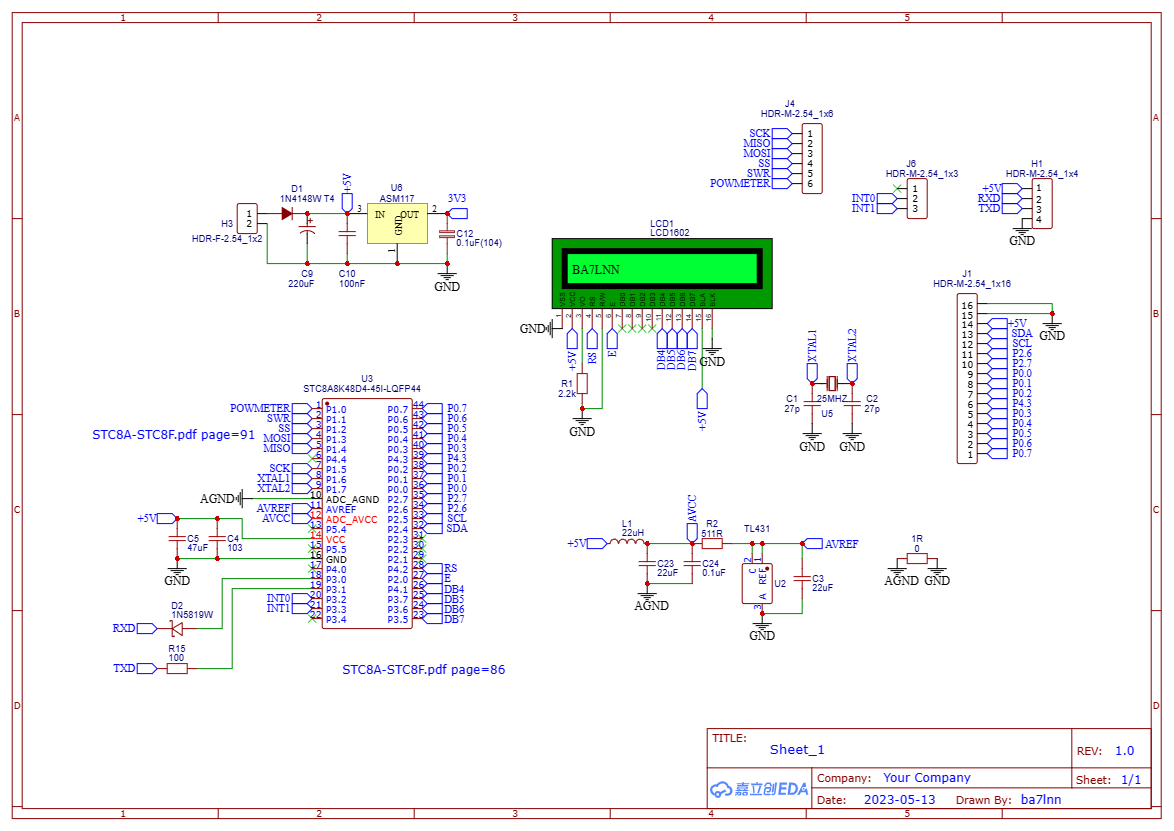
请教各位大师, STC8A, 这样画有没有毛病?

[复制链接]
  • 打卡等级:偶尔看看I
  • 打卡总天数:15
  • 最近打卡:2025-05-26 14:36:57

5

主题

4

回帖

250

积分

中级会员

积分
250
发表于 2023-5-13 14:27:57 | 显示全部楼层 |阅读模式
请教各位大师, STC8A, 这样画有没有毛病?


Schematic_New Project_2023-05-13.png


回复

使用道具 举报 送花

  • 打卡等级:初来乍到
  • 打卡总天数:1
  • 最近打卡:2024-07-05 16:23:47

3

主题

50

回帖

485

积分

中级会员

积分
485
发表于 2023-5-13 15:29:16 | 显示全部楼层
数据口(4位)最好是用同一端口的低4位,否则读写会很麻烦
回复

使用道具 举报 送花

  • 打卡等级:以坛为家I
  • 打卡总天数:231
  • 最近打卡:2025-11-07 13:27:18

785

主题

1万

回帖

2万

积分

管理员

积分
20183
发表于 2023-5-13 15:53:34 | 显示全部楼层
1.png

2.png

3.png

1.png
2.png


回复

使用道具 举报 送花

  • 打卡等级:以坛为家I
  • 打卡总天数:219
  • 最近打卡:2025-11-06 21:59:58

83

主题

6828

回帖

1万

积分

超级版主

积分
14662
发表于 2023-5-13 18:19:34 | 显示全部楼层
原理上没有问题,正如晓奇大侠所说,数据最好放在同一组IO上,分散的话,要一位为传,也是可以的。
回复

使用道具 举报 送花

您需要登录后才可以回帖 登录 | 立即注册

本版积分规则

QQ|手机版|深圳国芯人工智能有限公司 ( 粤ICP备2022108929号-2 )

GMT+8, 2025-11-7 14:32 , Processed in 0.115643 second(s), 65 queries .

Powered by Discuz! X3.5

© 2001-2025 Discuz! Team.

快速回复 返回顶部 返回列表