找回密码
 立即注册
查看: 1025|回复: 22

STC32G核心板学习记录

[复制链接]
  • 打卡等级:以坛为家I
  • 打卡总天数:315
  • 最近打卡:2026-05-29 07:55:10
已绑定手机

4

主题

87

回帖

485

积分

中级会员

积分
485
发表于 2026-1-5 08:42:16 | 显示全部楼层 |阅读模式
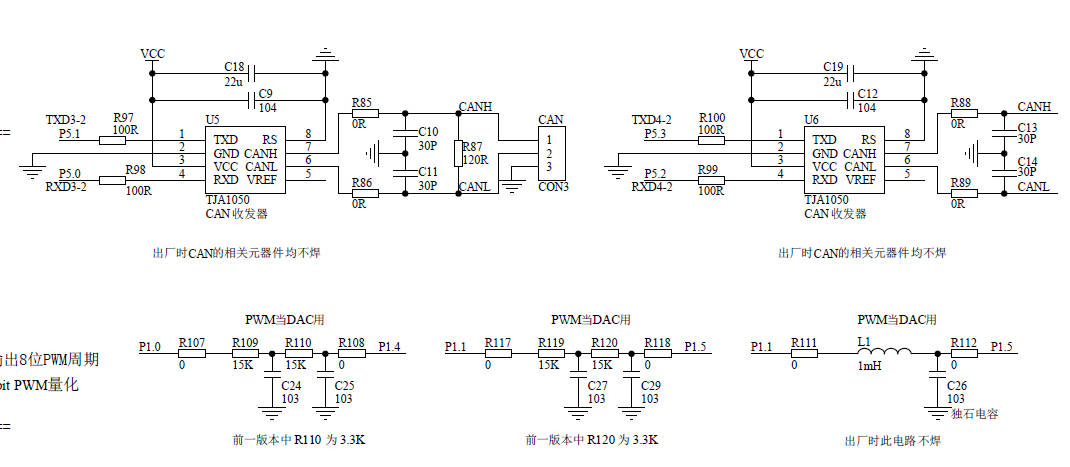
屠龙刀核心板-STC32G12K128-LQFP64转DIP64 核心功能学习板,
新增了CAN、LIN、PWM当DAC功能,感觉非常有意思。


1.jpg
2.jpg
回复

使用道具 举报 送花

  • 打卡等级:以坛为家II
  • 打卡总天数:418
  • 最近打卡:2026-05-29 11:30:12

851

主题

1万

回帖

2万

积分

管理员

积分
23300
发表于 2026-1-5 09:30:16 | 显示全部楼层
要 做到 USB不停电下载
要 尝试 AiCube 图形化自动配置生成程序工具
推荐优先看的:  
printf_usb("Hello World !\r\n")
USB不停电下载, 演示视频链接:
https://www.stcaimcu.com/thread-19077-1-1.html

下载 最新的 AiCube-ISP-V6.96N 或以上版本软件 !

深圳国芯人工智能有限公司-工具软件

下载 最新的 USB库函数,永远用最新的 USB库函数 !
深圳国芯人工智能有限公司-库函数
下载 最新的 用户手册 !
下载 最新的 上机实践指导书 !


下载 最新的 STC32G12K128 用户手册
https://www.stcaimcu.com/data/download/Datasheet/STC32G.pdf

下载 最新的 STC32G12K128 实验指导书
AiCube 图形化自动配置生成程序工具使用说明
https://www.stcaimcu.com/data/do ... %AF%BC%E4%B9%A6.pdf


上面是 小李 演示:STC32G12K128, printf_usb("Hello World !\r\n")及usb不停电下载@AiCube之图形化程序自动生成
回复

使用道具 举报 送花

  • 打卡等级:以坛为家I
  • 打卡总天数:315
  • 最近打卡:2026-05-29 07:55:10
已绑定手机

4

主题

87

回帖

485

积分

中级会员

积分
485
发表于 2026-1-5 10:47:39 | 显示全部楼层
神*** 发表于 2026-1-5 09:30
要 做到 USB不停电下载;
要 尝试 AiCube 图形化自动配置生成程序工具;
推荐优先看的:  

好的,谢谢指点
回复

使用道具 举报 送花

  • 打卡等级:以坛为家I
  • 打卡总天数:315
  • 最近打卡:2026-05-29 07:55:10
已绑定手机

4

主题

87

回帖

485

积分

中级会员

积分
485
发表于 2026-1-6 08:05:52 | 显示全部楼层
AiCube-ISP-----AiCube 图形化自动配置生成程序工具----学习笔记:CDC串口调试助手,输出字符,方便调试!对验证软件运行状态很有帮助。
1.jpg
2.jpg
3.jpg
4.jpg
回复

使用道具 举报 送花

  • 打卡等级:以坛为家I
  • 打卡总天数:315
  • 最近打卡:2026-05-29 07:55:10
已绑定手机

4

主题

87

回帖

485

积分

中级会员

积分
485
发表于 2026-1-6 08:14:15 | 显示全部楼层
AiCube-ISP-----AiCube 图形化自动配置生成程序工具----学习笔记:CDC串口调试助手,查询方式 输出字符,方便调试!对验证软件运行状态很有帮助。
按照2楼教学视频,感觉AiCube 图形化自动配置生成入门门槛很低,为用户减轻了很多负担,框架直接搭好,只需要修改自己值定义的代码就可以达成想要的效果,非常方便,大大的提高了生产力。
为AiCube 图形化自动配置生成工具点赞!!!
3.jpg
回复

使用道具 举报 送花

  • 打卡等级:以坛为家I
  • 打卡总天数:315
  • 最近打卡:2026-05-29 07:55:10
已绑定手机

4

主题

87

回帖

485

积分

中级会员

积分
485
发表于 2026-1-6 08:24:22 | 显示全部楼层
AiCube-ISP-----AiCube 图形化自动配置生成程序工具----学习笔记:CDC串口调试助手,中断方式 输出字符,方便调试!

AiCube 图形化自动配置生成程序工具很好用,期待官方出更多组合型的示例代码,快速推广其应用开来,另外我还发现烧录软件还有很多新奇的调试玩意,比如调试仿真接口的8段数码管、oled液晶显示调试等等功能,也很实用,方便用户进行调试
下图是我按照2楼教程中断模式完成的试验结果。
4.jpg
5.jpg
6.jpg
7.jpg
回复

使用道具 举报 送花

  • 打卡等级:以坛为家I
  • 打卡总天数:315
  • 最近打卡:2026-05-29 07:55:10
已绑定手机

4

主题

87

回帖

485

积分

中级会员

积分
485
发表于 2026-1-7 08:03:32 | 显示全部楼层

学习冲哥32G视频https://www.stcaimcu.com/thread-323-1-1.html
第一集  重新温习了单片机的基本概况
对冲哥提出的学习建议很有启发,论坛里面很多学习资源,一定要沉下心来,多动手,才会有更多的收获。
截图202601070800013525.jpg
回复

使用道具 举报 送花

  • 打卡等级:以坛为家I
  • 打卡总天数:315
  • 最近打卡:2026-05-29 07:55:10
已绑定手机

4

主题

87

回帖

485

积分

中级会员

积分
485
发表于 2026-1-7 08:09:48 | 显示全部楼层

学习冲哥32G视频https://www.stcaimcu.com/thread-323-1-1.html

第二集  学习了STC32G 单片机的外设基本概况

STC32G 系列单片机)具备出色的硬件配置,工作电压范围 1.9-5.5V,无需外部晶振和外部复位电路,大大简化了硬件设计的复杂度。其搭载的 12 位 ADC 和 15 通道,为模拟信号采集提供了良好的基础,而多个 UART 接口、SPI 接口、I2C 接口等丰富的通信资源,更是拓宽了单片机与各类外设的连接可能性,无论是传感器数据读取还是设备间通信,都能较好地满足需求。
困惑:在哪些场景需要使用外部晶振?
截图202601070809455494.jpg
回复

使用道具 举报 送花

  • 打卡等级:以坛为家I
  • 打卡总天数:315
  • 最近打卡:2026-05-29 07:55:10
已绑定手机

4

主题

87

回帖

485

积分

中级会员

积分
485
发表于 2026-1-7 08:20:48 | 显示全部楼层
学习冲哥32G视频https://www.stcaimcu.com/thread-323-1-1.html

第三集  学习了STC32G编程环境搭建和烧录

STC-ISP 软件的多功能性非常令人喜欢,它不仅是程序下载工具,还集成了手册下载、库函数与范例程序获取、I/O 口配置工具等实用功能,极大地简化了开发流程。同时,官网提供的备用下载渠道、技术支持 QQ 与电话,以及详细的用户手册,形成了全方位的资源保障体系,让我在学习过程中无需担心工具缺失或问题无法解决。此外,PDF 阅读器的使用指导也十分必要,教会我如何高效查阅技术手册,为后续自主解决问题打下基础。官方配套的资料齐全、完整。冲哥讲解得非常详细。此外,不断电下载特别方便,节约了调试时间。

困惑:库函数可以自定义吗,有没有相关教程?
截图202601070820321722.jpg
回复

使用道具 举报 送花

  • 打卡等级:以坛为家I
  • 打卡总天数:315
  • 最近打卡:2026-05-29 07:55:10
已绑定手机

4

主题

87

回帖

485

积分

中级会员

积分
485
发表于 2026-1-7 08:52:15 | 显示全部楼层
第4集   STC32G点亮LED

通过 GPIO 口输出高低电平控制LED电路通断,明确了 STC32G 单片机 I/O 口的工作特性(如上电默认高阻输入、多模式配置、内部上拉电阻等),再结合具体的硬件电路(PNP 三极管、电阻、LED 的连接方式),让我明白 “P4.0 或 P6.0 输出低电平即可点亮对应 LED” 的底层逻辑。
掌握了 I/O的相关配置。

感叹:STC32G什么时候可以加入PROTEUS的仿真库中?
回复

使用道具 举报 送花

您需要登录后才可以回帖 登录 | 立即注册

本版积分规则

QQ|手机版|深圳国芯人工智能有限公司 ( 粤ICP备2022108929号-2 )

GMT+8, 2026-5-30 04:48 , Processed in 0.115823 second(s), 82 queries .

Powered by Discuz! X3.5

© 2001-2026 Discuz! Team.

快速回复 返回顶部 返回列表