找回密码
 立即注册
查看: 570|回复: 13

STC32G144K246-LQFP100的核心板

[复制链接]
  • 打卡等级:以坛为家III
  • 打卡总天数:737
  • 最近打卡:2026-05-08 22:29:39
已绑定手机

49

主题

2668

回帖

2776

积分

荣誉版主

积分
2776
发表于 2025-12-29 18:15:05 | 显示全部楼层 |阅读模式
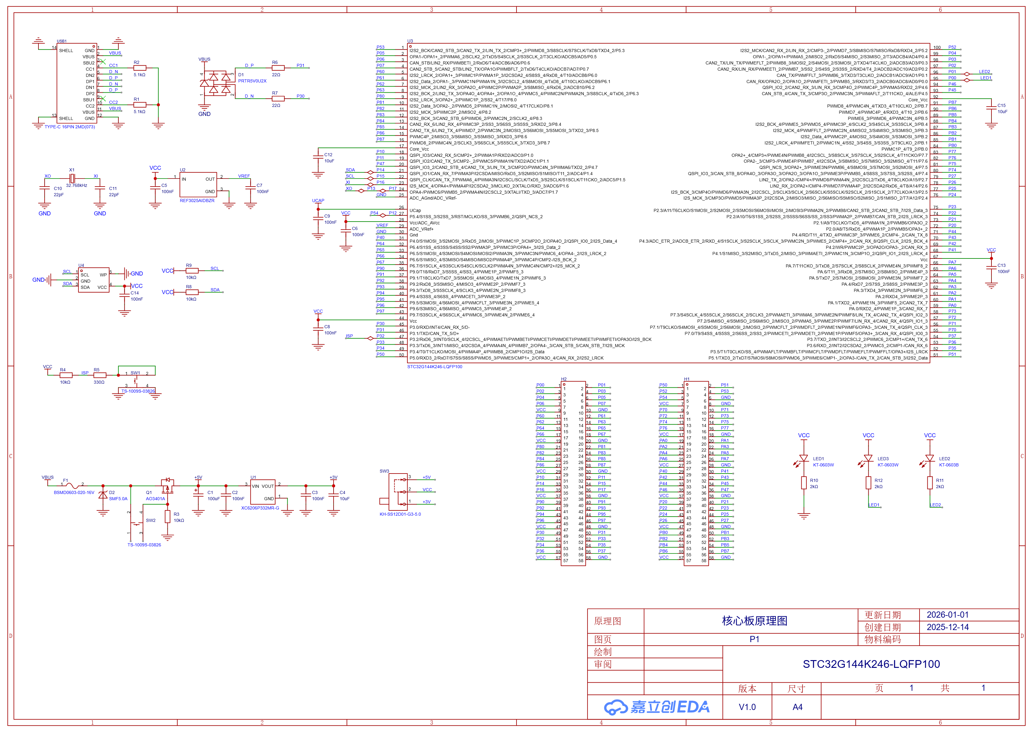
刚收到样品,本着积极研究不浪费的原则,咱也搞个核心板把芯片用起来,不求功能丰富,但求简单易用
特点如下:
  • 采用USB-TypeC接口供电、通讯、ISP、Debug,电源路径增加了自恢复保险和5V TVS,通讯路径增加了ESD、22R电阻;
  • 使用PMOS+按键开关实现冷上电复位;
  • 使用USB5V供电,配置了3.3VLDO,由拨动开关选择5V和3.3V供电,我认为开关比跳线帽好用,您说呢?
  • 配置了32.768kHz低频石英晶体,便于调RTC应用和低功耗;
  • 配置了REF3025AIDBZR电压基准源,姚老大也推荐这个型号,虽然TL431更有性价比,但不做批量就有啥用啥,钽电容都用了,谁在乎这个!
  • 配置了小封装24C02,E2P可以不用,但不能没有,虽然单片机容量更大,但单字节存取的快乐有时候也是需要的;
  • 配置了一个INT0按键,用来触发烧录模式和用户功能开发;
  • 配置了两个连接IO的LED和电源指示LED,用于指示状态;
  • 所有IO均引到双排针上,引脚顺序已按PORT组重排,每组都配置了VCC和GND端;
  • 整体尺寸限制在5x7.5cm,单面布局双面走线,四层堆栈,已经算是紧凑了。
目前,刚发图打板,待测试无误后再考虑开源
先分享仿真图和完整的电路原理图
3D_PCB1_2025-12-29.png 3D_PCB1_2025-12-29B.png
SCH_核心板原理图_1-P1_2025-12-29.png


2 喜欢他/她就送朵鲜花吧,赠人玫瑰,手有余香!
~~~
回复

使用道具 举报 送花

  • 打卡等级:以坛为家II
  • 打卡总天数:401
  • 最近打卡:2026-05-08 09:46:24

850

主题

1万

回帖

2万

积分

管理员

积分
23212
发表于 2026-1-2 10:40:56 | 显示全部楼层
截图202601021038332342.jpg
稳压管选 5.6V的,启动电压 5.3V ~ 5.9V;
3.3V-LDO 为何不选个 我们推荐的 有控制 停电/上电 管脚的 ?

截图202601021040511713.jpg

截图202601021040064865.jpg

点评

[*]由于完全采用电脑USB 5V供电,不大可能持续性的出现过压情况,用TVS二极管抑制浪涌即可 [*]因为板上有5V和3.3V两个电压可以选择,如果用带EN的LDO,那只能控制3.3V输出,5V则不受控,我这里用PMOS控制总的5V电压  详情 回复 发表于 2026-1-2 12:19
回复

使用道具 举报 送花

  • 打卡等级:以坛为家II
  • 打卡总天数:401
  • 最近打卡:2026-05-08 09:46:24

850

主题

1万

回帖

2万

积分

管理员

积分
23212
发表于 2026-1-2 10:50:29 | 显示全部楼层
截图202601021050265549.jpg

截图202601021051367802.jpg

截图202601021047137120.jpg

截图202601021053413783.jpg


截图202601021048543572.jpg

回复

使用道具 举报 送花

  • 打卡等级:以坛为家III
  • 打卡总天数:737
  • 最近打卡:2026-05-08 22:29:39
已绑定手机

49

主题

2668

回帖

2776

积分

荣誉版主

积分
2776
发表于 2025-12-29 18:20:45 | 显示全部楼层
以下是空板的仿真图

空板.png 空板T.png
~~~
回复

使用道具 举报 送花

  • 打卡等级:以坛为家III
  • 打卡总天数:669
  • 最近打卡:2026-05-08 09:50:55

33

主题

2970

回帖

6722

积分

论坛元老

积分
6722
发表于 2025-12-30 09:17:32 | 显示全部楼层
尺寸好啊,可以白嫖嘉立创了
参考例程并不是对技术参 考手册的补充,而是对技术参 考手册的解释。
技术参 考手册不应该需要参考例程作为补充,而是解释成了参考例程的样子
回复

使用道具 举报 送花

  • 打卡等级:以坛为家I
  • 打卡总天数:356
  • 最近打卡:2026-05-08 01:44:15
已绑定手机

25

主题

216

回帖

1958

积分

金牌会员

积分
1958
发表于 2025-12-30 14:38:10 | 显示全部楼层
👍👍👍
学习MCU
回复

使用道具 举报 送花

  • 打卡等级:以坛为家III
  • 打卡总天数:856
  • 最近打卡:2026-05-08 08:26:34
已绑定手机

25

主题

636

回帖

4087

积分

论坛元老

积分
4087
发表于 2025-12-31 08:19:37 | 显示全部楼层
我问客服了,个人申请的话要身份证号

点评

可以让采购小姐姐帮忙申请啊  发表于 2025-12-31 12:43
回复

使用道具 举报 送花

  • 打卡等级:以坛为家III
  • 打卡总天数:737
  • 最近打卡:2026-05-08 22:29:39
已绑定手机

49

主题

2668

回帖

2776

积分

荣誉版主

积分
2776
发表于 2026-1-1 22:39:54 | 显示全部楼层
点灯成功,原理图还是出了点小问题,主电源MOS错用成N沟道的了,楼主位已经修正原理图。
IMG_20260101_223513_Burst02.jpg

~~~
回复

使用道具 举报 送花

  • 打卡等级:常住居民III
  • 打卡总天数:122
  • 最近打卡:2026-05-08 08:56:53
已绑定手机

0

主题

10

回帖

474

积分

中级会员

积分
474
发表于 2026-1-2 10:08:48 | 显示全部楼层
设计的很好,实用。 希望有成品板  

点评

如果需求的人多,可以拼团做个小批量,但是成本肯定比官方的高一些, 另外,这个板功能太少,后期需要很多外围模块才能用起来  详情 回复 发表于 2026-1-2 12:23
回复

使用道具 举报 送花

  • 打卡等级:以坛为家III
  • 打卡总天数:737
  • 最近打卡:2026-05-08 22:29:39
已绑定手机

49

主题

2668

回帖

2776

积分

荣誉版主

积分
2776
发表于 2026-1-2 12:19:30 | 显示全部楼层
神*** 发表于 2026-1-2 10:40
稳压管选 5.6V的,启动电压 5.3V ~ 5.9V;
3.3V-LDO 为何不选个 我们推荐的 有控制 停电/上电 管脚的 ?

  • 由于完全采用电脑USB 5V供电,不大可能持续性的出现过压情况,用TVS二极管抑制浪涌即可
  • 因为板上有5V和3.3V两个电压可以选择,如果用带EN的LDO,那只能控制3.3V输出,5V则不受控,我这里用PMOS控制总的5V电压,LDO侧就不需要再控制了,XC6206P332MR价格约5分钱,静态电流1uA,性价比优势明显。

~~~
回复

使用道具 举报 送花

您需要登录后才可以回帖 登录 | 立即注册

本版积分规则

QQ|手机版|深圳国芯人工智能有限公司 ( 粤ICP备2022108929号-2 )

GMT+8, 2026-5-9 00:36 , Processed in 0.150261 second(s), 112 queries .

Powered by Discuz! X3.5

© 2001-2026 Discuz! Team.

快速回复 返回顶部 返回列表