找回密码
 立即注册
查看: 192|回复: 3

OP运放外置增益电路咨询

[复制链接]
  • 打卡等级:以坛为家I
  • 打卡总天数:270
  • 最近打卡:2026-05-08 13:54:25

16

主题

65

回帖

1027

积分

金牌会员

积分
1027
发表于 2025-12-11 17:11:47 | 显示全部楼层 |阅读模式
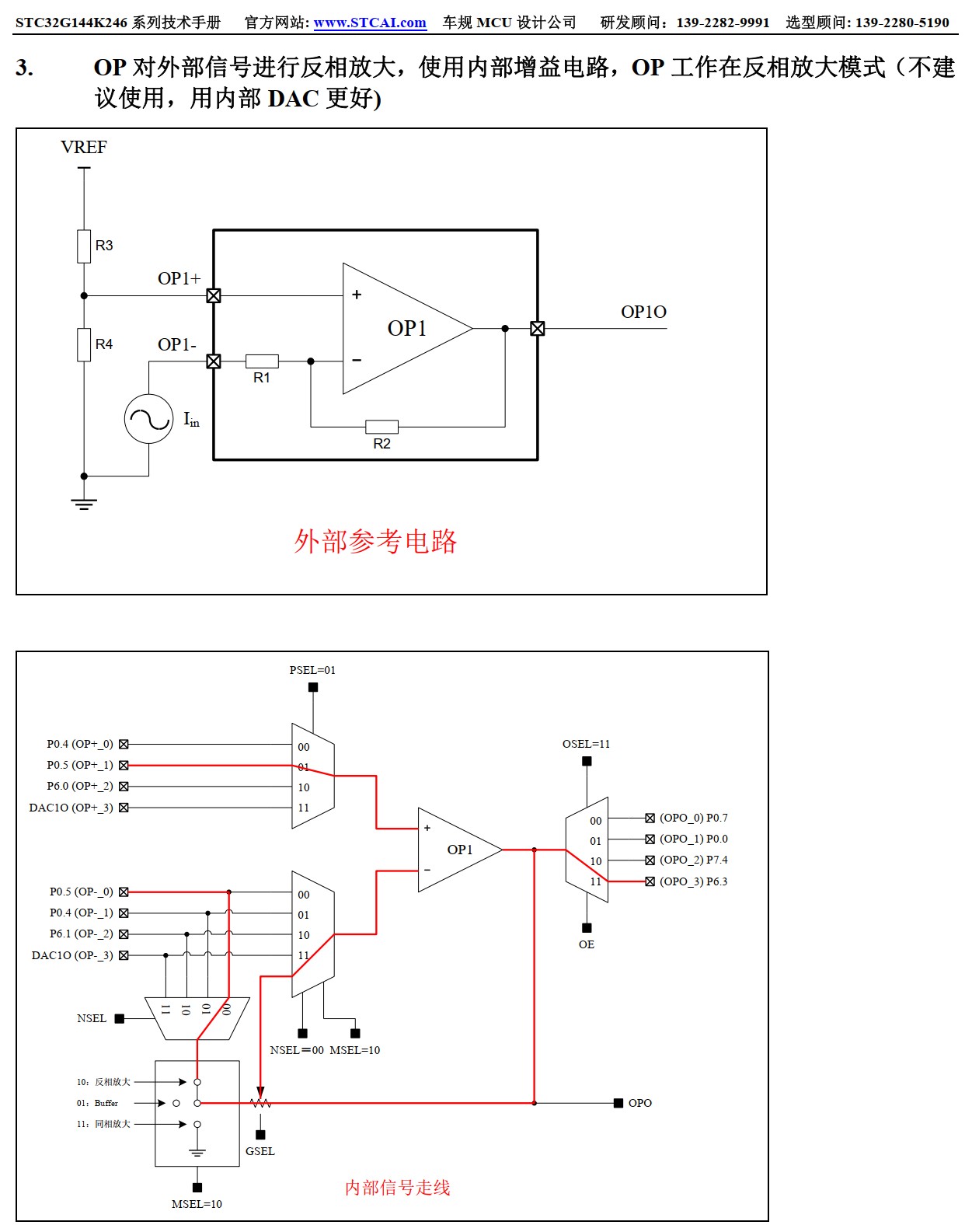
请问一下:

   1.运放本身内置有G可以调整(通过寄存器);
   2.如果反向放大,外置放大电阻,那么和内部增益会是怎么样的一个关系?
回复

使用道具 举报 送花

  • 打卡等级:以坛为家II
  • 打卡总天数:401
  • 最近打卡:2026-05-08 09:46:24

850

主题

1万

回帖

2万

积分

管理员

积分
23212
发表于 2025-12-11 19:21:07 | 显示全部楼层
截图202512111919365720.jpg


截图202512111920152162.jpg

截图202512111920524240.jpg

截图202512111922058921.jpg

截图202512111922431037.jpg

回复

使用道具 举报 送花

  • 打卡等级:以坛为家II
  • 打卡总天数:401
  • 最近打卡:2026-05-08 09:46:24

850

主题

1万

回帖

2万

积分

管理员

积分
23212
发表于 2025-12-11 19:24:17 | 显示全部楼层
截图202512111923366784.jpg


截图202512111924137601.jpg
回复

使用道具 举报 送花

  • 打卡等级:以坛为家I
  • 打卡总天数:270
  • 最近打卡:2026-05-08 13:54:25

16

主题

65

回帖

1027

积分

金牌会员

积分
1027
发表于 2025-12-11 23:51:37 | 显示全部楼层

好的,非常感谢,数据手册看快了。没有拉到这里。
回复

使用道具 举报 送花

您需要登录后才可以回帖 登录 | 立即注册

本版积分规则

QQ|手机版|深圳国芯人工智能有限公司 ( 粤ICP备2022108929号-2 )

GMT+8, 2026-5-9 00:36 , Processed in 0.119717 second(s), 65 queries .

Powered by Discuz! X3.5

© 2001-2026 Discuz! Team.

快速回复 返回顶部 返回列表