找回密码
 立即注册
查看: 141|回复: 4

(STC8H1K08)无刷马达不能正常启动

[复制链接]
  • 打卡等级:初来乍到
  • 打卡总天数:1
  • 最近打卡:2025-11-13 11:58:46
已绑定手机

1

主题

1

回帖

9

积分

新手上路

积分
9
发表于 2025-11-13 11:58:46 | 显示全部楼层 |阅读模式
问题描述:上电 马达重复启动(StartMotor),不能正常 6步换相。


分析说明:
1)之前样板用的主控是STC8H1K28 , 我现在驱动板子 主控更改为了 STC8H1K08 。
2)我们在 STC8H1K28-无HALL-电位器调速.c (梁工版本) 上移植的驱动程序
3)在样机代码钟  Tiemr3/4 钟有设定 T3T3PIN = 0x01 对应到了 P0.0 P0.1 P0.2 。但是我们现在用的主控 STKH1K08 没有P0 这一组,只有P1 和 P3 两组


需求:STKH1K08 需要如何修改,适配无刷马达的相位检测

T3,T4

T3,T4
回复

使用道具 举报 送花

  • 打卡等级:以坛为家III
  • 打卡总天数:647
  • 最近打卡:2025-12-18 07:29:35
已绑定手机

93

主题

6940

回帖

1万

积分

超级版主

积分
13026
发表于 2025-11-13 13:43:01 | 显示全部楼层
8H1K08无T3、T4
截图202511131351237895.jpg
截图202511131343007096.jpg
截图202511131347234637.jpg
截图202511131347494374.jpg

回复

使用道具 举报 送花

  • 打卡等级:以坛为家I
  • 打卡总天数:253
  • 最近打卡:2025-12-17 11:28:25

84

主题

7156

回帖

1万

积分

超级版主

积分
15260
发表于 2025-11-13 14:22:46 | 显示全部楼层
1)STC8H1K28与STC8H1K08的程序通用,但是如果IO改变,请处理相关的IO初始化。
2)最好移植VER3的版本,更容易启动,并且处理了顺风、逆风转动的启动问题。
3)Timer3/Timer4设置时钟输出本例没有使用,可以去掉这句。

你的问题“上电马达重复启动”可能是设置参数不对造成,请提供你的电机参数:工作电压、工作电流(或功率)、KV值,再贴出你的启动参数,我看看。
回复

使用道具 举报 送花

  • 打卡等级:初来乍到
  • 打卡总天数:1
  • 最近打卡:2025-11-13 11:58:46
已绑定手机

1

主题

1

回帖

9

积分

新手上路

积分
9
发表于 2025-11-13 14:58:55 | 显示全部楼层
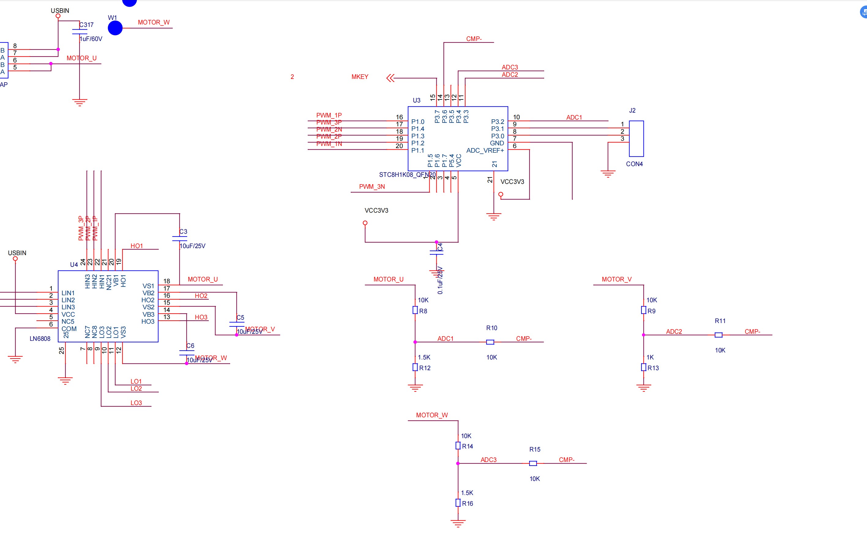
这是我们的原理图,通过反电动势 检测相位,没有霍尔开关。

我们现在的硬件搭配 有问题吗?可以正常控制无刷马达吗?

我们只需要 2档 就可以,不需要精准的转速。
截图202511131455394775.jpg

点评

没有MOSFET?  详情 回复 发表于 2025-11-13 16:12
回复

使用道具 举报 送花

  • 打卡等级:以坛为家I
  • 打卡总天数:253
  • 最近打卡:2025-12-17 11:28:25

84

主题

7156

回帖

1万

积分

超级版主

积分
15260
发表于 2025-11-13 16:12:54 | 显示全部楼层
ps_*** 发表于 2025-11-13 14:58
这是我们的原理图,通过反电动势 检测相位,没有霍尔开关。

我们现在的硬件搭配 有问题吗?可以正常控制无 ...

没有MOSFET?
回复

使用道具 举报 送花

您需要登录后才可以回帖 登录 | 立即注册

本版积分规则

QQ|手机版|深圳国芯人工智能有限公司 ( 粤ICP备2022108929号-2 )

GMT+8, 2025-12-18 19:03 , Processed in 0.108357 second(s), 63 queries .

Powered by Discuz! X3.5

© 2001-2025 Discuz! Team.

快速回复 返回顶部 返回列表