找回密码
 立即注册
查看: 372|回复: 6

STC8G1K08的AD仿真是正确的,烧录程序运行,就不正确了

[复制链接]
  • 打卡等级:初来乍到
  • 打卡总天数:4
  • 最近打卡:2025-11-04 14:18:09
已绑定手机

4

主题

7

回帖

46

积分

新手上路

积分
46
发表于 2025-10-29 08:30:04 | 显示全部楼层 |阅读模式

你好!
STC8G1K08的AD仿真是正确的,烧录程序运行,就不正确了,是怎么回事。
回复

使用道具 举报 送花

  • 打卡等级:以坛为家II
  • 打卡总天数:484
  • 最近打卡:2026-03-24 08:55:08
已绑定手机

104

主题

4197

回帖

9313

积分

荣誉版主

无情的代码机器

积分
9313
发表于 2025-10-29 09:26:32 | 显示全部楼层
正常表现是什么,异常是什么~
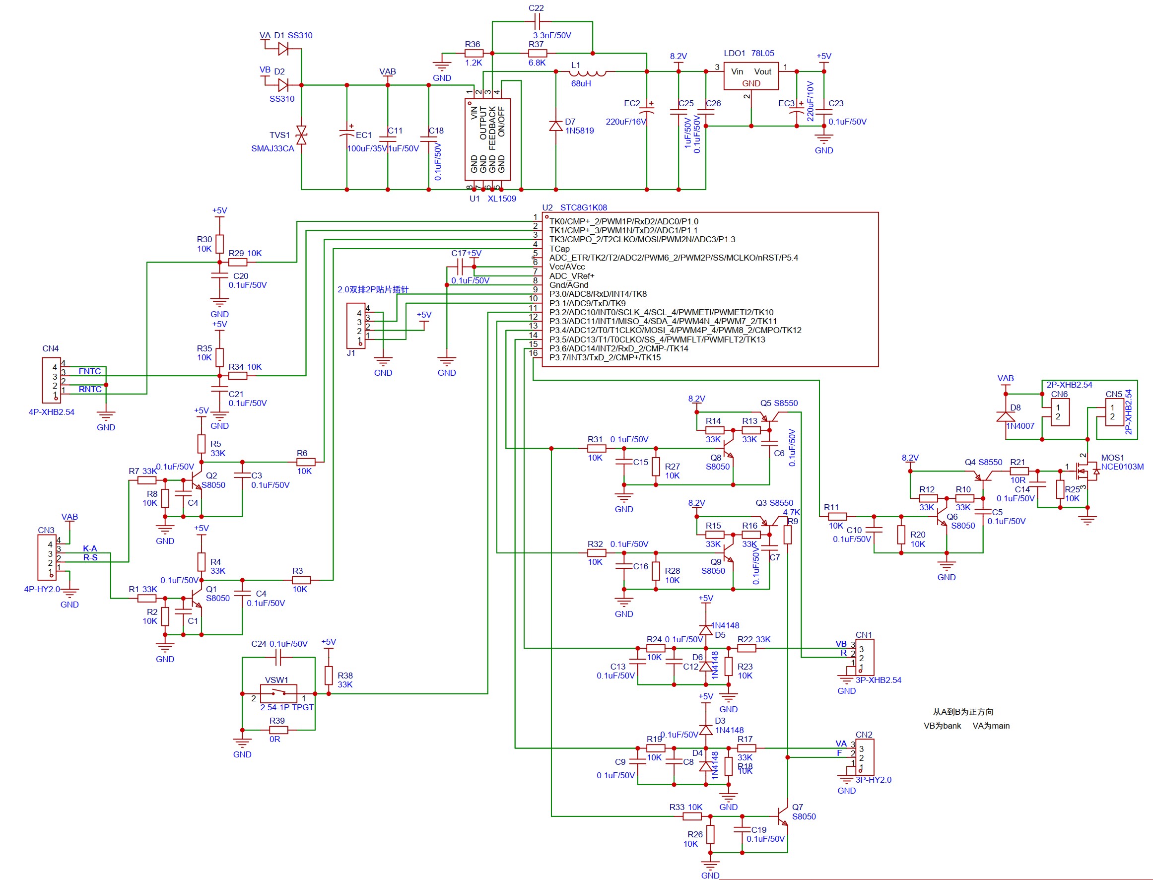
请打包上传工程及电路原理图
三天不学习,赶不上刘少奇~
回复

使用道具 举报 送花

  • 打卡等级:初来乍到
  • 打卡总天数:4
  • 最近打卡:2025-11-04 14:18:09
已绑定手机

4

主题

7

回帖

46

积分

新手上路

积分
46
发表于 2025-10-29 10:11:56 | 显示全部楼层
你好!
K-A输入低电平,
VA输入26V,
VB接电池,
VA给电池充电,
仿真时VB到达28.8V,VA停止充电,
烧录程序后运行,VB要到30V,VA才停止充电。
最好是电话或者是微信联系,否则不易说清楚!
截图202510292102227646.jpg

充电控制器工程和原理图.zip

84.84 KB, 下载次数: 26

回复

使用道具 举报 送花

  • 打卡等级:初来乍到
  • 打卡总天数:4
  • 最近打卡:2025-11-04 14:18:09
已绑定手机

4

主题

7

回帖

46

积分

新手上路

积分
46
发表于 2025-10-29 10:15:10 | 显示全部楼层
还有,这个快clock转慢clock,再去休眠,总是不成功!
回复

使用道具 举报 送花

  • 打卡等级:初来乍到
  • 打卡总天数:4
  • 最近打卡:2025-11-04 14:18:09
已绑定手机

4

主题

7

回帖

46

积分

新手上路

积分
46
发表于 2025-10-29 10:16:42 | 显示全部楼层
问题太多,真有必要电话沟通一下,否则进行不下去了!
回复

使用道具 举报 送花

  • 打卡等级:初来乍到
  • 打卡总天数:4
  • 最近打卡:2025-11-04 14:18:09
已绑定手机

4

主题

7

回帖

46

积分

新手上路

积分
46
发表于 2025-10-29 10:17:38 | 显示全部楼层
我的电话:18602581936
回复

使用道具 举报 送花

  • 打卡等级:初来乍到
  • 打卡总天数:4
  • 最近打卡:2025-11-04 14:18:09
已绑定手机

4

主题

7

回帖

46

积分

新手上路

积分
46
发表于 2025-10-29 10:19:28 | 显示全部楼层
十分感谢!
回复

使用道具 举报 送花

您需要登录后才可以回帖 登录 | 立即注册

本版积分规则

QQ|手机版|深圳国芯人工智能有限公司 ( 粤ICP备2022108929号-2 )

GMT+8, 2026-3-25 01:21 , Processed in 0.128211 second(s), 72 queries .

Powered by Discuz! X3.5

© 2001-2026 Discuz! Team.

快速回复 返回顶部 返回列表